LEMON Manuals: Even more car manuals for everyone: 1960-2025
Home >> Ford >> 2002 >> Thunderbird >> Repair and Diagnosis >> External Pages >> Different car >> Section 1487 (Vehicle Dynamic Systems) >> Diagnostic Tests >> Anti-Lock Control - Traction Control and Stability Assist >> Pinpoint Tests >> Pinpoint Test P: The Traction Control System Cannot Be Disabled/Enabled or the Traction Control System is Inoperative >> Pinpoint Test P: The Traction Control System Cannot Be Disabled/Enabled Or The Traction Control System Is Inoperative
April 5, 2026: LEMON Manuals is launched! Read the announcement.

Pinpoint Test P: The Traction Control System Cannot Be Disabled/Enabled Or The Traction Control System Is Inoperative

WARNING: This page is about a different car, the 2008 Ford RV Cutaway, 2008 Ford Econoline, 2008 Ford E450 Super Duty, and 2008 Ford Cutaway. However, it is still accessible from the selected car via links, so may be relevant.
NOTE: Use the Flex Probe Kit for all test connections to prevent damage to the wiring terminals. Do not use standard multi-meter probes.
  1. P1 RECONFIGURE THE PCM 
    • Connect the diagnostic tool.
    • Key in ON position.
    • Enter the following diagnostic mode on the diagnostic tool: Module Reconfiguration PCM
    • Reconfigure the PCM.
    • Test drive the vehicle and verify that the concern is still present.
    • Is the concern still present? 
    1. YES  : Go to  P2.
    2. NO  : The system is operating correctly at this time. The concern may have been caused by a incorrectly configured instrument cluster.
  2. P2 RECONFIGURE THE INSTRUMENT CLUSTER 
    • Connect the diagnostic tool.
    • Key in ON position.
    • Enter the following diagnostic mode on the diagnostic tool: Module Reconfiguration Instrument Cluster
    • Reconfigure the instrument cluster.
    • Test drive the vehicle and verify that the concern is still present.
    • Is the concern still present? 
    1. YES  : Go to  P3.
    2. NO  : The system is operating correctly at this time. The concern may have been caused by a incorrectly configured instrument cluster.
  3. P3 CHECK FOR DTCs 
    • Check for any ABS module, instrument cluster, PCM or communication DTCs.
    • Are any DTCs present? 
    1. YES  : For ABS module DTCs, REFER to the ABS Module DTC Chart.

      For instrument cluster DTCs, REFER to the Instrument Cluster DTC Chart.

      For PCM DTCs, appropriate Engine Performance article.

      For communication DTCs, REFER to the Master DTC Chart in MULTIFUNCTION ELECTRONIC MODULES article.

    2. NO  : Go to  P4.
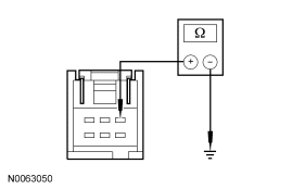
  4. P4 CHECK FOR VOLTAGE AT THE TRACTION CONTROL SWITCH 
    • Key in OFF position.
    • Disconnect: Traction Control Switch C280
    • Key in ON position.
    • Fig 1: Checking For Voltage At Traction Control Switch
      GF0044725Courtesy of FORD MOTOR CO.
    • Measure the voltage between ground and:
      • traction control switch C280-5, circuit 729 (RD/WH), harness side.
      • traction control switch C280-6, circuit 729 (RD/WH), harness side.
    • Is the voltage greater than 10 volts? 
    1. YES  : Go to  P5.
    2. NO  : VERIFY CJB fuse 22 (15A) is OK. If OK, REPAIR circuit 729 (RD/WH). CLEAR the DTC. REPEAT the self-test.
  5. P5 CHECK THE TRACTION CONTROL SWITCH 
    • Measure the resistance between traction control switch C280 pin-1, component side, and traction control switch C280 pin-6, component side while pressing and releasing the switch.
    • Is the resistance greater than 10,000 ohms with the switch released and less than 5 ohms with the switch pressed? 
    1. YES  : Go to  P6.
    2. NO  : INSTALL a new traction control switch. CLEAR the DTC. REPEAT the self-test.
  6. P6 CHECK CIRCUIT 959 (GY) FOR A SHORT TO VOLTAGE 
    • Key in OFF position.
    • Disconnect: Instrument Cluster C220a
    • Key in ON position.
    • Fig 2: Checking Circuit 959 (GY) For A Short To Voltage
      GF0044726Courtesy of FORD MOTOR CO.
    • Measure the voltage between traction control switch C280-1, circuit 959 (GY), harness side and ground.
    • Is the voltage greater than 10 volts? 
    1. YES  : REPAIR circuit 959 (GY). CLEAR the DTC. REPEAT the self-test.
    2. NO  : Go to  P7.
  7. P7 CHECK CIRCUIT 959 (GY) FOR A SHORT TO GROUND 
    • Key in OFF position.
    • Fig 3: Checking Circuit 959 (GY) For A Short To Ground
      GF0044727Courtesy of FORD MOTOR CO.
    • Measure the resistance between traction control switch C280-1, circuit 959 (GY), harness side and ground.
    • Is the resistance greater than 10,000 ohms? 
    1. YES  : Go to  P8.
    2. NO  : REPAIR circuit 959 (GY). CLEAR the DTC. REPEAT the self-test.
  8. P8 CHECK CIRCUIT 959 (GY) FOR AN OPEN 
      Fig 4: Checking Circuit 959 (GY) For An Open
      GF0044728Courtesy of FORD MOTOR CO.
    • Measure the resistance between instrument cluster C220a-15, circuit 959 (GY), harness side and traction control switch C280-1, circuit 959 (GY), harness side.
    • Is the resistance less than 5 ohms? 
    1. YES  : Go to  P9.
    2. NO  : REPAIR circuit 959 (GY). CLEAR the DTC. REPEAT the self-test.
  9. P9 CHECK FOR CORRECT INSTRUMENT CLUSTER OPERATION 
    • Key in OFF position.
    • Check instrument cluster C220a for:
      • corrosion.
      • pushed-out pins.
      • spread terminal.
    • Connect: Instrument Cluster C220a
    • Make sure the connector is seated correctly then operate the system and verify the concern is still present.
    • Is the concern still present? 
    1. YES  : INSTALL a new instrument cluster. REFER to INSTRUMENT CLUSTER (IC) AND WARNING CHIMES article. CLEAR the DTC. REPEAT the self-test.
    2. NO  : The system is operating correctly at this time. Concern may have been caused by a loose or corroded connector.