LEMON Manuals: Even more car manuals for everyone: 1960-2025
Home >> Ford >> 2002 >> Windstar Base >> Repair and Diagnosis >> External Pages >> Different car >> Section 1719 (Accessory Controls - Component Testing - (Hybrid)) >> Component Testing >> Window control switch, left rear (14489) >> Schematic
April 5, 2026: LEMON Manuals is launched! Read the announcement.

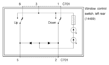
Window control switch, left rear (14489): Schematic

WARNING: This page is about a different car, the 2010 Mercury Mariner and 2010 Ford Escape. However, it is still accessible from the selected car via links, so may be relevant.
Fig 1: Window Control Switch, Left Rear (14489) Schematic
G06303566Courtesy of FORD MOTOR CO.