LEMON Manuals: Even more car manuals for everyone: 1960-2025
Home >> Ford >> 2002 >> Windstar Base >> Repair and Diagnosis >> External Pages >> Different car >> Section 1720 (Component Testing (Except Hybrid)) >> Component Testing >> Window Control Switch, Passenger Side - MKZ >> Window switch - Schematic Terminals
April 5, 2026: LEMON Manuals is launched! Read the announcement.

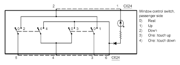
Window switch - Schematic Terminals

WARNING: This page is about a different car, the 2010 Mercury Milan, 2010 Lincoln MKZ, and 2010 Ford Fusion. However, it is still accessible from the selected car via links, so may be relevant.
Fig 1: Identifying Window Control Switch, Passenger Side Schematic - MKZ
G06357983Courtesy of FORD MOTOR CO.