LEMON Manuals: Even more car manuals for everyone: 1960-2025
Home >> Ford >> 2002 >> ZX2 Standard >> Repair and Diagnosis >> External Pages >> Different car >> Section 1425 (Component Testing) >> Component Testing >> Window adjust switch >> Schematic
April 5, 2026: LEMON Manuals is launched! Read the announcement.

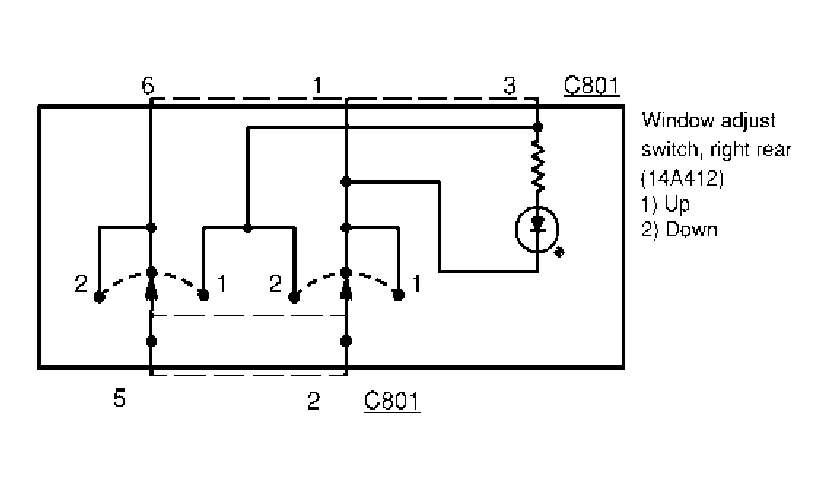
Window adjust switch: Schematic

WARNING: This page is about a different car, the 2006 Ford F550 Super Duty, 2006 Ford F450 Super Duty, and 2006 Ford Cab & Chassis. However, it is still accessible from the selected car via links, so may be relevant.
Fig 1: Window Adjust Switch - Schematic
G04598982Courtesy of FORD MOTOR CO.