LEMON Manuals: Even more car manuals for everyone: 1960-2025
Home >> Ford >> 2002 >> ZX2 Standard >> Repair and Diagnosis >> External Pages >> Different car >> Section 2050 (Module Communications Network System) >> Description And Operation >> Communications Network >> Notes
April 5, 2026: LEMON Manuals is launched! Read the announcement.

Communications Network: Notes

WARNING: This page is about a different car, the 2007 Mercury Mariner and 2007 Ford Escape. However, it is still accessible from the selected car via links, so may be relevant.

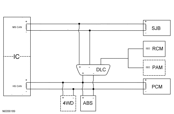
Vehicle communication utilizes both International Standards Organization (ISO) 9141 and controller area network (CAN) communications. ISO 9141 is used for diagnostic use only, and CAN is used for many modules to communicate with each other on a common network. CAN in-vehicle networking, is a method for transferring data among distributed electronic modules via a serial data bus. Without serial networking, intermodule communication requires dedicated, point to point wiring resulting in bulky, expensive, complex, and difficult to install wiring harnesses. Applying a serial data network reduces the number of wires combining the signals on a single network. Information is sent to the individual control modules that control each function.

The vehicle has 3 module communication networks:

All 3 networks are connected to the data link connector (DLC). This makes diagnosis and testing of these systems easier by allowing one scan tool to be able to diagnose and control any module on the 3 networks from one connector. The DLC can be found under the instrument panel between the steering column and the audio unit.

Fig 1: Network Topology
GF0026036Courtesy of FORD MOTOR CO.
Module Name Network Type Termination Module
Anti-lock brake system (ABS) module HS-CAN No
Four wheel drive (4WD) control module (if equipped) HS-CAN No
Instrument cluster (IC) (gateway module) HS-CAN
MS-CAN
Yes
Yes
Parking aid module (PAM) (if equipped) ISO 9141 N/A
Powertrain control module (PCM) HS-CAN Yes
Restraints control module (RCM) ISO 9141 N/A
Smart junction box (SJB) MS-CAN Yes