LEMON Manuals: Even more car manuals for everyone: 1960-2025
Home >> Ford >> 2002 >> ZX2 Standard >> Repair and Diagnosis >> External Pages >> Different car >> Section 2511 (Component Testing) >> Component Testing >> Ignition switch >> Schematic
April 5, 2026: LEMON Manuals is launched! Read the announcement.

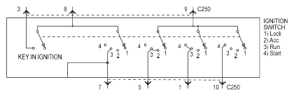
Ignition switch: Schematic

WARNING: This page is about a different car, the 2010 Lincoln Town Car. However, it is still accessible from the selected car via links, so may be relevant.
Fig 1: Ignition Switch - Schematic
G06376235Courtesy of FORD MOTOR CO.