LEMON Manuals: Even more car manuals for everyone: 1960-2025
Home >> Ford >> 2003 >> Crown Victoria Base, 4.6 W >> Repair and Diagnosis >> Steering >> Steering Column >> Disassembly And Assembly >> Steering Column >> Assembly
April 5, 2026: LEMON Manuals is launched! Read the announcement.

Steering Column: Assembly

All columns 

  1. Install the steering column lock lever actuator and steering column lock actuator.
    1. Lubricate the steering column lock actuators.
      • Use long life grease.
    2. Install the steering column lock actuators.
      Fig 1: Installing Steering Column Lock Actuators
      G01601977Courtesy of FORD MOTOR CO.
  2. Install the steering column lock pawl.
    1. Position the steering column lock pawl.
    2. Drive in the steering column lock lever pin.
      Fig 2: Positioning Steering Column Lock Pawl
      G01601978Courtesy of FORD MOTOR CO.
  3. Install the steering column lower bearing retainer.
    Fig 3: Installing Steering Column Lower Bearing Retainer
    G01601979Courtesy of FORD MOTOR CO.
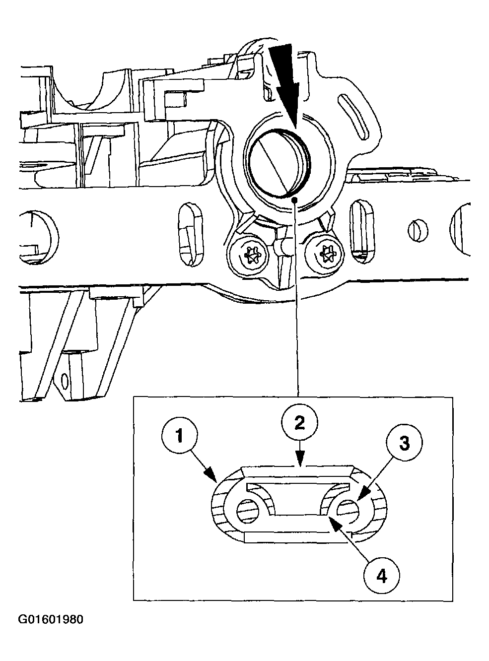
  4. NOTE: The "UP" position of the bearing must be facing forward, toward the engine.
    Fig 4: Installing Steering Column Bearing And Sleeve
    G01601980Courtesy of FORD MOTOR CO.
    Fig 5: Part Description
    G01601981Courtesy of FORD MOTOR CO.
  5. Install the steering column bearing and sleeve.
  6. Install the steering column bearing and sleeve so that the inner race is visible when installed.
  7. Install the ignition switch, aligning the ignition switch with the slot and index mark on the steering column.
    • Install the bolts.
      Fig 6: Installing Bolts
      G01601982Courtesy of FORD MOTOR CO.

    Vehicles with column shift 

  8. Install the transmission control selector lever spring clip and the gearshift lever socket bushings on the shift tube.
    • Coat the gearshift lever socket bushings with long-life grease.
      Fig 7: Locating Transmission Control Selector Lever Components
      G01601983Courtesy of FORD MOTOR CO.
  9. Install the column shift selector lever plunger.
    • Coat the column shift selector plunger with long-life grease.
      Fig 8: Installing Column Shift Selector Lever Plunger
      G01601984Courtesy of FORD MOTOR CO.
  10. Position the gearshift lever in the shift tube.
    Fig 9: Positioning Gearshift Lever In Shift Tube
    G01601985Courtesy of FORD MOTOR CO.
  11. CAUTION: Gearshift lever pin (7G357) must be installed correctly or first gear position may be blocked.
    Fig 10: Installing Gearshift Lever Pin In Shift Tube
    G01601986Courtesy of FORD MOTOR CO.
  12. Install the gearshift lever pin in the shift tube.
  13. Install the gearshift selector tube spring in the shift tube.
    • Coat the end of the spring with long-life grease.
      Fig 11: Installing Gearshift Selector Tube Spring In Shift Tube
      G01601987Courtesy of FORD MOTOR CO.
  14. Install the transmission selector lever arm and support on the shift tube.
    1. Position the transmission selector lever arm and support.
    2. Install the bolts.
      Fig 12: Installing Bolts
      G01601988Courtesy of FORD MOTOR CO.
  15. Install the shift tube and clamps.
    Fig 13: Installing Shift Tube And Clamps
    G01601989Courtesy of FORD MOTOR CO.
  16. Position the brake shift interlock solenoid and install the bolts.
    Fig 14: Positioning Brake Shift Interlock Solenoid And Install Bolts
    G01601990Courtesy of FORD MOTOR CO.
  17. Install the parking brake release switch and screws.
    Fig 15: Installing Parking Brake Release Switch And Screws
    G01601991Courtesy of FORD MOTOR CO.

    All columns 

  18. CAUTION: Install the upper steering column bearing so that the inner race is visible when installed.
    Fig 16: Positioning Steering Column Upper Bearing In Steering Column Lock Cylinder Housing
    G01601992Courtesy of FORD MOTOR CO.
  19. Position the steering column upper bearing in the steering column lock cylinder housing.
  20. Using an appropriate bearing installer or socket, install the upper steering column bearing on the steering column lock cylinder housing.
    Fig 17: Identifying Upper Steering Column Bearing
    G01601993Courtesy of FORD MOTOR CO.
  21. CAUTION: Install the lower steering column bearing so that the inner race is visible when installed.
    Fig 18: Positioning Steering Column Lower Bearing In Steering Column Lock Cylinder Housing
    G01601994Courtesy of FORD MOTOR CO.
  22. Position the steering column lower bearing in the steering column lock cylinder housing.
  23. Using an appropriate bearing installer or socket, install the lower steering column bearing so that the inner race is visible when installed.
  24. Position the steering column shaft in the steering column lock cylinder housing.
    • Install the steering column bearing tolerance ring on the steering column shaft.
      Fig 19: Installing Steering Column Bearing Tolerance Ring On Steering Column Shaft
      G01601995Courtesy of FORD MOTOR CO.
  25. Install the steering column bearing sleeve.
    Fig 20: Installing Steering Column Bearing Sleeve
    G01601996Courtesy of FORD MOTOR CO.
  26. Install the steering column bearing spring (3C674).
    Fig 21: Installing Steering Column Bearing Spring (3C674)
    G01601997Courtesy of FORD MOTOR CO.
  27. Install the snap ring.
    Fig 22: Installing Snap Ring
    G01601998Courtesy of FORD MOTOR CO.
  28. Install the turn indicator cancel cam.
    Fig 23: Installing Turn Indicator Cancel Cam
    G01601999Courtesy of FORD MOTOR CO.
  29. Install the lock cylinder housing screws loosely and position the steering actuator housing in a vise.
    Fig 24: Installing Lock Cylinder Housing Screws
    G01602000Courtesy of FORD MOTOR CO.
  30. Position the steering column lock cylinder housing and the steering column shaft on the steering actuator housing.
    • Make sure the upper and lower steering column lock actuators are aligned.
      Fig 25: Positioning Steering Column Lock Cylinder Housing And Steering Column Shaft On Steering Actuator Housing
      G01602001Courtesy of FORD MOTOR CO.
  31. Position the steering column locking levers on the steering actuator housing.
    1. Use a shop fabricated tool.
    2. On tilt steering columns, install and compress the steering column position spring.
      Fig 26: Positioning Steering Column Locking Levers On Steering Actuator Housing
      G01602002Courtesy of FORD MOTOR CO.
  32. Position the lock cylinder housing and steering actuator housing, and tighten the lock cylinder housing screws.
    Fig 27: Positioning Lock Cylinder Housing And Steering Actuator Housing
    G01602003Courtesy of FORD MOTOR CO.
  33. Install the steering column bearing tolerance ring.
    Fig 28: Installing Steering Column Bearing Tolerance Ring
    G01602004Courtesy of FORD MOTOR CO.
  34. Install the sensor ring and spring.
    Fig 29: Installing Sensor Ring And Spring
    G01602005Courtesy of FORD MOTOR CO.
  35. NOTE: The narrow section of the keyhole in the lock gear should be in the one o'clock position.
  36. Install the steering column lock gear.
    • Use ignition lock grease to lubricate the steering column lock gear.
      Fig 30: Installing Steering Column Lock Gear
      G01602006Courtesy of FORD MOTOR CO.
  37. Install the steering column lock housing bearing.
    • While the narrow section of the keyhole is at the one o'clock position and the tab inboard at the three o'clock position, rotate it counterclockwise.
    • Lubricate the steering column lock housing bearing with ignition lock grease.
      Fig 31: Installing Steering Column Lock Housing Bearing
      G01602007Courtesy of FORD MOTOR CO.
  38. Install the steering column upper bearing retainer firmly to engage the four retention tabs into the lock housing.
    Fig 32: Installing Steering Column Upper Bearing Retainer
    G01602008Courtesy of FORD MOTOR CO.
  39. WARNING: To reduce the risk of serious personal injury, read and follow all warnings, notes and instructions in the steering column removal and installation procedure.
  40. Install the steering column. For additional information, refer to STEERING COLUMN .