LEMON Manuals: Even more car manuals for everyone: 1960-2025
Home >> Ford >> 2003 >> Excursion 4WD V8-6.0L DSL Turbo >> Repair and Diagnosis >> Powertrain Management >> Computers and Control Systems >> Testing and Inspection >> Pinpoint Tests >> Component Location
April 5, 2026: LEMON Manuals is launched! Read the announcement.

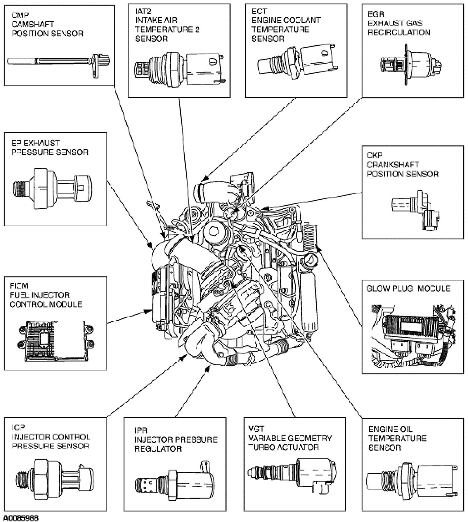
Component Location