LEMON Manuals: Even more car manuals for everyone: 1960-2025
Home >> Ford >> 2003 >> Excursion 7.3 F, 4WD >> Repair and Diagnosis >> External Pages >> Different variant/trim >> Section 16 (Engine - 6.8L) >> In-Vehicle Repair >> Engine Front Cover >> Installation
April 5, 2026: LEMON Manuals is launched! Read the announcement.

Engine Front Cover: Installation

WARNING: This page is about a different variant/trim than selected.
    CAUTION: Do not use metal scrapers, wire brushes, power abrasive discs or other abrasive means to clean the sealing surfaces. These tools cause scratches and gouges which make leak paths. Use a plastic scraping tool to remove all traces of old sealant.
    NOTE: If the engine front cover is not secured within four minutes, the sealant must be removed and the sealing area cleaned with metal surface cleaner. Allow to dry until there is no sign of wetness, or four minutes, whichever is longer. Failure to follow this procedure can cause future oil leakage.
    NOTE: Make sure that the engine front cover gasket is in place on the engine front cover before installation.
    Fig 1: Applying Silicone Gasket And Sealant Along Cylinder Head To Cylinder Block Surface And Oil Pan To Cylinder Block Surface
    G01544636Courtesy of FORD MOTOR CO.
  1. Apply silicone gasket and sealant along the cylinder head to cylinder block surface and the oil pan to cylinder block surface.
  2. Install the engine front cover with engine front cover gasket on the front cover to cylinder block dowel and loosely install the bolts.
    Fig 2: Installing Engine Front Cover With Engine Front Cover Gasket On Front Cover To Cylinder Block Dowel
    G01544637Courtesy of FORD MOTOR CO.
  3. Tighten the engine front cover fasteners in sequence in two stages.

    Stage 1: Tighten fasteners 1 through 7 to 20-30 Nm (15-22 lb-ft).

    Stage 2: Tighten fasteners 6 through 15 to 40-55 Nm (30-41 lb-ft).

    Fig 3: Part Number Description Chart (1 Of 3)
    G01544638Courtesy of FORD MOTOR CO.
    Fig 4: Part Number Description Chart (2 Of 3)
    G01544639Courtesy of FORD MOTOR CO.
    Fig 5: Part Number Description Chart (3 Of 3)
    G01544640Courtesy of FORD MOTOR CO.
    Fig 6: Identifying Engine Front Cover Fasteners Tightening Sequence
    G01544641Courtesy of FORD MOTOR CO.
  4. Connect the CMP electrical connection.
    Fig 7: Connecting CMP Electrical Connection
    G01544642Courtesy of FORD MOTOR CO.
  5. Install a new crankshaft front seal. Refer to Crankshaft Front Oil Seal .
  6. Raise and support the vehicle.
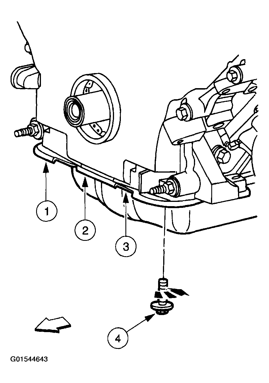
  7. Loosely install the bolts, then tighten the bolts in the two stages, in the sequence shown.
    • Stage 1: Tighten to 20 Nm (15 lb-ft).
    • Stage 2: Tighten an additional 60 degrees.
    Fig 8: Installing Bolts
    G01544643Courtesy of FORD MOTOR CO.
  8. Connect the crankshaft position sensor electrical connector.
    Fig 9: Connecting Crankshaft Position Sensor Electrical Connector
    G01544644Courtesy of FORD MOTOR CO.
  9. NOTE: The front lower hole in the power steering pump is not used.
    Fig 10: Positioning Power Steering Pump And Installing Bolts
    G01544645Courtesy of FORD MOTOR CO.
  10. Position the power steering pump and install the bolts.
  11. Install the drain plug.
    Fig 11: Installing Drain Plug
    G01544646Courtesy of FORD MOTOR CO.
  12. Lower the vehicle.
  13. Install the valve covers. Refer to VALVE COVER - LH  and VALVE COVER - RH .
  14. Install the water pump. Refer to ENGINE COOLING .
  15. Install the radiator. Refer to ENGINE COOLING .
  16. Fill the engine with clean engine oil.
  17. Connect the battery ground cable.