LEMON Manuals: Even more car manuals for everyone: 1960-2025
Home >> Ford >> 2003 >> F 150 2WD Pickup V6-4.2L VIN 2 >> Repair and Diagnosis >> Powertrain Management >> Computers and Control Systems >> Relays and Modules - Computers and Control Systems >> Body Control Module >> Diagrams >> Electrical Diagrams
April 5, 2026: LEMON Manuals is launched! Read the announcement.

Electrical Diagrams

PLEASE NOTE: Some diagrams may appear to be missing because of gaps in the number sequences. These "gaps" are actually for diagrams that do not apply to the vehicle model selected.


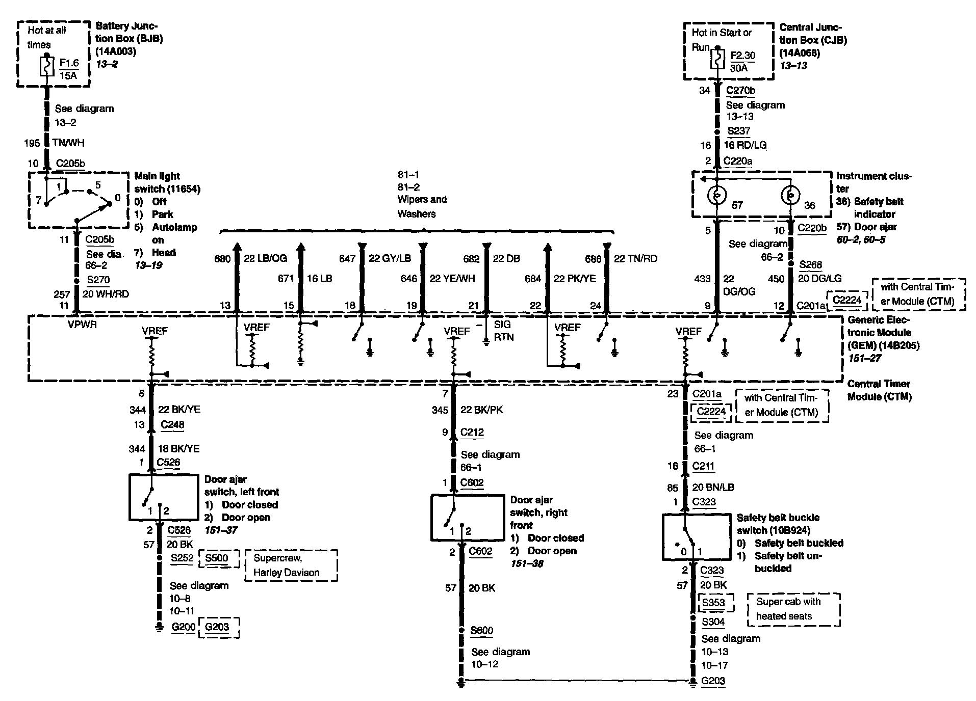
59-1:






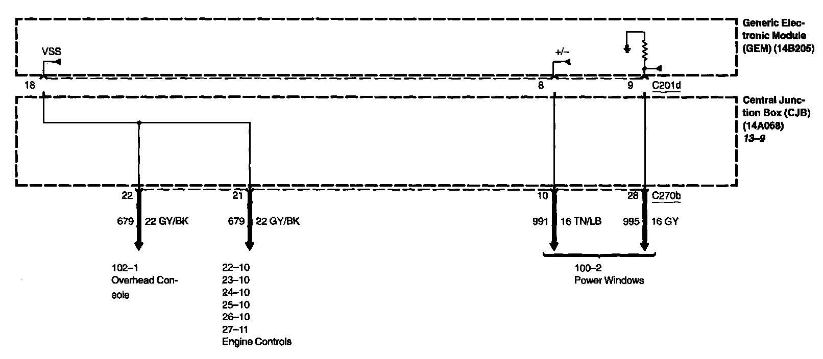
59-2:






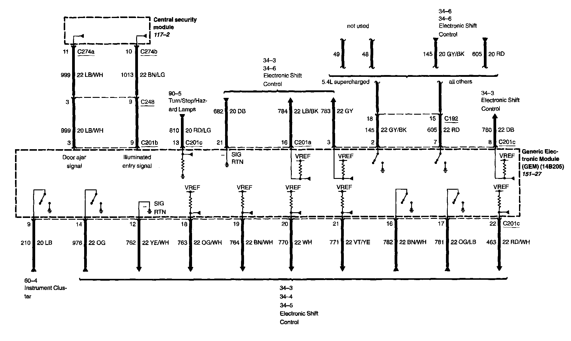
59-3:






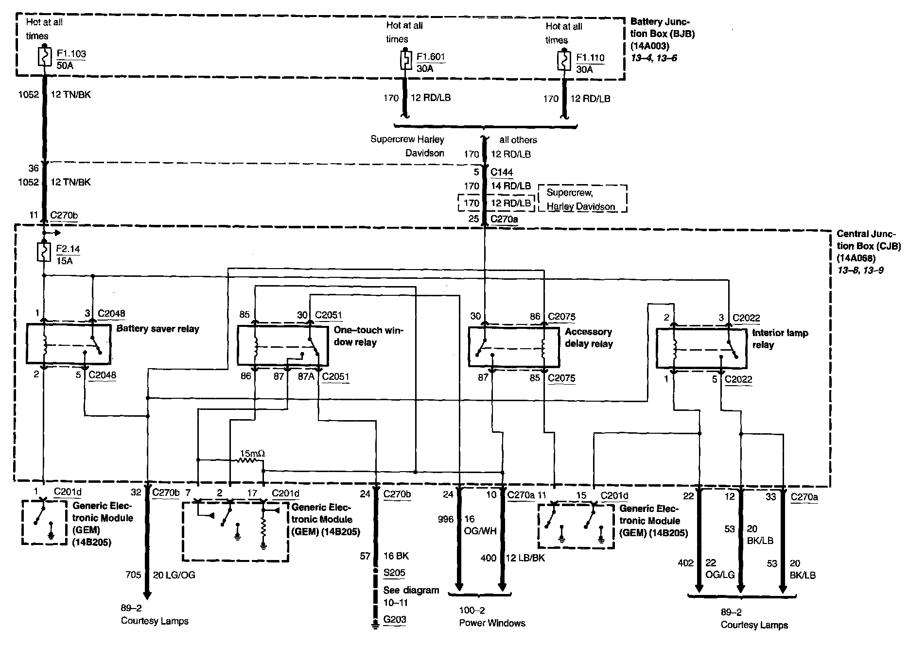
59-4:






59-5:






Diagrams -- Other diagrams referred to by number (See Diagram ##-#, etc.) within these diagrams can be found at Diagrams by Number.

Locations -- Location views (reference numbers starting with 151-) referred to within these diagrams can be found at Component Location Views.