Pinpoint Test E: DTC C1145 (RF), DTC C1155 (LF), DTC C1165 (RR), DTC C1175 (LR) - Wheel Speed Sensor Input Circuit Failure
Test Step
E1 CHECK THE SUSPECT WHEEL SPEED CIRCUIT FOR A SHORT TO POWER
- Key in OFF position.
- Disconnect: Traction Control Module C135.
- Disconnect: Suspect Wheel Speed Sensor.
- Key in ON position.
- Measure the voltage of the suspect wheel speed sensor circuit between:
- (RF) traction control module C135 pin 33, circuit 9-CF38 (BN/RD), harness side and ground; and between the traction control module C135 pin 34, circuit 8-CF38 (WH/RD), harness side and ground.
- (LF) traction control module C135 pin 45, circuit 8-CF32 (WH), harness side and ground; and between the traction control module C135 pin 46, circuit 9-CF32 (BN), harness side and ground.
- (RR) traction control module C135 pin 43, circuit 8-CF40 (WH/GN), harness side and ground; and between the traction control module C135 pin 42, circuit 9-CF40 (BN/GN), harness side and ground.
- (LR) traction control module C135 pin 36, circuit 8-CF34 (WH/BU), harness side and ground; and between the traction control module C135 pin 37, circuit 9-CF34 (BN/BU), harness side and ground.
- Is any voltage present?
Result / Action to Take
Yes
REPAIR the circuit(s) in question. CLEAR the DTCs. REPEAT the self-test. TEST the system for normal operation.
No
Go to E2.
Test Step
E2 CHECK THE SUSPECT WHEEL SPEED SENSOR CIRCUIT FOR A SHORT TO GROUND
- Key in OFF position.
- Measure the resistance of the suspect wheel speed sensor circuit between:
- (RF) traction control module C135 pin 33, circuit 9-CF38 (BN/RD), harness side and ground; and between the traction control module C135 pin 34, circuit 8-CF38 (WH/RD), harness side and ground.
- (LF) traction control module C135 pin 45, circuit 8-CF32 (WH), harness side and ground; and between the traction control module C135 pin 46, circuit 9-CF32 (BN), harness side and ground.
- (RR) traction control module C135 pin 43, circuit 8-CF40 (WH/GN), harness side and ground; and between the traction control module C135 pin 42, circuit 9-CF40 (BN/GN), harness side and ground.
- (LR) traction control module C135 pin 36, circuit 8-CF34 (WH/BU), harness side and ground; and between the traction control module C135 pin 37, circuit 9-CF34 (BN/BU), harness side and ground.
- Are the resistances greater than 10,000 ohms?
Result / Action to Take
Yes
Go to E3.
No
REPAIR the circuit(s) in question. CLEAR the DTCs. REPEAT the self-test. TEST the system for normal operation.
Test Step
E3 CHECK THE SUSPECT WHEEL SPEED SENSOR CIRCUIT FOR OPEN
- Measure the resistance of the suspect wheel speed sensor circuit between:
- (RF) traction control module C135 pin 33, circuit 9-CF38 (BN/RD), harness side and the RF wheel speed sensor C160 pin 1, circuit 9-CF38 (BN/RD), harness side: and between the traction control module C135 pin 34, circuit 8-CF38 (WH/RD), harness side and the RF wheel speed sensor C160 pin 2, circuit 8-CF38 (WH/RD), harness side.
- (LF) traction control module C135 pin 45, circuit 8-CF32 (WH), harness side and the LF wheel speed sensor C150 pin 2, circuit 8-CF32 (WH), harness side: and between the traction control module C135 pin 46, circuit 9-CF32 (BN), harness side and the LF wheel speed sensor C150 pin 1, circuit 9-CF32 (BN), harness side.
- (RR) traction control module C135 pin 43, circuit 8-CF40 (WH/GN), harness side and the RR wheel speed sensor C426 pin 2, circuit 8-CF40 (WH/GN), harness side: and between the traction control module C135 pin 42, circuit 9-CF40 (BN/GN), harness side and the RR wheel speed sensor C426 pin 1, circuit 9-CF40 (BN/GN), harness side.
- (LR) traction control module C135 pin 36, circuit 8-CF34 (WH/BU), harness side and the LR wheel speed sensor C440 pin 2, circuit 8-CF34 (WH/BU), harness side: and between the traction control module C135 pin 37, circuit 9-CF34 (BN/BU), harness side and the LR wheel speed sensor C440 pin 1, circuit 9-CF34 (BN/BU), harness side.
- Is the resistance less than 5 ohms?
Result / Action to Take
Yes
Go to E4.
No
REPAIR the circuit(s) in question. CLEAR the DTCs. REPEAT the self-test. TEST the system for normal operation.
Test Step
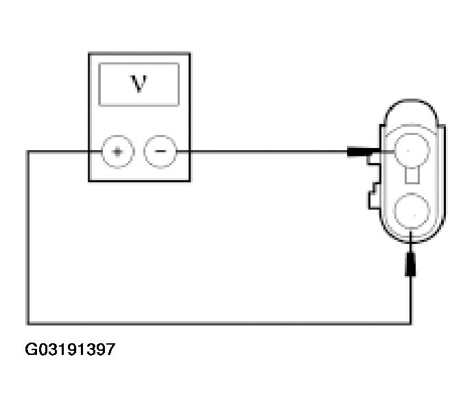
E4 CHECK THE TRACTION CONTROL MODULE OUTPUT
- Connect: Traction Control Module C135.
- Key in ON position.
- Measure the voltage between the suspect wheel speed sensor pins, harness side.
- Is the voltage less than 9 volts?
Result / Action to Take
Yes
INSTALL a new HCU. REFER to ANTI-LOCK CONTROL . CLEAR the DTCs. REPEAT the self-test. TEST the system for normal operation.
No
INSTALL a new wheel speed sensor. REFER to ANTI-LOCK CONTROL . CLEAR the DTCs. REPEAT the self-test. TEST the system for normal operation.