LEMON Manuals: Even more car manuals for everyone: 1960-2025
Home >> Ford >> 2003 >> Thunderbird V8-3.9L VIN A >> Repair and Diagnosis >> Heating and Air Conditioning >> Control Assembly >> Service and Repair
April 5, 2026: LEMON Manuals is launched! Read the announcement.

Control Assembly: Service and Repair

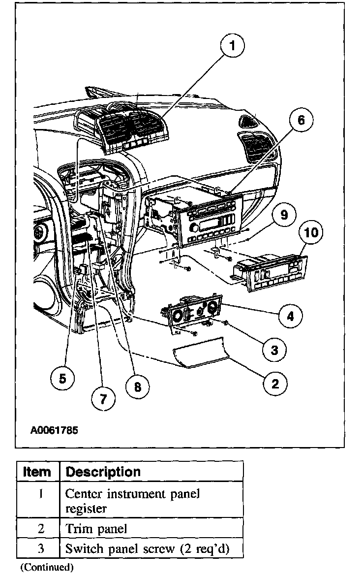
CLIMATE CONTROL ASSEMBLY

REMOVAL

NOTE: If installing a new climate control assembly (DATC module), the new module must be configured for the vehicle.


Part 1:






Part 2:






1. Remove the components in the order indicated in the illustration and table.

INSTALLATION
1. To install, reverse the removal procedure.