LEMON Manuals: Even more car manuals for everyone: 1960-2025
Home >> Ford >> 2003 >> Thunderbird >> Repair and Diagnosis >> Engine Mechanical >> Mechanical >> Engine - 3.9L >> Assembly >> Engine >> Notes
April 5, 2026: LEMON Manuals is launched! Read the announcement.

Engine - 3.9L: Assembly: Engine: Notes

Special Tool(s) 

Fig 1: Identifying Special Tool(s) (1 Of 2)
G01528277Courtesy of FORD MOTOR CO.
Fig 2: Identifying Special Tool(s) (2 Of 2)
G01528278Courtesy of FORD MOTOR CO.
Fig 3: Material Chart
G01528279Courtesy of FORD MOTOR CO.
  1. Install the components in the order indicated in the following illustration.
    Fig 4: Engine Components Assemble Procedure (Items 1-7)
    G01528280Courtesy of FORD MOTOR CO.
  2. Install the components in the order indicated in the following illustration.
    Fig 5: Engine Components Assemble Procedure (Items 8-23)
    G01528281Courtesy of FORD MOTOR CO.
  3. Install the components in the order indicated in the following illustration.
    Fig 6: Engine Components Assemble Procedure (Items 24-38)
    G01528282Courtesy of FORD MOTOR CO.
  4. Remove the components in the order indicated in the following illustration.
    Fig 7: Engine Components Assemble Procedure (Items 39-44)
    G01528283Courtesy of FORD MOTOR CO.
  5. Install the components in the order indicated in the following illustration.
    Fig 8: Engine Components Assemble Procedure (Items 45-52)
    G01528284Courtesy of FORD MOTOR CO.
  6. Install the components in the order indicated in the following illustration.
    Fig 9: Engine Components Assemble Procedure (Items 53-58)
    G01528285Courtesy of FORD MOTOR CO.
  7. Install the components in the order indicated in the following illustration.
    Fig 10: Engine Components Assemble Procedure (Items 59-61)
    G01528286Courtesy of FORD MOTOR CO.
  8. Install the components in the order indicated in the following illustration.
    Fig 11: Engine Components Assemble Procedure (Items 62-67)
    G01528287Courtesy of FORD MOTOR CO.
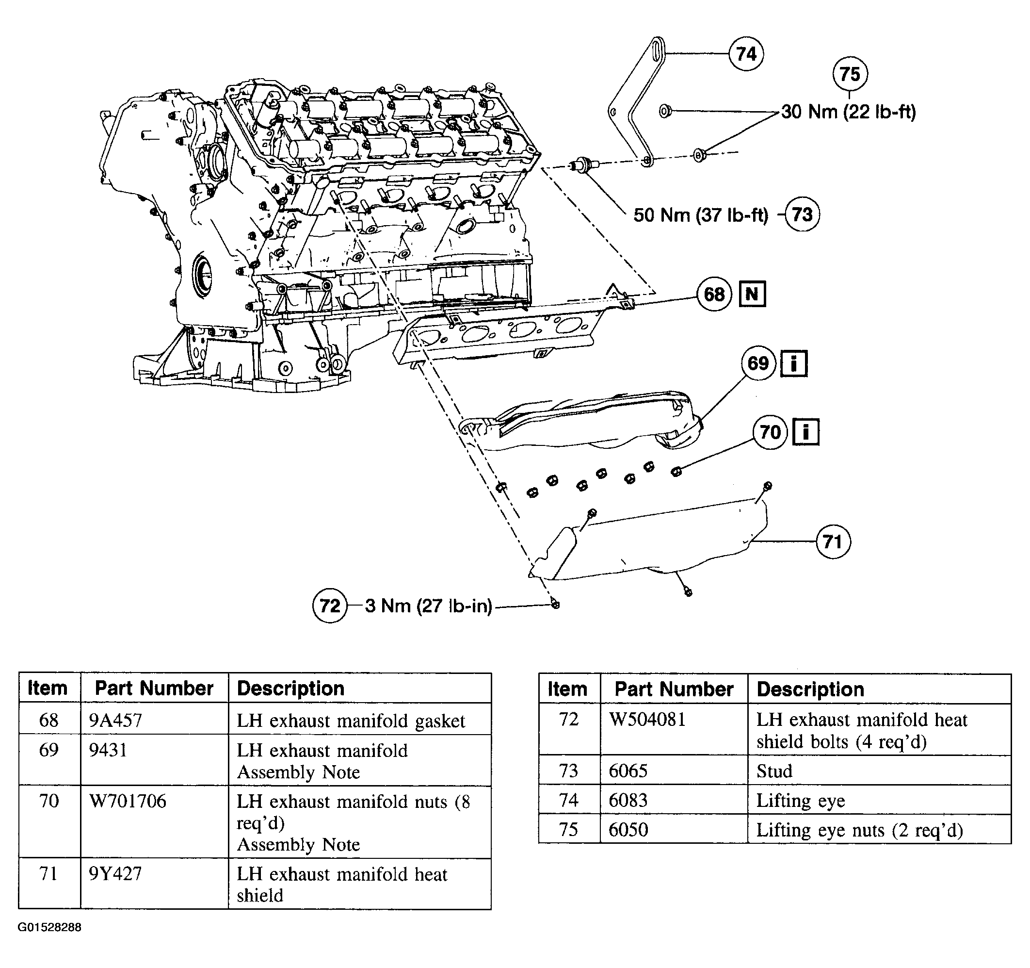
  9. Install the components in the order indicated in the following illustration.
    Fig 12: Engine Components Assemble Procedure (Items 66-75)
    G01528288Courtesy of FORD MOTOR CO.
  10. Install the components in the order indicated in the following illustration.
    Fig 13: Engine Components Assemble Procedure (Items 76-82)
    G01528289Courtesy of FORD MOTOR CO.
  11. Install the components in the order indicated in the following illustration.
    Fig 14: Engine Components Assemble Procedure (Items 83-90)
    G01528290Courtesy of FORD MOTOR CO.
  12. Install the components in the order indicated in the following illustration.
    Fig 15: Engine Components Assemble Procedure (Items 91-94)
    G01528291Courtesy of FORD MOTOR CO.
  13. Install the components in the order indicated in the following illustration.
    Fig 16: Engine Components Assemble Procedure (Items 95-100)
    G01528292Courtesy of FORD MOTOR CO.
  14. Install the components in the order indicated in the following illustration.
    Fig 17: Engine Components Assemble Procedure (Items 101-104)
    G01528293Courtesy of FORD MOTOR CO.
  15. Install the components in the order indicated in the following illustration.
    Fig 18: Engine Components Assemble Procedure (Items 105-117)
    G01528294Courtesy of FORD MOTOR CO.
  16. Install the components in the order indicated in the following illustration.
    Fig 19: Engine Components Assemble Procedure (Items 118-122)
    G01528295Courtesy of FORD MOTOR CO.
  17. Install the components in the order indicated in the following illustration.
    Fig 20: Engine Components Assemble Procedure (Items 123-126)
    G01528296Courtesy of FORD MOTOR CO.
  18. Install the components in the order indicated in the following illustration.
    Fig 21: Engine Components Assemble Procedure (Items 127-138)
    G01528297Courtesy of FORD MOTOR CO.
  19. Install the components in the order indicated in the following illustration.
    Fig 22: Engine Components Assemble Procedure (Items 134-138)
    G01528298Courtesy of FORD MOTOR CO.
  20. Install the components in the order indicated in the following illustration.
    Fig 23: Engine Components Assemble Procedure (Items 139-143)
    G01528299Courtesy of FORD MOTOR CO.
  21. Install the components in the order indicated in the following illustration.
    Fig 24: Engine Components Assemble Procedure (Items 144-150)
    G01528300Courtesy of FORD MOTOR CO.
  22. Install the components in the order indicated in the following illustration.
    Fig 25: Engine Components Assemble Procedure (Items 151-159)
    G01528301Courtesy of FORD MOTOR CO.
  23. Install the components in the order indicated in the following illustration.
    Fig 26: Engine Components Assemble Procedure (Items 160-169)
    G01528302Courtesy of FORD MOTOR CO.
  24. Install the components in the order indicated in the following illustration.
    Fig 27: Engine Components Assemble Procedure (Items 170-172)
    G01528303Courtesy of FORD MOTOR CO.