LEMON Manuals: Even more car manuals for everyone: 1960-2025
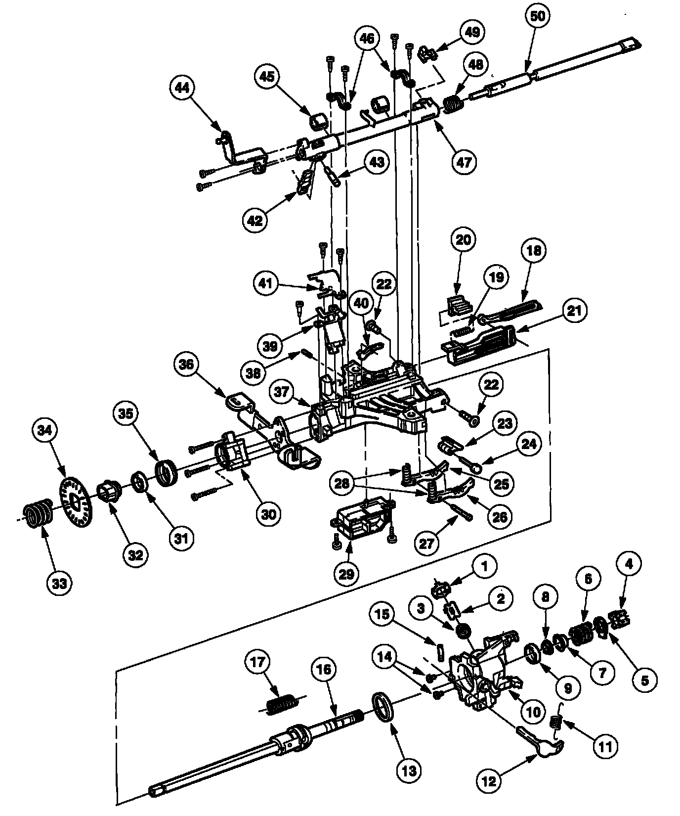
Home >> Ford >> 2003 >> Windstar V6-3.8L VIN 4 >> Repair and Diagnosis >> Diagrams >> Exploded Views >> Steering Column
April 5, 2026: LEMON Manuals is launched! Read the announcement.

Steering Column