LEMON Manuals: Even more car manuals for everyone: 1960-2025
Home >> Ford >> 2003 >> ZX2 Automatic >> Repair and Diagnosis >> External Pages >> Different car >> Section 339 (Engine-3.0L) >> Assembly >> Engine >> Items 20-33: Timing Drive Components Assembly Note
April 5, 2026: LEMON Manuals is launched! Read the announcement.

Items 20-33: Timing Drive Components Assembly Note

WARNING: This page is about a different car, the 2003 Lincoln LS. However, it is still accessible from the selected car via links, so may be relevant.
  1. If timing marks in the timing chains are not evident, use a permanent-type marker to mark the crankshaft and camshaft timing marks on the LH and RH timing chains.
    1. Mark any link to use as the exhaust camshaft timing mark.
    2. Starting with the exhaust camshaft timing mark, count 16 links and mark the link as the intake camshaft sprocket timing mark.
    3. Starting with the intake camshaft timing mark, count 25 links and mark the link as the crankshaft sprocket timing mark.
    Fig 1: Identifying Timing Chain Marks
    G01285894Courtesy of FORD MOTOR CO.
  2. Verify that the crankshaft keyway is in the eleven o'clock position.
    Fig 2: Verifying Crankshaft Keyway Is In Eleven O'Clock Position
    G01285895Courtesy of FORD MOTOR CO.
  3. CAUTION: The crankshaft keyway must remain in the eleven o'clock position until the cams are located in the neutral position, or damage to the valves can occur.
    Fig 3: Rotating LH And RH Intake And Exhaust Camshafts To Locate In Their Neutral Positions
    G01285896Courtesy of FORD MOTOR CO.
  4. Rotate the LH and RH intake and exhaust camshafts to locate them in their neutral positions.
  5. NOTE: Gold colored bolt must be installed in its original location.
    Fig 4: Installing LH VCT Solenoid Housing Assembly And Bolts
    G01285897Courtesy of FORD MOTOR CO.
  6. Install the LH VCT solenoid housing assembly and the bolts.
  7. Install the LH timing chain, aligning the copper (or marked) link with the marks on the camshaft and crankshaft sprockets.
    Fig 5: Installing LH Timing Chain
    G01285898Courtesy of FORD MOTOR CO.
  8. Install the LH timing chain tensioner arm.
    Fig 6: Installing LH Timing Chain Tensioner Arm
    G01285899Courtesy of FORD MOTOR CO.
  9. NOTE: Be sure to position the tensioner so that the tensioner piston is fully engaged in the tensioner arm.
    Fig 7: Installing LH Timing Chain Tensioner And Bolts
    G01285900Courtesy of FORD MOTOR CO.
  10. Install the LH timing chain tensioner and bolts.
  11. Remove the wire or paper clip from the tensioner.
    Fig 8: Removing Wire Or Paper Clip From Tensioner
    G01285901Courtesy of FORD MOTOR CO.
  12. Rotate the crankshaft clockwise and position the keyway at the three o'clock position for RH timing chain installation.
    Fig 9: Rotating Crankshaft Clockwise And Position Keyway At Three O'Clock Position For RH Timing Chain
    G01285902Courtesy of FORD MOTOR CO.
  13. Verify that the copper (or marked) links on the LH timing chain are in alignment with the timing index marks on the camshaft and crankshaft sprockets.
    Fig 10: Verifying Copper (Or Marked) Links On LH Timing Chain
    G01285903Courtesy of FORD MOTOR CO.
  14. Install the RH VCT solenoid housing assembly and bolts.
    Fig 11: Installing RH VCT Solenoid Housing Assembly And Bolts
    G01285904Courtesy of FORD MOTOR CO.
  15. Install the RH timing chain, aligning the copper (or marked) links with the marks on the camshaft and crankshaft sprockets.
    Fig 12: Installing RH Timing Chain
    G01285905Courtesy of FORD MOTOR CO.
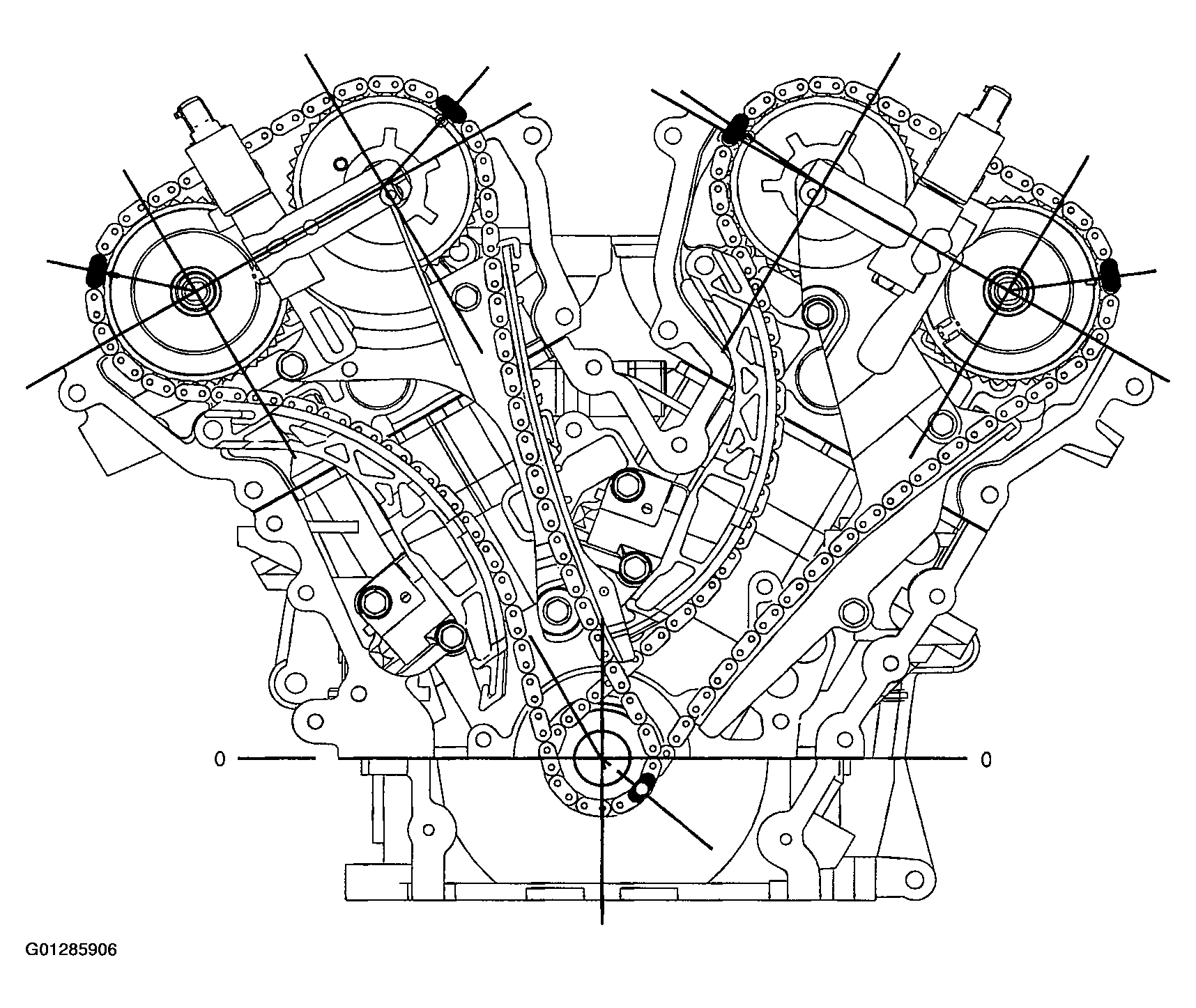
  16. Verify that the copper or (marked) links on the RH timing chain are in alignment with the timing marks on the camshaft and crankshaft sprockets.
    Fig 13: Verifying Copper Or (Marked) Links On RH Timing Chain Are In Alignment
    G01285906Courtesy of FORD MOTOR CO.
  17. Install the RH timing chain tensioner arm.
    Fig 14: Installing RH Timing Chain Tensioner Arm
    G01285907Courtesy of FORD MOTOR CO.
  18. Install the RH timing chain tensioner and bolts.
    Fig 15: Installing RH Timing Chain Tensioner And Bolts
    G01285908Courtesy of FORD MOTOR CO.
  19. Remove the wire or paper clip from the RH timing chain tensioner.
    Fig 16: Removing Wire Or Paper Clip From RH Timing Chain Tensioner
    G01285909Courtesy of FORD MOTOR CO.
  20. Install the ignition pulse wheel using the orange marked keyway slot and the teeth facing forward.
Fig 17: Installing Ignition Pulse Wheel Using Orange Marked Keyway Slot And Teeth Facing Forward
G01285910Courtesy of FORD MOTOR CO.