Pinpoint Test A: No Communication With The Generic Electronic Module (Gem)
WARNING: This page is about a different car, the 2004 Ford Focus. However, it is still accessible from the selected car via links, so may be relevant.
A1 CHECK CIRCUIT 29-DK20 (OG/GN) AND CIRCUIT 29-AA17 (OG/WH) FOR VOLTAGE
- Key in OFF position.
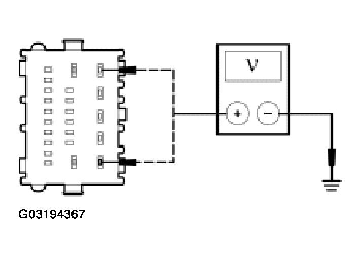
- Disconnect: GEM C201c.
- Key in ON position.
- Measure the voltage between GEM C201 c pin 5, circuit 29-DK20 (OG/GN), harness side and ground and GEM C201 c pin 1, circuit 29-AA17 (OG/WH), harness side and ground.
- Is the voltage greater than 10 volts?
Yes
GO to A2.
No
REPAIR the circuit in question. CLEAR the DTCs. REPEAT the self-test.
A2 CHECK GEM CIRCUIT 31-DK20 (BK) FOR OPEN
- Key in OFF position.
- Disconnect: GEM C201a.
- Measure the resistance between GEM C201 a pin 5, circuit 31-DK20 (BK), harness side and ground.
- Is the resistance less than 5 ohms?
Yes
GO to A3.
No
REPAIR the circuit. CLEAR the DTCs. REPEAT the self-test.
A3 CHECK GEM CIRCUIT 91-DK20 (BK/RD) FOR OPEN
- Measure the resistance between GEM C201 d pin 1, circuit 91-DK20 (BK/RD), harness side and ground.
- Is the resistance less than 5 ohms?
Yes
REFER to MODULE COMMUNICATIONS NETWORK to continue communication diagnosis.
No
REPAIR the circuit. CLEAR the DTCs. REPEAT the self-test.