LEMON Manuals: Even more car manuals for everyone: 1960-2025
Home >> Ford >> 2004 >> Excursion 2WD V8-6.0L DSL Turbo VIN P >> Repair and Diagnosis >> Powertrain Management >> Computers and Control Systems >> Relays and Modules - Computers and Control Systems >> Engine Control Module >> Locations >> Powertrain Control Module (PCM)
April 5, 2026: LEMON Manuals is launched! Read the announcement.

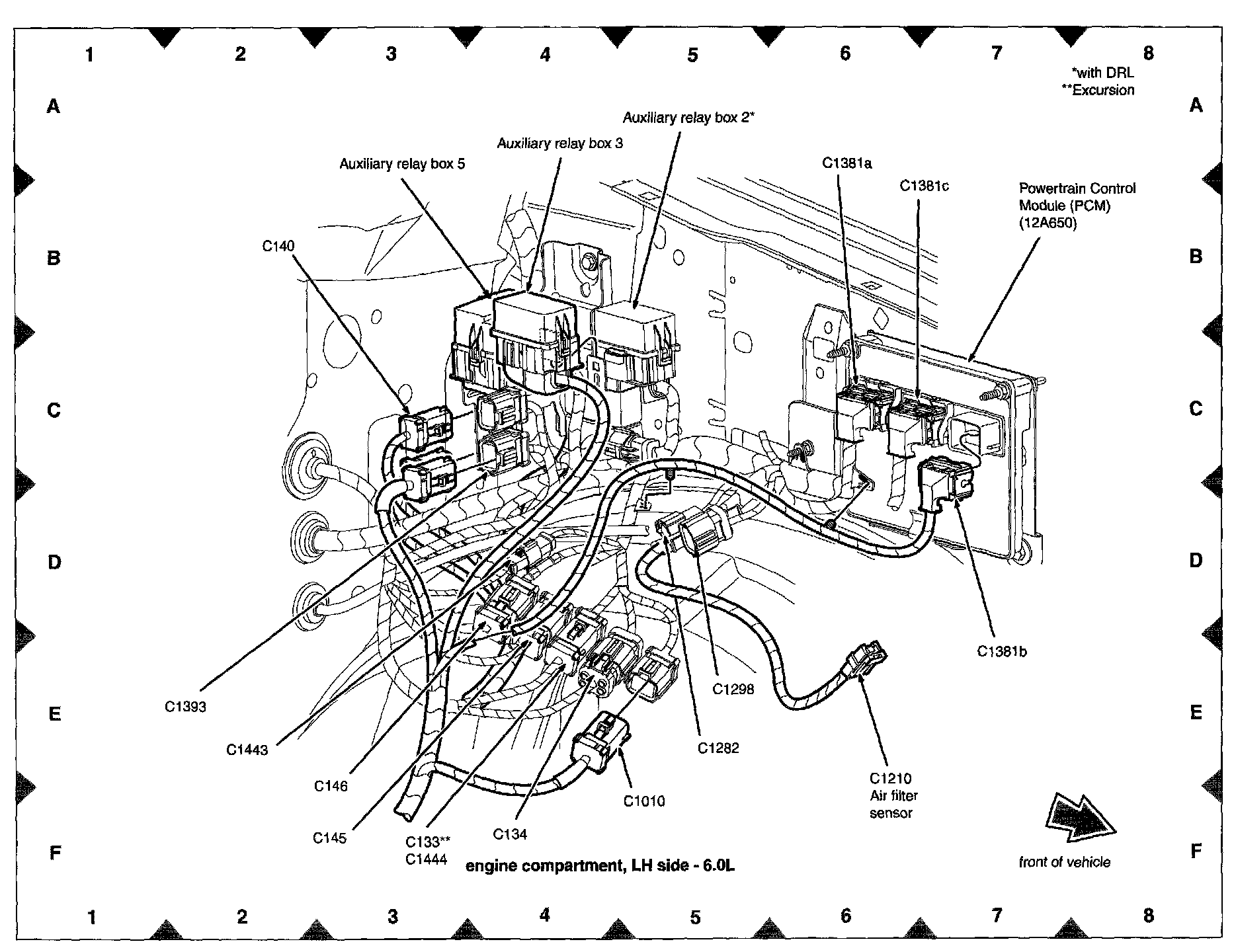
Powertrain Control Module (PCM)

View 151-20: