LEMON Manuals: Even more car manuals for everyone: 1960-2025
Home >> Ford >> 2004 >> Excursion 4WD V8-5.4L SOHC VIN L >> Repair and Diagnosis >> Specifications >> Mechanical Specifications >> Engine >> System Specifications >> Torque Specifications
April 5, 2026: LEMON Manuals is launched! Read the announcement.

Torque Specifications

Torque Specifications



















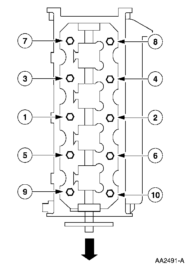
LH cylinder head

Must use new Cylinder Head bolts

NOTE: Make sure to tighten the bolts in sequence in three stages.

Tighten the LH bolts in the sequence shown.
^ Stage 1: Tighten to 40 Nm (30 ft. lbs.).
^ Stage 2: Tighten an additional 90°.
^ Stage 3: Tighten an additional 90°.





RH cylinder head

Must use new Cylinder Head bolts

NOTE: Make sure to tighten the bolts in the following three stages.

Tighten the RH bolts in the sequence shown.
^ Stage 1: Tighten to 40 Nm (30 ft. lbs.).
^ Stage 2: Tighten an additional 90°.
^ Stage 3: Tighten an additional 90°.





Intake Manifold
Tighten the bolts in two stages, in the sequence shown.
^ Stage 1: Tighten to 2 Nm (18 inch lbs.).
^ Stage 2: Tighten to 25 Nm (18 ft. lbs.).





Camshaft Bearing Caps
Tighten the bolts in the sequence shown.
Tighten to 10 Nm (89 in.lbs.)





Crankshaft Vertical Main Bearing Cap
Install the main bearing cap fasteners and tighten in the sequence shown.
Tighten to 40 Nm (30 ft. lbs.).
Tighten an additional 90 degrees.





Crankshaft Horizontal Main Bearing Cap
Install the side bolts and tighten them in the sequence shown.
Tighten to 30 Nm (22 ft. lbs.).
Tighten an additional 90 degrees.





Connecting Rod Caps
Install the new bolts loosely.
Tighten the bolts in two stages, using the sequence shown.
^ Stage 1: Tighten to 43 Nm (32 ft. lbs.).
^ Stage 2: Tighten an additional 105°.





Crankshaft Pulley
Install a new crankshaft pulley bolt and tighten the bolt in four stages.
^ Stage 1: Tighten to 90 Nm (66 ft. lbs.).
^ Stage 2: Loosen the bolt.
^ Stage 3: Tighten to 50 Nm (37 ft. lbs.).
^ Stage 4: Tighten an additional 90°.





Flexplate/Flywheel
Position the flexplate and loosely install the bolts.
Tighten the bolts in sequence shown.
Tighten to 80 Nm (59 ft.lbs.)





Oil pump
Oil pump bolts 10 Nm (89 inch lbs.)
Tighten the bolts in the sequence shown.





Exhaust Manifold RH
To install, reverse the removal procedure.
Tighten the exhaust manifold nuts in the sequence shown.
Tighten to 25 Nm (18 ft. lbs.)





Exhaust Manifold LH
To install, reverse the removal procedure.
Tighten the exhaust manifold nuts in the sequence shown.
Tighten to 25 Nm (18 ft. lbs.)





Water Pump bolts 25 Nm (18 ft. lbs.)