LEMON Manuals: Even more car manuals for everyone: 1960-2025
Home >> Ford >> 2004 >> Excursion 6.0 P, 4WD >> Repair and Diagnosis >> External Pages >> Different car >> Section 1777 (Cruise Control System) >> Diagnostic Tests >> Speed Control - Hybrid >> Pinpoint Tests >> Pinpoint Test J: The Speed Control Is Inoperative >> Pinpoint Test J: The Speed Control Is Inoperative
April 5, 2026: LEMON Manuals is launched! Read the announcement.

Pinpoint Test J: The Speed Control Is Inoperative

WARNING: This page is about a different car, the 2007 Mercury Mariner and 2007 Ford Escape. However, it is still accessible from the selected car via links, so may be relevant.
CAUTION: Use the correct probe adaptor(s) when making measurements. Failure to use the correct probe adaptor(s) may damage the connectors.
  1. J1 VERIFY POWERTRAIN CONTROL MODULE (PCM) CONFIGURATION 
    • Enter the following diagnostic mode on the diagnostic tool: Programmable Parameters
    • Verify that the speed control is enabled in the PCM.
    • Is the speed control enabled? 
    1. YES  : Go to  J2.
    2. NO  : ENABLE the speed control in the PCM using the scan tool programmable parameters menu. If no parameter exists, REFER to MODULE CONFIGURATION article to carry out PCM programmable module installation (PMI). TEST the system for normal operation.
  2. J2 CHECK THE PARKING BRAKE WARNING INDICATOR 
    • Key in ON position.
    • Apply and release the parking brake while observing the brake warning indicator.
    • Does the brake warning indicator operate correctly? 
    1. YES  : Go to  J3.
    2. NO  : REFER to INSTRUMENT CLUSTER article.
  3. J3 CHECK CIRCUITS 151 (LB/BK) AND 848 (DG/OG) FOR A SHORT TO VOLTAGE 
    • Key in OFF position.
    • Disconnect: PCM C175b
    • Remove the driver air bag. Refer to SUPPLEMENTAL RESTRAINT SYSTEM article.
    • Connect: Restraint System Diagnostic Tool 418-F403
    • Disconnect: Clockspring C218a
    • WARNING: Make sure there is no one inside the vehicle and that there is nothing blocking or set in front of any air bag module when the battery is connected. Failure to follow these instructions may result in personal injury.
    • Connect the battery.
    • Key in ON position.
    • Fig 1: Checking Circuit For Voltage
      G03883128Courtesy of FORD MOTOR CO.
    • Measure the voltage between the PCM C175b-19, circuit 848 (DG/OG), harness side and ground; and between the PCM C175b-30, circuit 151 (LB/BK), harness side and ground.
    • Is any voltage present? 
    1. YES  : DISCONNECT the battery. REFER to BATTERY, MOUNTING AND CABLES article. REPAIR the circuit in question. INSTALL the driver air bag. REFER to SUPPLEMENTAL RESTRAINT SYSTEM article. CLEAR the DTCs. REPEAT the self-test.
    2. NO  : Go to  J4.
  4. J4 CHECK CIRCUITS 151 (LB/BK) AND 848 (DG/OG) FOR A SHORT TO GROUND 
    • Key in OFF position.
    • Fig 2: Checking Circuits For Short To Ground
      G03883131Courtesy of FORD MOTOR CO.
    • Measure the resistance between the PCM C175b-19, circuit 848 (DG/OG), harness side and ground; and between the PCM C175b-30, circuit 151 (LB/BK), harness side and ground.
    • Are the resistances greater than 10,000 ohms? 
    1. YES  : Go to  J5.
    2. NO  : DISCONNECT the battery. REFER to BATTERY, MOUNTING AND CABLES article. REPAIR the circuit in question. INSTALL the driver air bag. REFER to SUPPLEMENTAL RESTRAINT SYSTEM article. CLEAR the DTCs. REPEAT the self-test
  5. J5 CHECK CIRCUITS 151 (LB/BK) AND 848 (DG/OG) FOR AN OPEN 
      Fig 3: Checking Circuit For Open
      GF0025558Courtesy of FORD MOTOR CO.
    • Measure the resistance between the PCM C175b-19, circuit 848 (DG/OG), harness side and the clockspring C218a-3, circuit 848 (DG/OG), harness side; and between the PCM C175b-30, circuit 151 (LB/BK), harness side and the clockspring C218a-2, circuit 151 (LB/BK), harness side.
    • Are the resistances less than 5 ohms? 
    1. YES  : Go to  J6.
    2. NO  : DISCONNECT the battery. REFER to BATTERY, MOUNTING AND CABLES article. REPAIR the circuit in question. INSTALL the driver air bag. REFER to SUPPLEMENTAL RESTRAINT SYSTEM article. CLEAR the DTCs. REPEAT the self-test.
  6. J6 CHECK THE CLOCKSPRING 
    • Disconnect: Upper Clockspring
    • Fig 4: Checking Clockspring
      GF0025559Courtesy of FORD MOTOR CO.
    • Measure the resistance between the clockspring C218a pin 2, circuit 151 (LB/BK), component side and the upper clockspring pin 4, component side; and between the clockspring C218a pin 3, circuit 848 (DG/OG), component side and the upper clockspring pin 5, component side.
    • Are the resistances less than 5 ohms? 
    1. YES  : Go to  J7.
    2. NO  : DISCONNECT the battery. REFER to BATTERY, MOUNTING AND CABLES article. INSTALL a new clockspring. REFER to SUPPLEMENTAL RESTRAINT SYSTEM article. INSTALL the driver air bag. REFER to SUPPLEMENTAL RESTRAINT SYSTEM article. CLEAR the DTCs. REPEAT the self-test.
  7. J7 CHECK THE SPEED CONTROL SWITCH WIRING HARNESS 
    • Disconnect: Speed Control Switch Wiring Harness
    • Inspect the speed control switch wiring harness for shorts, opens or any damage.
    • Is the speed control switch wiring harness OK? 
    1. YES  : Go to  J8.
    2. NO  : DISCONNECT the battery. REFER to BATTERY, MOUNTING AND CABLES article. REPAIR or INSTALL a new speed control switch wiring harness. INSTALL the driver air bag. REFER to SUPPLEMENTAL RESTRAINT SYSTEM article. CLEAR the DTCs. REPEAT the self-test.
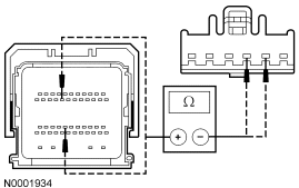
  8. J8 CHECK THE SPEED CONTROL SWITCH 
    • Connect: Horn Switch Wiring Harness
    • Fig 5: Checking Speed Control Switch
      GF0025560Courtesy of FORD MOTOR CO.
    • Measure the resistance between the horn switch wiring harness connector pin 4, harness side and the horn switch wiring harness connector pin 5, harness side while pressing the switch as follows:
      Speed Control Switch Resistance Value
      CANCEL 114 - 126 ohms
      CST 285 - 315 ohms
      SET/ACC 570 - 630 ohms
      RSM 1,054 - 1,166 ohms
      ON 2,004 - 2,216 ohms
      OFF Less than 5 ohms
    • Are the speed control switch resistance values OK? 
    1. YES  : Go to  J9.
    2. NO  : DISCONNECT the battery. REFER to BATTERY, MOUNTING AND CABLES article. INSTALL a new speed control switch. REFER to Speed Control Switch . INSTALL the driver air bag. REFER to SUPPLEMENTAL RESTRAINT SYSTEM article. CLEAR the DTCs. REPEAT the self-test.
  9. J9 CHECK CIRCUIT 511 (LG) FOR AN OPEN 
      Fig 6: Checking Circuit For Open
      GF0025561Courtesy of FORD MOTOR CO.
    • Measure the voltage between the PCM C175b-8, circuit 511 (LG), harness side and ground, while firmly applying the brake pedal.
    • Is the voltage greater than 10 volts? 
    1. YES  : Go to  J10.
    2. NO  : DISCONNECT the battery. REFER to BATTERY, MOUNTING AND CABLES article. REPAIR the circuit. INSTALL the driver air bag. REFER to SUPPLEMENTAL RESTRAINT SYSTEM article. CLEAR the DTCs. REPEAT the self-test.
  10. J10 CHECK THE SPEED CONTROL DEACTIVATOR SWITCH CIRCUITRY 
      Fig 7: Checking Circuit For Voltage
      GF0025562Courtesy of FORD MOTOR CO.
    • Measure the voltage between the PCM C175b-20, circuit 248 (TN/OG), harness side and ground, while firmly applying and releasing the brake pedal.
    • Is the voltage 0 volts with the brake pedal applied, and greater than 10 volts with the brake pedal released? 
    1. YES  : Go to  J14.
    2. NO  : Go to  J11.
  11. J11 CHECK THE SPEED CONTROL DEACTIVATOR SWITCH  
    • Disconnect: Speed Control Deactivator Switch C277
    • Fig 8: Checking Speed Control Deactivator Switch
      GF0025554Courtesy of FORD MOTOR CO.
    • Measure the resistance between the speed control deactivator switch pins, component side, while firmly applying and releasing the brake pedal.
    • Is the resistance greater than 10,000 ohms with the brake pedal applied, and less than 5 ohms with the brake pedal released?  
    1. YES  : Go to  J12.
    2. NO  : DISCONNECT the battery. REFER to BATTERY, MOUNTING AND CABLES article. INSTALL a new deactivator switch. REFER to Speed Control Deactivator Switch  in this section. INSTALL the driver air bag. REFER to SUPPLEMENTAL RESTRAINT SYSTEM article. CLEAR the DTCs. REPEAT the self-test.
  12. J12 CHECK CIRCUIT 248 (TN/OG) FOR AN OPEN 
      Fig 9: Checking Circuit For Open
      GF0025563Courtesy of FORD MOTOR CO.
    • Measure the resistance between the PCM C175b-20, circuit 248 (TN/OG), harness side and the speed control deactivator switch C277-1, circuit 248 (TN/OG), harness side.
    • Is the resistance less than 5 ohms? 
    1. YES  : Go to  J13.
    2. NO  : DISCONNECT the battery. REFER to BATTERY, MOUNTING AND CABLES article. REPAIR the circuit. INSTALL the driver air bag. REFER to SUPPLEMENTAL RESTRAINT SYSTEM article. CLEAR the DTCs. REPEAT the self-test.
  13. J13 CHECK CIRCUIT 10 (LG/RD) FOR VOLTAGE 
    • Key in ON position.
    • Fig 10: Checking Circuit For Voltage
      GF0014220Courtesy of FORD MOTOR CO.
    • Measure the voltage between the speed control deactivator switch C277-2, circuit 10 (LG/RD), harness side and ground.
    • Is the voltage greater than 10 volts? 
    1. YES  : Go to  J14.
    2. NO  : VERIFY the SJB fuse 6 (15A) is OK. If OK, DISCONNECT the battery. REFER to BATTERY, MOUNTING AND CABLES article. REPAIR the circuit. INSTALL the driver air bag. REFER to SUPPLEMENTAL RESTRAINT SYSTEM article. CLEAR the DTCs. REPEAT the self-test.
  14. J14 CHECK FOR CORRECT PCM OPERATION 
    • Disconnect all the PCM connectors.
    • Check for:
      • corrosion
      • damaged pins
      • pushed-out pins
    • Connect all PCM connectors and make sure they seat correctly.
    • Disconnect the battery. Refer to BATTERY, MOUNTING AND CABLES article. Install the driver air bag. Refer to SUPPLEMENTAL RESTRAINT SYSTEM article.
    • Operate the system and verify the concern is still present.
    • Is the concern still present? 
    1. YES  : INSTALL a new PCM. REFER to ELECTRONIC ENGINE CONTROLS - HYBRID article. INSTALL the driver air bag. REFER to SUPPLEMENTAL RESTRAINT SYSTEM article. CLEAR the DTCs. REPEAT the self-test.
    2. NO  : The system is operating correctly at this time. The concern may have been caused by a loose or corroded connector. INSTALL the driver air bag. REFER to SUPPLEMENTAL RESTRAINT SYSTEM article. CLEAR the DTCs. REPEAT the self-test.