LEMON Manuals: Even more car manuals for everyone: 1960-2025
Home >> Ford >> 2004 >> Explorer 2WD V6-4.0L VIN E >> Repair and Diagnosis >> Diagrams >> Components >> Component Location Views >> View 151-21
April 5, 2026: LEMON Manuals is launched! Read the announcement.

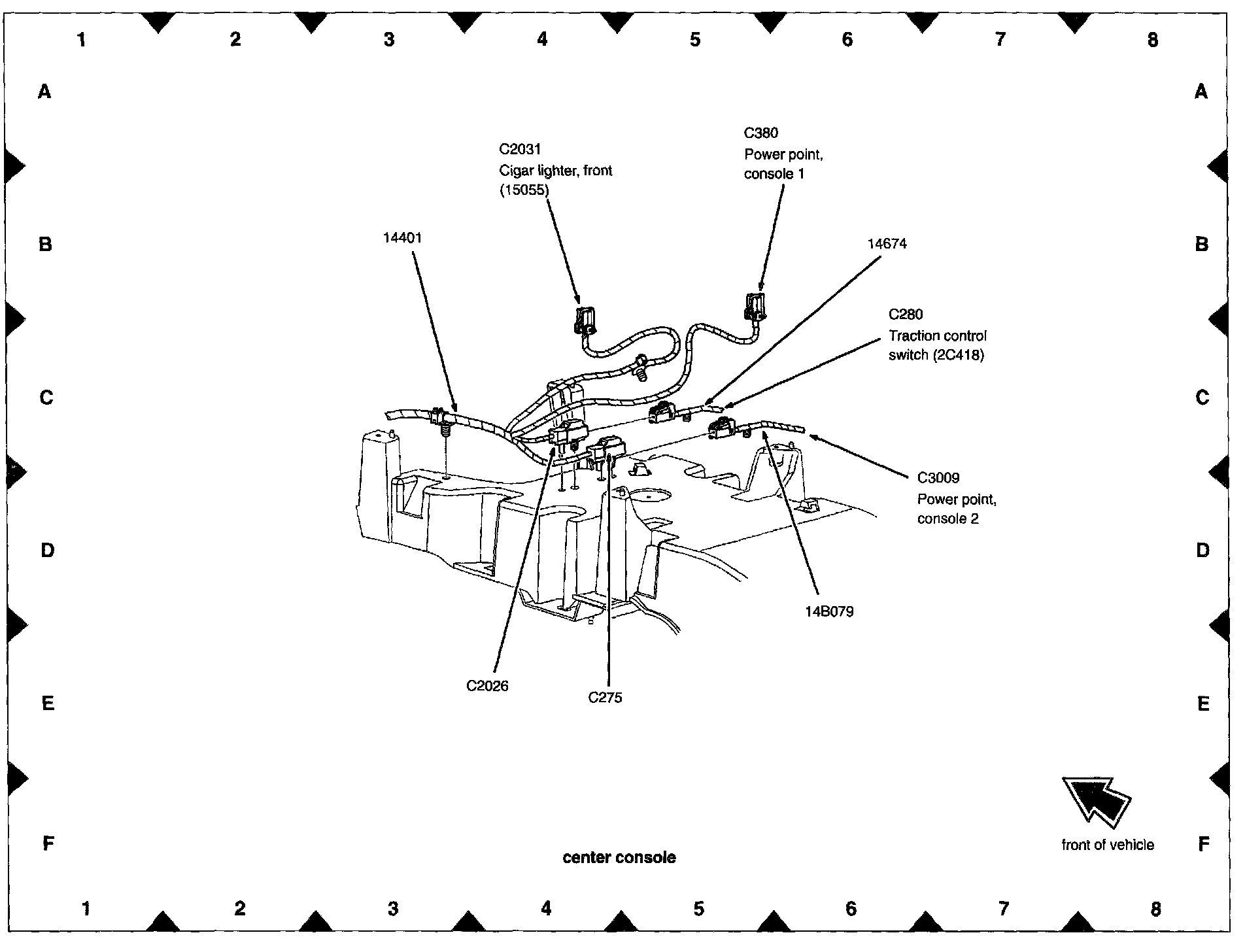
View 151-21

View 151-21: