LEMON Manuals: Even more car manuals for everyone: 1960-2025
Home >> Ford >> 2004 >> Freestar Base >> Repair and Diagnosis >> External Pages >> Different car >> Section 1707 (Exterior Lighting System) >> Diagnostic Tests >> Headlamps >> Pinpoint Tests >> Pinpoint Test G: The Flash-To-Pass Feature Is Inoperative >> Pinpoint Test G: The Flash-To-Pass Feature Is Inoperative
April 5, 2026: LEMON Manuals is launched! Read the announcement.

Pinpoint Test G: The Flash-To-Pass Feature Is Inoperative

WARNING: This page is about a different car, the 2007 Mercury Mariner and 2007 Ford Escape. However, it is still accessible from the selected car via links, so may be relevant.
CAUTION: Use the correct probe adapter(s) when making measurements. Failure to use the correct probe adapter(s) may damage the connector.
  1. G1 VERIFY THE HEADLAMP OPERATION 
    • Key in ON position.
    • NOTE: Make sure the multifunction switch is in the LOW BEAM position.
    • Place the multifunction switch in the HEADLAMPS ON position.
    • Place the multifunction switch in the HIGH BEAM and then LOW BEAM positions while observing the headlamps.
    • Do the high beam and low beam headlamps operate correctly? 
    1. YES  : Go to  G2.
    2. NO  : Go to Symptom Chart  for correct diagnosis.
  2. G2 CHECK THE MULTIFUNCTION SWITCH 
    • Key in OFF position.
    • Disconnect: Multifunction Switch C2080
    • Fig 1: Connecting Fused Jumper Wire
      GF0025960Courtesy of FORD MOTOR CO.
    • Connect a fused (5A) jumper wire between the multifunction switch C2080-1, circuit 196 (DB/OG), harness side and the multifunction switch C2080-10, circuit 570 (BK/WH), harness side.
    • Do the high beam headlamps illuminate? 
    1. YES  : INSTALL a new multifunction switch. REFER to STEERING COLUMN SWITCHES article. TEST the system for normal operation.
    2. NO  : REMOVE the jumper wire. Go to  G3 .
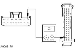
  3. G3 CHECK CIRCUIT 196 (DB/OG) FOR AN OPEN 
    • Disconnect: SJB C2280e
    • Fig 2: Checking Circuit For Open
      GF0025961Courtesy of FORD MOTOR CO.
    • Measure the resistance between the multifunction switch C2080-1, circuit 196 (DB/OG), harness side and the SJB C2280e-15, circuit 196 (DB/OG), harness side.
    • Is the resistance less than 5 ohms? 
    1. YES  : Go to  G4.
    2. NO  : REPAIR the circuit. TEST the system for normal operation.
  4. G4 CHECK FOR CORRECT SJB OPERATION 
    • Disconnect all the SJB connectors.
    • Check for:
      • corrosion
      • damaged pins
      • pushed-out pins
    • Connect all the SJB connectors and make sure they seat correctly.
    • Operate the system and verify the concern is still present.
    • Is the concern still present? 
    1. YES  : INSTALL a new SJB. REFER to MULTIFUNCTION ELECTRONIC MODULES article. TEST the system for normal operation.
    2. NO  : The system is operating correctly at this time. The concern may have been caused by a loose or corroded connector. CLEAR the DTCs. REPEAT the self-test.