LEMON Manuals: Even more car manuals for everyone: 1960-2025
Home >> Ford >> 2004 >> Freestar Base >> Repair and Diagnosis >> External Pages >> Different car >> Section 2076 (Component Testing (Hybrid)) >> Component Testing >> Roof Opening Panel Switch >> Schematic
April 5, 2026: LEMON Manuals is launched! Read the announcement.

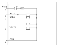
Roof Opening Panel Switch: Schematic

WARNING: This page is about a different car, the 2010 Mercury Milan and 2010 Ford Fusion. However, it is still accessible from the selected car via links, so may be relevant.
Fig 1: Identifying Roof Opening Panel Switch Schematic
G06358024Courtesy of FORD MOTOR CO.