LEMON Manuals: Even more car manuals for everyone: 1960-2025
Home >> Ford >> 2004 >> Taurus V6-3.0L VIN U >> Repair and Diagnosis >> Diagrams >> Exploded Views >> Engine >> Cylinder Block - Lower
April 5, 2026: LEMON Manuals is launched! Read the announcement.

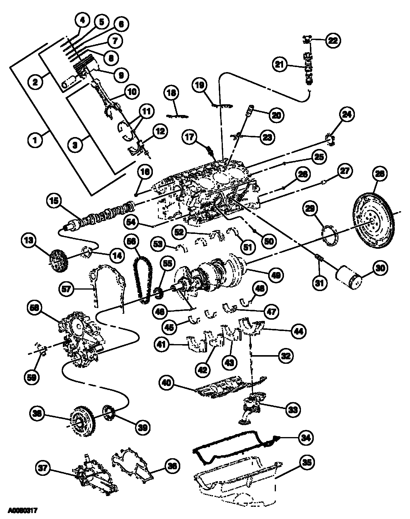
Cylinder Block - Lower

Part 1:



Part 2: