LEMON Manuals: Even more car manuals for everyone: 1960-2025
Home >> Ford >> 2005 >> Crown Victoria Base, 4.6 9 >> Repair and Diagnosis (Single Page) >> Heating, Ventilation & A/C (HVAC) >> HVAC Control Systems >> HVAC Control System - General Information >> Diagnosis And Testing >> Climate Control System >> Pinpoint Tests >> Pinpoint Test E: No Communication With The Electronic Automatic Temperature Control (EATC) Module
April 5, 2026: LEMON Manuals is launched! Read the announcement.

Pinpoint Test E: No Communication With The Electronic Automatic Temperature Control (EATC) Module

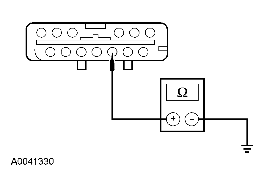
  1. E1 CHECK CIRCUIT 57 (BK) FOR AN OPEN 
    • Disconnect: EATC Module C228a.
    • Measure the resistance between EATC module C228a-3, circuit 57 (BK) and ground.
      Fig 1: Measuring Resistance Between EATC Module C228A-3, Circuit 57 (BK) And Ground
      G03879118Courtesy of FORD MOTOR CO.
    • Is the resistance less than 5 ohms? 
    • Yes  : GO to  E2.
    • No  : REPAIR circuit 57 (BK). TEST the system for normal operation.
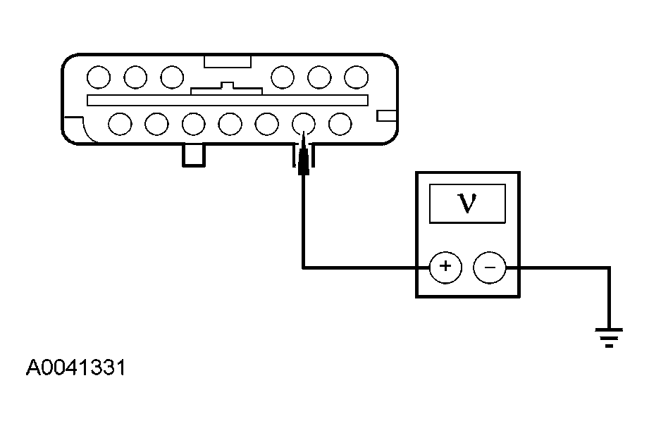
  2. E2 CHECK CIRCUIT 1566 (RD/YE) FOR B+ 
    • Measure the voltage between EATC module C228a-2, circuit 1566 (RD/YE) and ground.
      Fig 2: Measuring Voltage Between EATC Module C228A-2, Circuit 1566 (RD/YE) And Ground
      G03879119Courtesy of FORD MOTOR CO.
    • Is the voltage reading B+? 
    • Yes  : GO to  E3.
    • No  : REPAIR circuit 1566 (RD/YE). TEST the system for normal operation.
  3. E3 CHECK CIRCUIT 1812 (BN/WH) FOR B+ 
    • Key in ON position.
    • Measure the voltage between EATC module C228a-16, circuit 1812 (BN/WH) and ground.
      Fig 3: Measuring Voltage Between EATC Module C228A-16, Circuit 1812 (BN/WH) And Ground
      G03879120Courtesy of FORD MOTOR CO.
    • Is the voltage reading B+? 
    • Yes  : REFER to Module Communication Network Diagnostics in MODULE COMMUNICATIONS NETWORK to diagnose the network concern.
    • No  : REPAIR circuit 1812 (BN/WH). TEST the system for normal operation.