LEMON Manuals: Even more car manuals for everyone: 1960-2025
Home >> Ford >> 2005 >> Escape Base, 2.3 Z, FWD, Automatic >> Repair and Diagnosis (Single Page) >> Steering >> Manual Steering >> Steering System - General Information >> Diagnosis And Testing >> Steering System - Hybrid >> Symptom Chart >> Pinpoint Test H: The Steering is Very Difficult/Very Easy >> Pinpoint Test H: The Steering Is Very Difficult/Very Easy
April 5, 2026: LEMON Manuals is launched! Read the announcement.

Pinpoint Test H: The Steering Is Very Difficult/Very Easy

CAUTION: Use the correct probe adapter(s) when making measurements. Failure to use the correct probe adapter(s) may damage the connector.
  1. H1 CHECK THE RECORDED DTCs FROM THE POWER STEERING CONTROL MODULE 
    • Check the recorded results from the power steering control module self-test.
    • Are any power steering control module DTCs recorded? 
  2. H2 CHECK CIRCUITS 3140 (BK) AND 3141 (WH) FOR AN OPEN 
    • Key in OFF position.
    • Disconnect: Power Steering Control Module C1463b.
    • Disconnect: Power Steering Motor C1467a.
    • Measure the resistance between the power steering control module C1463b-2, circuit 3140 (BK), harness side and the power steering motor C1467a-2, circuit 3140 (BK), harness side; and between the power steering control module C1463b-4, circuit 3141 (WH), harness side and the power steering motor C1467a-1, circuit 3141 (WH), harness side.
      Fig 1: Measuring Resistance Between Power Steering Control Module C1463b-2
      G03897570Courtesy of FORD MOTOR CO.
    • Are the resistances less than 2 ohms? 
    • Yes  : GO to H3.
    • No  : REPAIR the circuit(s) in question. CLEAR the DTCs. CYCLE the ignition switch to the OFF position for 3 seconds. REPEAT the self-test.
  3. H3 CHECK THE STEERING GEAR MOTOR FOR AN OPEN 
    • Measure the resistance between the power steering motor C1467a-2, circuit 3140 (BK), component side and the power steering motor C1467a-1, circuit 3141 (WH), component side.
      Fig 2: Measuring Resistance Between Power Steering Motor C1467a-2
      G03897571Courtesy of FORD MOTOR CO.
    • Is the resistance less than 2 ohms? 
    • Yes  : GO to  H14.
    • No  : INSTALL a new steering gear. REFER to POWER STEERING . CLEAR the DTCs. CYCLE the ignition switch to the OFF position for 3 seconds. REPEAT the self-test.
  4. H4 CHECK CIRCUITS 3140 (BK) AND 3141 (WH) FOR A SHORT TO GROUND 
    • Key in OFF position.
    • Disconnect: Power Steering Control Module C1463b.
    • Disconnect: Power Steering Motor C1467a.
    • Measure the resistance between the power steering motor C1467a-2, circuit 3140 (BK), harness side and ground; and between the power steering motor C1467a-1, circuit 3141 (WH), harness side and ground.
      Fig 3: Measuring Resistance Between Power Steering Motor C1467a-2
      G03897574Courtesy of FORD MOTOR CO.
    • Are the resistances greater than 10,000 ohms? 
    • Yes  : For DTC B2277, GO to  H6.

      For DTC C2793, GO to H5.

    • No  : REPAIR the circuit(s) in question. CLEAR the DTCs. CYCLE the ignition switch to the OFF position for 3 seconds. REPEAT the self-test.
  5. H5 CHECK THE STEERING GEAR MOTOR FOR A SHORT TO GROUND 
    • Measure the resistance between the power steering motor C1467a-2, circuit 3140 (BK), component side and ground; and between the power steering motor C1467a-1, circuit 3141 (WH), component side and ground.
      Fig 4: Checking The Steering Gear Motor For A Short To Ground
      G03897575Courtesy of FORD MOTOR CO.
    • Are the resistances greater than 10,000 ohms? 
    • Yes  : GO to  H15.
    • No  : INSTALL a new steering gear. REFER to POWER STEERING . CLEAR the DTCs. CYCLE the ignition switch to the OFF position for 3 seconds. REPEAT the self-test.
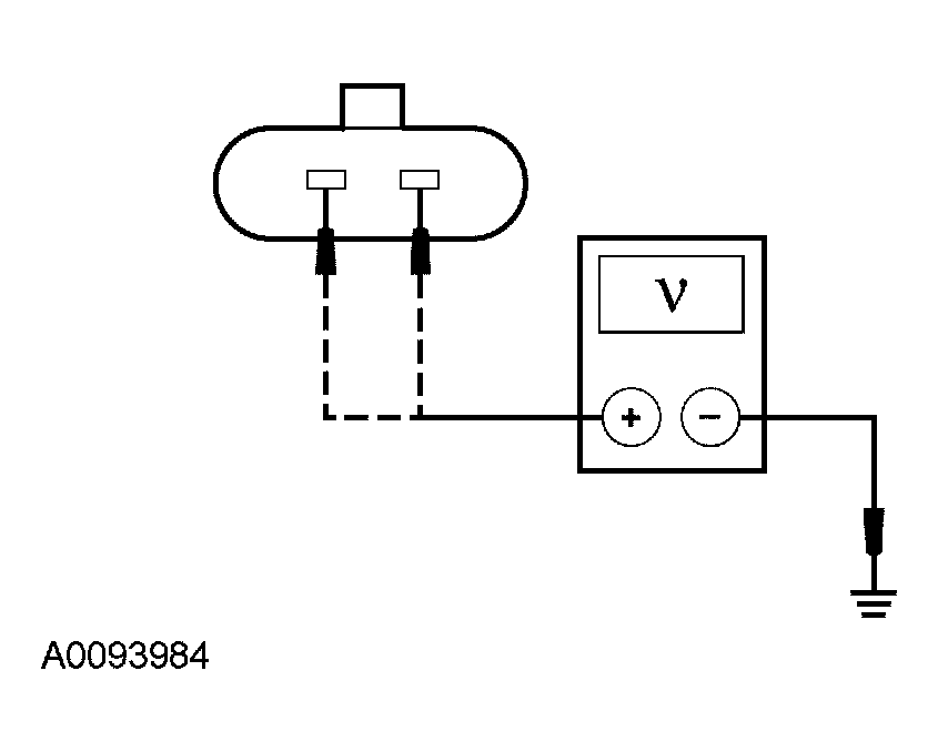
  6. H6 CHECK CIRCUITS 3140 (BK) AND 3141 (WH) FOR A SHORT TO VOLTAGE 
    • Key in OFF position.
    • Disconnect: Power Steering Control Module C1463b.
    • Disconnect: Power Steering Motor C1467a.
    • Key in ON position.
    • Measure the voltage between the power steering motor C1467a-2, circuit 3140 (BK), harness side and ground; and between the power steering motor C1467a-1, circuit 3141 (WH), harness side and ground.
      Fig 5: Checking Circuits 3140 (BK) And 3141 (WH) For A Short To Voltage
      G03897576Courtesy of FORD MOTOR CO.
    • Is any voltage indicated? 
    • Yes  : REPAIR the circuit(s) in question. CLEAR the DTCs. CYCLE the ignition switch to the OFF position for 3 seconds. REPEAT the self-test.
    • No  : GO to  H12.
  7. H7 CHECK THE TORQUE SENSOR CIRCUITS FOR AN OPEN 
    • Key in OFF position.
    • Disconnect: Power Steering Control Module C1463a.
    • Disconnect: Torque Sensor C1460.
    • Measure the resistance between the power steering control module C1463a pins, harness side and the torque sensor C1460 pins, harness side as follows:
      TORQUE SENSOR PIN/CIRCUIT IDENTIFICATION

      Power Steering Control Module Pin Torque Sensor Pin Circuit
      C1463a-5 C1460-1 997 (BN/OG)
      C1463a-10 C1460-2 998 (YE/LG)
      C1463a-12 C1460-6 1572 (DG)
      C1463a-3 C1460-3 1573 (YE)
      C1463a-7 C1460-4 1221 (WH/OG)
      Fig 6: Checking The Torque Sensor Circuits For An Open
      G03897577Courtesy of FORD MOTOR CO.
    • Are the resistances less than 5 ohms? 
    • Yes  : GO to H8.
    • No  : REPAIR the circuit(s) in question. CLEAR the DTCs. CYCLE the ignition switch to the OFF position for 3 seconds. REPEAT the self-test.
  8. H8 CHECK FOR AN INTERMITTENT FAULT 
    • Key in ON position.
    • Locate the intermediate connector C133 (vehicles built through 10/2004) or C134 (vehicles built after 10/2004). The connector is mounted to the side of the battery junction box (BJB).
    • DETACH the intermediate connector C133 (vehicles built through 10/2004) or C134 (vehicles built after 10/2004) from the BJB but do not disconnect the connector.
    • ATTEMPT to recreate DTC 2278 by grasping the connector and flexing the wire harness.
    • Does DTC 2278 reset? 
    • Yes  : REPAIR the connector or INSTALL a new connector as necessary. CLEAR the DTCs. CYCLE the ignition switch to the OFF position for 3 seconds. REPEAT the self-test
    • No  : GO to H9.
  9. H9 CHECK THE INTERMEDIATE CONNECTOR AND WIRES 
    • Key in OFF position.
    • Disconnect: Intermediate Connector C133 (vehicles built through 10/2004).
    • Disconnect: Intermediate Connector C134 (vehicles built after 10/2004).
    • Visually inspect the connector and related wiring for:
      • corrosion.
      • contamination.
      • pushed-out pins.
      • spread terminals.
      • loosened wires.
      • pushed-out wires.
      • frayed wires.
    • Are any of the conditions present? 
    • Yes  : REPAIR or INSTALL new as necessary. CLEAR the DTCs. CYCLE the ignition switch to the OFF position for 3 seconds. REPEAT the self-test.
    • No  : GO to H10.
  10. H10 CHECK THE TORQUE SENSOR CIRCUITS FOR A SHORT TO GROUND 
    • Measure the resistance between the torque sensor C1460 pins, harness side and ground as follows:
      TORQUE SENSOR PIN/CIRCUIT IDENTIFICATION

      Torque Sensor Pin Circuit
      C1460-1 997 (BN/OG)
      C1460-2 998 (YE/LG)
      C1460-3 1573 (YE)
      C1460-6 1572 (DG)
      Fig 7: Checking The Torque Sensor Circuits For A Short To Ground
      G03897578Courtesy of FORD MOTOR CO.
    • Are the resistances greater than 10,000 ohms? 
    • Yes  : GO to H11.
    • No  : REPAIR the circuit(s) in question. CLEAR the DTCs. CYCLE the ignition switch to the OFF position for 3 seconds. REPEAT the self-test.
  11. H11 CHECK THE TORQUE SENSOR CIRCUITS FOR A SHORT TO VOLTAGE 
    • Key in ON position.
    • Measure the voltage between the torque sensor C1460 pins, harness side and ground follows:
      TORQUE SENSOR PIN/CIRCUIT IDENTIFICATION

      Torque Sensor Pin Circuit
      C1460-2 998 (YE/LG)
      C1460-6 1572 (DG)
      C1460-3 1573 (YE)
      Fig 8: Measuring Voltage Between Torque Sensor C1460 Pins & Ground
      G03897579Courtesy of FORD MOTOR CO.
    • Is any voltage indicated? 
    • Yes  : REPAIR the circuit in question(s). CLEAR the DTCs. CYCLE the ignition switch to the OFF position for 3 seconds. REPEAT the self-test.
    • No  : GO to  H14.
  12. H12 CHECK THE TORQUE SENSOR CIRCUITS FOR A SHORT 
    • Measure the resistance between the torque sensor C1460 pins, harness side as follows:
      TORQUE SENSOR PIN/CIRCUIT IDENTIFICATION

      Pin and Circuit Pin and Circuit
      C1460-1 997 (BN/OG) C1460-2 998 (YE/LG)
      C1460-1 997 (BN/OG) C1460-3 1573 (YE)
      C1460-1 997 (BN/OG) C1460-4 1221 (WH/OG)
      C1460-2 998 (YE/LG) C1460-3 1573 (YE)
      C1460-2 998 (YE/LG) C1460-4 1221 (WH/OG)
      C1460-3 1573 (YE) C1460-4 1221 (WH/OG)
    • Are the resistances greater than 10,000 ohms? 
    • Yes  : GO to H13.
    • No  : REPAIR the circuit(s) in question. CLEAR the DTCs. CYCLE the ignition switch to the OFF position for 3 seconds. REPEAT the self-test.
  13. H13 CHECK FOR AN INTERMITTENT FAULT 
    • Key in OFF position.
    • Connect: Power Steering Control Module C1463b.
    • Connect: Power Steering Motor C1467a.
    • Attempt to recreate DTC 2278 by flexing the wire harness at the power steering control module connectors.
    • Does DTC 2278 reset? 
    • Yes  : REPAIR the wire harness or connector as necessary. CLEAR the DTCs. CYCLE the ignition switch to the OFF position for 3 seconds. REPEAT the self-test.
    • No  : GO to H14.
  14. H14 INSPECT THE POWER STEERING CONTROL MODULE CONNECTORS 
    • Disconnect all the power steering control module connectors.
    • Check the connectors for the following conditions:
      • corrosion.
      • contamination.
      • pushed-out pins.
      • spread terminals.
    • Are any of the concerns present? 
    • Yes  : REPAIR the connector or INSTALL a new connector as necessary. CLEAR the DTCs. CYCLE the ignition switch to the OFF position for 3 seconds. REPEAT the self-test.
    • No  : GO to H15.
  15. H15 CHECK FOR CORRECT POWER STEERING CONTROL MODULE OPERATION 
    • Disconnect all the power steering control module connectors.
    • Check for:
      • corrosion.
      • pushed-out pins.
    • Connect all power steering control module connectors and make sure they are seated correctly.
    • Operate the system and verify if the concern is still present.
    • Is the concern still present? 
    • Yes  : INSTALL a new power steering control module. REFER to POWER STEERING . CLEAR the DTCs. CYCLE the ignition switch to the OFF position for 3 seconds. REPEAT the self-test. If the condition still remains, INSTALL a new steering gear. REFER to POWER STEERING . CLEAR the DTCs. CYCLE the ignition switch to the OFF position for 3 seconds. REPEAT the self-test
    • No  : The system is operating correctly at this time. The concern may have been caused by a loose or corroded connector. CLEAR the DTCs. CYCLE the ignition switch to the OFF position for 3 seconds. REPEAT the self-test.
  16. H16 CHECK THE STEERING COLUMN BEARINGS AND THE INTERMEDIATE SHAFT 
    NOTE: Be sure to keep the clockspring centered when disconnecting the intermediate shaft. Refer to SUPPLEMENTAL RESTRAINT SYSTEM for Escape or SUPPLEMENTAL RESTRAINTS for Mariner .
    • Check the steering column and intermediate shaft for grounding.
    • Disconnect the steering column intermediate shaft U-joint at the steering gear.
    • Verify that the intermediate shaft U-joints do not bind and move freely and that the steering column bearing rotates freely.
    • Are the steering column bearing and intermediate shaft U-joints OK? 
    • Yes  : GO to H17.
    • No  : If the steering column or the intermediate shaft is grounding, REPAIR as necessary.

      If the steering column bearings or the intermediate shaft are binding, INSTALL a new steering column. REFER to STEERING COLUMN .

  17. H17 CHECK THE FRONT BALL JOINTS AND UPPER STRUT BEARING 
    • Verify that the front ball joints and upper strut bearing move freely and are not binding or sticking. Refer to SUSPENSION SYSTEM-GENERAL INFORMATION for the suspension diagnosis and testing.
    • Are the front ball joints and upper strut bearing OK? 
    • Yes  : INSTALL a new steering gear. REFER to POWER STEERING .
    • No  : INSTALL new ball joints or an upper strut bearing as necessary. REFER to FRONT SUSPENSION .