LEMON Manuals: Even more car manuals for everyone: 1960-2025
Home >> Ford >> 2005 >> Excursion 6.8 S, 4WD >> Repair and Diagnosis >> External Pages >> Different car >> Section 755 (Cruise Control System) >> Diagnostic Tests >> Speed Control >> Pinpoint Tests >> Pinpoint Test C: DTC P0579 or DTC P0581 - Speed Control Switch Circuit Failure >> Pinpoint Test C: DTC P0579 Or DTC P0581 - Speed Control Switch Circuit Failure
April 5, 2026: LEMON Manuals is launched! Read the announcement.

Pinpoint Test C: DTC P0579 Or DTC P0581 - Speed Control Switch Circuit Failure

WARNING: This page is about a different car, the 2007 Lincoln Mark LT and 2007 Ford Pickup. However, it is still accessible from the selected car via links, so may be relevant.
CAUTION: Use the correct probe adapter(s) when making measurements. Failure to use the correct probe adapter(s) may damage the connector.
  1. C1 CHECK THE SPEED CONTROL SWITCH CIRCUITRY FOR A SHORT TO VOLTAGE 
    • Key in OFF position.
    • Disconnect: PCM C175b
    • Key in ON position.
    • Turn the parking lamps on.
    • Measure the voltage between the PCM C175b-56, circuit 151 (LB/BK), harness side and ground; and between the PCM C175b-57, circuit 848 (DG/OG), harness side and ground.
      Fig 1: Checking Speed Control Switch Circuitry For Short To Voltage
      GF0004254Courtesy of FORD MOTOR CO.
    • Is any voltage present? 
    1. YES  : TURN the parking lamps off. Go to  C2 .
    2. NO  : TURN the parking lamps off. Go to  C5 .
  2. C2 CHECK THE AUDIO UNIT 
    • Key in OFF position.
    • Disconnect: Audio Unit C290a
    • Key in ON position.
    • Turn the parking lamps on.
    • Measure the voltage between the PCM C175b-57, circuit 848 (DG/OG), harness side and ground.
      Fig 2: Checking Audio Unit
      GF0004255Courtesy of FORD MOTOR CO.
    • Is any voltage present? 
    1. YES  : TURN the parking lamps off. Go to  C3 .
    2. NO  : SEND the audio unit to an authorized repair facility. CLEAR the DTCs. REPEAT the self-test.
  3. C3 CHECK CIRCUITS 151 (LB/BK) AND 848 (DG/OG) FOR A SHORT TO VOLTAGE 
    • Key in OFF position.
    • Disconnect: Clockspring C218b
    • Key in ON position.
    • Turn the parking lamps on.
    • Measure the voltage between the PCM C175b-56, circuit 151 (LB/BK), harness side and ground; and between the C175b-57, circuit 848 (DG/OG), harness side and ground.
      Fig 3: Checking Circuits 151 (LB/BK) And 848 (DG/OG) For Short To Voltage
      GF0004254Courtesy of FORD MOTOR CO.
    • Is any voltage present? 
    1. YES  : REPAIR the circuit in question. CLEAR the DTCs. REPEAT the self-test.
    2. NO  : Go to  C4.
  4. C4 CHECK THE CLOCKSPRING FOR A SHORT TO VOLTAGE 
    • Key in OFF position.
    • Connect: Clockspring C218b
    • Remove the driver air bag module. Refer to SUPPLEMENTAL RESTRAINT SYSTEM article.
    • Connect the restraint system diagnostic tool (418-F395) to the upper clockspring air bag connector.
    • Disconnect: Upper Clockspring
    • WARNING: Make sure there is no one inside the vehicle and that there is nothing blocking or set in front of any air bag module when the battery is connected. Failure to follow these instructions may result in personal injury.
    • Connect the battery.
    • Key in ON position.
    • Turn the parking lamps on.
    • Measure the voltage between the PCM C175b-56, circuit 151 (LB/BK), harness side and ground; and between the C175b-57, circuit 848 (DG/OG), harness side and ground.
      Fig 4: Checking Clockspring For Short To Voltage
      GF0004254Courtesy of FORD MOTOR CO.
    • Is any voltage present? 
    1. YES  : INSTALL a new clockspring. REFER to SUPPLEMENTAL RESTRAINT SYSTEM article. DISCONNECT the battery. INSTALL the driver air bag module. REFER to SUPPLEMENTAL RESTRAINT SYSTEM article. CLEAR the DTCs. REPEAT the self-test.
    2. NO  : REPAIR the speed control switch(es) harness. DISCONNECT the battery. INSTALL the driver air bag module. REFER to SUPPLEMENTAL RESTRAINT SYSTEM article. CLEAR the DTCs. REPEAT the self-test.
  5. C5 CHECK THE SPEED CONTROL SWITCH CIRCUITRY FOR A SHORT TO GROUND 
    • Key in OFF position.
    • Measure the resistance between the PCM C175b-56, circuit 151 (LB/BK), harness side and ground.
      Fig 5: Checking Speed Control Switch Circuitry For Short To Ground
      GF0004256Courtesy of FORD MOTOR CO.
    • Is the resistance greater than 10,000 ohms? 
    1. YES  : Go to  C8.
    2. NO  : Go to  C6.
  6. C6 CHECK THE CLOCKSPRING FOR A SHORT TO GROUND 
    • Remove the driver air bag module. Refer to SUPPLEMENTAL RESTRAINT SYSTEM article.
    • Disconnect: Upper Clockspring
    • Measure the resistance between the PCM C175b-56, circuit 151 (LB/BK), harness side and ground.
      Fig 6: Checking Clockspring For Short To Ground
      GF0004256Courtesy of FORD MOTOR CO.
    • Is the resistance greater than 10,000 ohms? 
    1. YES  : REPAIR the speed control switch(es) harness. INSTALL the driver air bag module. REFER to SUPPLEMENTAL RESTRAINT SYSTEM article. CLEAR the DTCs. REPEAT the self-test.
    2. NO  : Go to  C7.
  7. C7 CHECK CIRCUIT 151 (LB/BK) FOR A SHORT TO GROUND 
    • Disconnect: Clockspring C218b
    • Measure the resistance between the PCM C175b-56, circuit 151 (LB/BK), harness side and ground.
      Fig 7: Checking Circuit 151 (LB/BK) For Short To Ground
      GF0004256Courtesy of FORD MOTOR CO.
    • Is the resistance greater than 10,000 ohms? 
    1. YES  : INSTALL a new clockspring. REFER to SUPPLEMENTAL RESTRAINT SYSTEM article. DISCONNECT the battery. INSTALL the driver air bag module. REFER to SUPPLEMENTAL RESTRAINT SYSTEM article. CLEAR the DTCs. REPEAT the self-test.
    2. NO  : REPAIR the circuit. INSTALL the driver air bag module. REFER to SUPPLEMENTAL RESTRAINT SYSTEM article. CLEAR the DTCs. REPEAT the self-test.
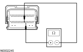
  8. C8 CHECK THE SPEED CONTROL SWITCH CIRCUITRY FOR AN OPEN 
    • Measure the resistance between the PCM C175b-56, circuit 151 (LB/BK), harness side and the PCM C175b-57, circuit 848 (DG/OG), harness side.
      Fig 8: Checking Speed Control Switch Circuitry For Open
      GF0004244Courtesy of FORD MOTOR CO.
    • Is the resistance between 3,965 and 4,655 ohms? 
    1. YES  : Go to  C11.
    2. NO  : Go to  C9.
  9. C9 CHECK CIRCUITS 151 (LB/BK) AND 848 (DG/OG) FOR AN OPEN 
    • Disconnect: Clockspring C218b
    • Measure the resistance between the PCM C175b-56, circuit 151 (LB/BK), harness side and the clockspring C218b-4, circuit 151 (LB/BK), harness side; and between the PCM C175b-57, circuit 848 (DG/OG), harness side and the clockspring C218b-5, circuit 848 (DG/OG), harness side.
      Fig 9: Checking Circuits 151 (LB/BK) And 848 (DG/OG) For Open
      GF0004257Courtesy of FORD MOTOR CO.
    • Are the resistances less than 5 ohms? 
    1. YES  : Go to  C10.
    2. NO  : REPAIR the circuit in question. CLEAR the DTCs. REPEAT the self-test.
  10. C10 CHECK THE CLOCKSPRING 
    • Remove the driver air bag. Refer to SUPPLEMENTAL RESTRAINT SYSTEM article.
    • Disconnect: Upper Clockspring
    • Measure the resistance between the clockspring C218b pin 4, component side and the upper clockspring pin 3, component side; and between the clockspring C218b pin 5, component side and the upper clockspring pin 2, component side.
      Fig 10: Checking Clockspring
      GF0004258Courtesy of FORD MOTOR CO.
    • Are the resistances less than 5 ohms? 
    1. YES  : REPAIR the speed control switch(es) harness. INSTALL the driver air bag module. REFER to SUPPLEMENTAL RESTRAINT SYSTEM article. CLEAR the DTCs. REPEAT the self-test.
    2. NO  : INSTALL a new clockspring. REFER to SUPPLEMENTAL RESTRAINT SYSTEM article. DISCONNECT the battery. INSTALL the driver air bag module. REFER to SUPPLEMENTAL RESTRAINT SYSTEM article. CLEAR the DTCs. REPEAT the self-test.
  11. C11 CHECK FOR CORRECT PCM OPERATION 
    • Disconnect all the PCM connectors.
    • Check for:
      • corrosion
      • damaged pins
      • pushed-out pins
    • Connect all the PCM connectors and make sure they seat correctly.
    • Operate the system and verify the concern is still present.
    • Is the concern still present? 
    1. YES  : INSTALL a new PCM. REFER to ELECTRONIC ENGINE CONTROLS article. TEST the system for normal operation.
    2. NO  : The system is operating correctly at this time. The concern may have been caused by a loose or corroded connector. DISCONNECT the battery. INSTALL the driver air bag module. REFER to SUPPLEMENTAL RESTRAINT SYSTEM article. CLEAR the DTCs. REPEAT the self-test.