LEMON Manuals: Even more car manuals for everyone: 1960-2025
Home >> Ford >> 2005 >> Freestyle AWD V6-3.0L VIN 1 >> Repair and Diagnosis >> Diagrams >> Exploded Views >> Steering >> System Diagram
April 5, 2026: LEMON Manuals is launched! Read the announcement.

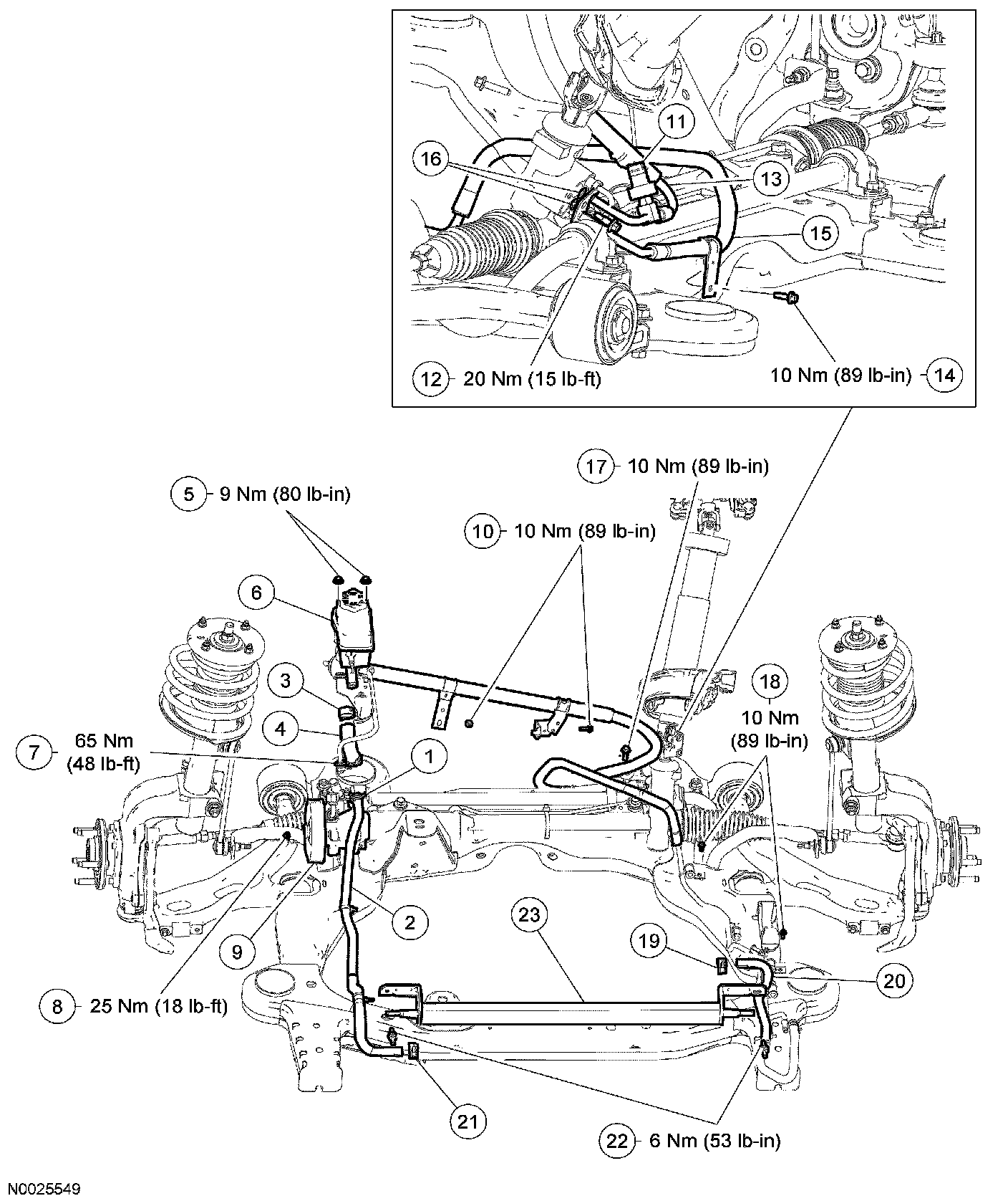
System Diagram








Power Steering System-Exploded View