LEMON Manuals: Even more car manuals for everyone: 1960-2025
Home >> Ford >> 2005 >> Freestyle SE, FWD >> Repair and Diagnosis (Single Page) >> Engine Performance >> System >> Engine Controls - Pinpoint Test DY: Engine Oil Temperature (EOT) Sensor Through Pinpoint Test Hf: Catalyst Efficiency Monitor And Exhaust Systems - (Except Diesel & Hybrid) >> Pinpoint Test HE: Exhaust Gas Recirculation (EGR) Systems >> Introduction >> Notes
April 5, 2026: LEMON Manuals is launched! Read the announcement.

Pinpoint Test HE: Exhaust Gas Recirculation (EGR) Systems: Introduction: Notes

This pinpoint test is intended to diagnose the following:

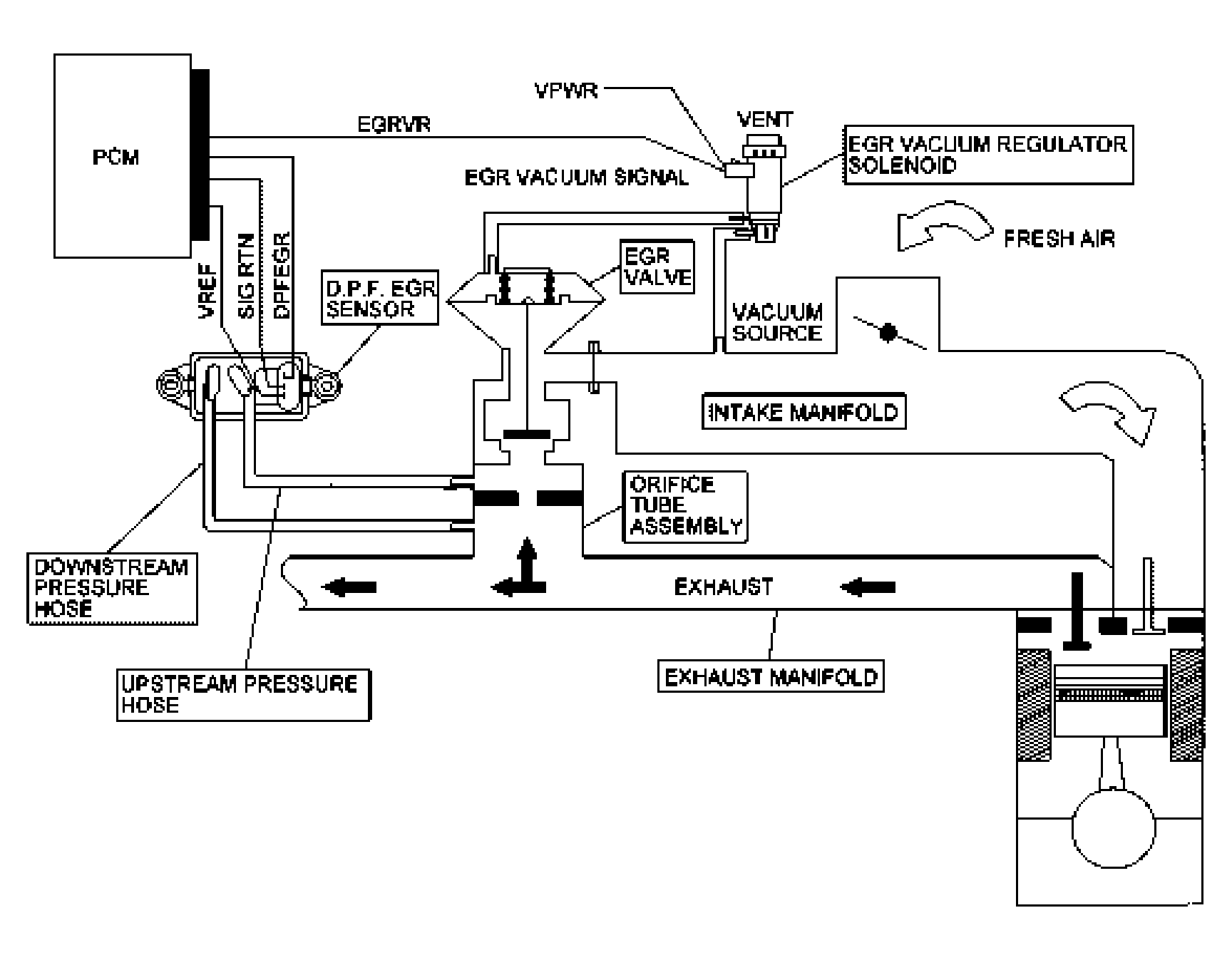
Fig 3: Electronic Vacuum Regulator (EVR) Solenoid Connector
G03878090Courtesy of FORD MOTOR CO.