LEMON Manuals: Even more car manuals for everyone: 1960-2025
Home >> Ford >> 2006 >> Escape Base, 2.3 Z, 4WD, Automatic >> Repair and Diagnosis (Single Page) >> Accessories & Equipment >> Anti-Theft Systems >> Anti-Theft System - Pats - (Except Hybrid) >> Diagnosis And Testing >> Passive Anti-Theft System (PATS) - Pinpoint Tests >> Pinpoint Test E: PATS Transceiver Module Signal is Not Received >> Pinpoint Test E: Pats Transceiver Module Signal Is Not Received
April 5, 2026: LEMON Manuals is launched! Read the announcement.

Pinpoint Test E: Pats Transceiver Module Signal Is Not Received

CAUTION: Use the correct probe adaptor(s) when making measurements. Failure to use correct probe adaptor(s) may damage the connector.
  1. E1 RETRIEVE THE DTCS 
    • Enter the following diagnostic mode on the diagnostic tool: CLEAR the PCM DTCs.
    • Key in OFF position.
    • Key in ON position.
    • Enter the following diagnostic mode on the diagnostic tool: RETRIEVE the PCM DTCs.
    • Is DTC B1681 retrieved? 

    Yes  : GO to E2.

    No  : The system is OK.

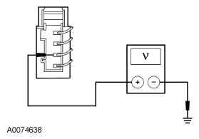
  2. E2 CHECK THE PATS TRANSCEIVER CIRCUIT 296 (WH/VT) FOR VOLTAGE 
    • Key in OFF position.
    • Disconnect: PATS Transceiver C2007.
    • Key in ON position.
    • Measure the voltage between the PATS transceiver C2007-1, circuit 296 (WH/VT), harness side and ground.
      Fig 1: Checking PATS Transceiver Circuit 296 (WH/VT) For Voltage
      G04622134
    • Is the voltage greater than 10 volts? 

    Yes  : GO to E3.

    No  : VERIFY smart junction box (SJB) fuse 5 (2A) is OK. If OK, REPAIR the circuit. CLEAR the DTCs. REPEAT the self-test.

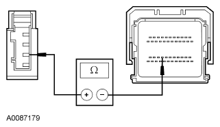
  3. E3 CHECK THE PATS TRANSCEIVER GROUND CIRCUIT 570 (BK/WH) FOR AN OPEN 
    • Key in OFF position.
    • Measure the resistance between the PATS transceiver C2007-2, circuit 570 (BK/WH), harness side and ground.
      Fig 2: Checking PATS Transceiver Ground Circuit 570 (BK/WH) For An Open
      G04622135
    • Is the resistance less than 5 ohms? 

    Yes  : GO to E4.

    No  : REPAIR the circuit. CLEAR the DTCs. REPEAT the self-test.

  4. E4 CHECK THE PATS TRANSCEIVER RECEIVE CIRCUIT 167 (BN/OG) FOR VOLTAGE 
    • Connect: PATS Transceiver C2007.
    • Key in ON position.
    • Measure the voltage by back-probing between the PATS transceiver C2007-3, circuit 167 (BN/OG), harness side and ground.
      Fig 3: Checking PATS Transceiver Receive Circuit 167 (BN/OG) For Voltage
      G04622136
    • Is the voltage greater than 9 volts? 

    Yes  : GO to  E6.

    No  : GO to E5.

  5. E5 CHECK THE PATS TRANSCEIVER RECEIVE CIRCUIT 167 (BN/OG) FOR A SHORT TO GROUND 
    • Key in OFF position.
    • Disconnect: PATS Transceiver C2007.
    • Measure the resistance between the PATS transceiver C2007-3, circuit 167 (BN/OG), harness side and ground.
      Fig 4: Checking PATS Transceiver Receive Circuit 167 (BN/OG) For A Short To Ground
      G04622137
    • Is the resistance greater than 10,000 ohms? 

    Yes  : GO to E6.

    No  : REPAIR the circuit. CLEAR the DTCs. REPEAT the self-test. If the system fails again, INSTALL a new PCM. REFER to ELECTRONIC ENGINE CONTROLS - 2.3L or ELECTRONIC ENGINE CONTROLS - 3.0L (4V) .

  6. E6 CHECK CIRCUIT 167 (BN/OG) FOR AN OPEN 
    • Key in OFF position.
    • Disconnect: PCM C175b.
    • Measure the resistance between the PATS transceiver C2007-3, circuit 167 (BN/OG), harness side and PCM C175b-31, circuit 167 (BN/OG), harness side.
      Fig 5: Checking Circuit 167 (BN/OG) For An Open
      G04622138
    • Is the resistance less than 5 ohms? 

    Yes  : GO to E7.

    No  : REPAIR the circuit. CLEAR the DTCs. REPEAT the self-test.

  7. E7 CHECK THE PATS TRANSCEIVER TRANSMIT CIRCUIT 168 (RD/BK) FOR VOLTAGE 
    • Connect: PATS Transceiver C2007.
    • Connect: PCM C175b.
    • Key in ON position.
    • Measure the voltage by back-probing between the PATS transceiver U2007-4, circuit 168 (RD/BK), harness side and ground.
      Fig 6: Checking PATS Transceiver Transmit Circuit 168 (RD/BK) For Voltage
      G04622139
    • Is the voltage greater than 9 volts? 

    Yes  : GO to  E11.

    No  : GO to E8.

  8. E8 CHECK THE PATS TRANSCEIVER TRANSMIT CIRCUIT FOR A SHORT TO GROUND CIRCUIT 168 (RD/BK) TRANSCEIVER CONNECTED 
    • Key in OFF position.
    • Disconnect: PCM C175b.
    • Measure the resistance between the PCM C175b-42, circuit 168 (RD/BK), harness side and ground.
      Fig 7: Checking PATS Transceiver Transmit Circuit For A Short To Ground Circuit 168
      G04622140
    • Is the resistance greater than 10,000 ohms? 

    Yes  : GO to  E10.

    No  : GO to E9.

  9. E9 CHECK THE PATS TRANSCEIVER TRANSMIT CIRCUIT FOR A SHORT TO GROUND CIRCUIT 168 (RD/BK) TRANSCEIVER DISCONNECTED 
    • Disconnect: PATS Transceiver C2007.
    • Measure the resistance between the PATS transceiver C2007-4, circuit 168 (RD/BK), harness side and ground.
      Fig 8: Checking PATS Transceiver Transmit Circuit For A Short To Ground Circuit 168 (RD/BK)
      G04622141
    • Is the resistance greater than 10,000 ohms? 

    Yes  : INSTALL a new PATS transceiver. REFER to PASSIVE ANTI-THEFT SYSTEM (PATS) TRANSCEIVER . CLEAR the DTCs. REPEAT the self-test.

    No  : REPAIR the circuit. CLEAR the DTCs. REPEAT the self-test.

  10. E10 CHECK THE PATS TRANSMIT CIRCUIT 168 (RD/BK) FOR AN OPEN 
    NOTE: When a new PCM is installed, the encoded ignition keys must be reprogrammed.
    • Disconnect: PATS Transceiver C2007.
    • Measure the resistance between the PATS transceiver C2007-4, circuit 168 (RD/BK), harness side and the PCM C175b-42, circuit 168 (RD/BK), harness side.
      Fig 9: Checking PATS Transmit Circuit 168 (RD/BK) For An Open
      G04622142
    • Is the resistance less than 5 ohms? 

    Yes  : GO to  E13.

    No  : REPAIR the circuit. CLEAR the DTCs. REPEAT the self-test.

  11. E11 CHECK THE TRANSCEIVER TRANSMIT CIRCUIT 168 (RD/BK) FOR VOLTAGE 
    • Enter the following diagnostic mode on the diagnostic tool: PCM Active Command.
    • Select PCM active command TRANSMIT SIGNAL COMMAND.
    • Trigger TRANSMIT to ON.
    • Measure the voltage by back-probing between the PATS transceiver C2007-4, circuit 168 (RD/BK), harness side and ground.
      Fig 10: Checking Transceiver Transmit Circuit 168 (RD/BK) For Voltage
      G04622143
    • Is the voltage less than 5 volts? 

    Yes  : INSTALL a new PATS transceiver. REFER to PASSIVE ANTI-THEFT SYSTEM (PATS) TRANSCEIVER . CLEAR the DTCs. REPEAT the self-test.

    No  : GO to E12.

  12. E12 CHECK CIRCUIT 168 (RD/BK) FOR A SHORT TO BATTERY 
    NOTE: When a new PCM is installed, the encoded ignition keys must be reprogrammed.
    • Key in OFF position.
    • Disconnect: PCM C175b.
    • Disconnect: PATS Transceiver C2007.
    • Key in ON position.
    • Measure the voltage between the PATS transceiver C2007-4, circuit 168 (RD/BK), harness side and ground.
      Fig 11: Checking Circuit 168 (RD/BK) For A Short To Battery
      G04622144
    • Is any voltage present? 

    Yes  : REPAIR the circuit. CLEAR the DTCs. REPEAT the self-test.

    No  : GO to E13.

  13. E13 CHECK THE PCM FOR CORRECT OPERATION 
    • Disconnect all the PCM connectors.
    • Check for:
      • corrosion
      • pushed-out pins
    • Connect all the PCM connectors and make sure they seat correctly.
    • Operate the system and verify the concern is still present.
    • Is the concern still present? 

    Yes  : INSTALL a new PCM. REFER to ELECTRONIC ENGINE CONTROLS - 2.3L or ELECTRONIC ENGINE CONTROLS - 3.0L (4V) . REPROGRAM the encoded ignition keys. REFER to KEY PROGRAMMING USING DIAGNOSTIC EQUIPMENT . CLEAR the DTCs. REPEAT the self-test.

    No  : The system is operating correctly at this time. The concern may have been caused by a loose or corroded connector. CLEAR the DTCs. REPEAT the self-test.