LEMON Manuals: Even more car manuals for everyone: 1960-2025
Home >> Ford >> 2006 >> Explorer 2WD V6-4.0L VIN E >> Repair and Diagnosis >> Diagrams >> Exploded Views >> Timing Components
April 5, 2026: LEMON Manuals is launched! Read the announcement.

Timing Components

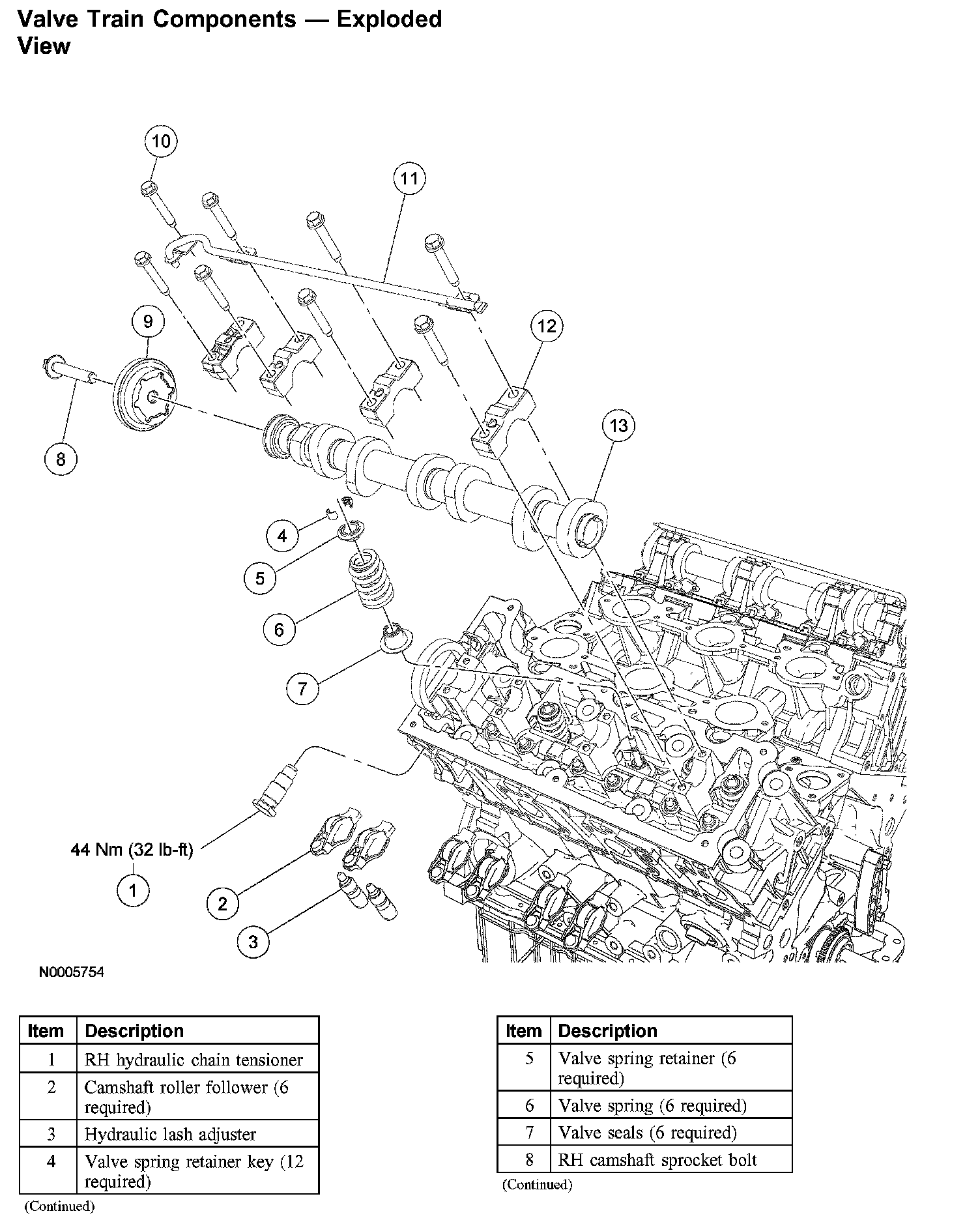
Valve Train Components - Exploded View

Valve Train Components - Exploded View:




Valve Train Components - Exploded View:




Valve Train Components - Exploded View:




Valve Train Components - Exploded View: