LEMON Manuals: Even more car manuals for everyone: 1960-2025
Home >> Ford >> 2006 >> Focus ZX4 SE, Automatic >> Repair and Diagnosis (Single Page) >> Accessories & Equipment >> Communication Devices >> MULTIFUNCTION Electronic Module >> Diagnosis And Testing >> Generic Electronic Module (GEM) >> Pinpoint Tests >> Pinpoint Test A: No Communication With The Generic Electronic Module (GEM) >> Pinpoint Test A: No Communication With The Generic Electronic Module (Gem)
April 5, 2026: LEMON Manuals is launched! Read the announcement.

Pinpoint Test A: No Communication With The Generic Electronic Module (Gem)

CAUTION: Use the correct probe adaptor(s) when making measurements. Failure to use the correct probe adaptor(s) may damage the connector.
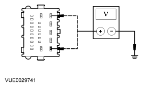
  1. A1 CHECK THE GEM CIRCUITS FOR VOLTAGE 
    • Key in OFF position.
    • Disconnect: GEM C201c.
    • Key in ON position.
    • Measure the voltage between the GEM C201c-5, circuit 29-DK20 (OG/GN), harness side and ground; and between the GEM C201c-1, circuit 29-AA17 (OG/WH), harness side and ground.
      Fig 1: Checking GEM Circuits For Voltage
      G04654281Courtesy of FORD MOTOR CO.
    • Are the voltages greater than 10 volts? 

    Yes  : GO to  A2.

    No  : VERIFY the CJB fuse(s) 32 (15A) and 63 (20A) are OK. If OK, REPAIR the circuit in question. CLEAR the DTCs. REPEAT the self-test. CARRY OUT the data link diagnostics test.

  2. A2 CHECK THE GEM GROUND CIRCUIT 31-DK20 (BK) FOR AN OPEN 
    • Key in OFF position.
    • Disconnect: GEM C201a.
    • Measure the resistance between the GEM C201a-5, circuit 31-DK20 (BK), harness side and ground.
      Fig 2: Checking GEM Ground Circuit 31-DK20 (BK) For Open
      G04654282Courtesy of FORD MOTOR CO.
    • Is the resistance less than 5 ohms? 

    Yes  : GO to  A3.

    No  : REPAIR the circuit. CLEAR the DTCs. REPEAT the self-test. CARRY OUT the data link diagnostics test.

  3. A3 CHECK THE GEM GROUND CIRCUIT 91-DK20 (BK/RD) FOR AN OPEN 
    • Disconnect: GEM C201d.
    • Measure the resistance between the GEM C201d-1, circuit 91-DK20 (BK/RD), harness side and ground.
      Fig 3: Checking GEM Ground Circuit 91-DK20 (BK/RD) For Open
      G04654283Courtesy of FORD MOTOR CO.
    • Is the resistance less than 5 ohms? 

    Yes  : REFER to MODULE COMMUNICATIONS NETWORK to continue communication diagnosis.

    No  : REPAIR the circuit. CLEAR the DTCs. REPEAT the self-test. CARRY OUT the data link diagnostics test.