LEMON Manuals: Even more car manuals for everyone: 1960-2025
Home >> Ford >> 2006 >> Taurus SE, 3.0 2 >> Repair and Diagnosis (Single Page) >> Accessories & Equipment >> Accessories Control Systems >> Component Testing >> Component Testing >> Multifunction Switch, Lamp Portion >> Schematic
April 5, 2026: LEMON Manuals is launched! Read the announcement.

Multifunction Switch, Lamp Portion: Schematic

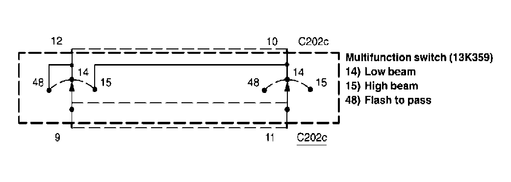
Fig 1: Schematic Diagram - Multifunction Switch, Lamp Portion
G04611092Courtesy of FORD MOTOR CO.


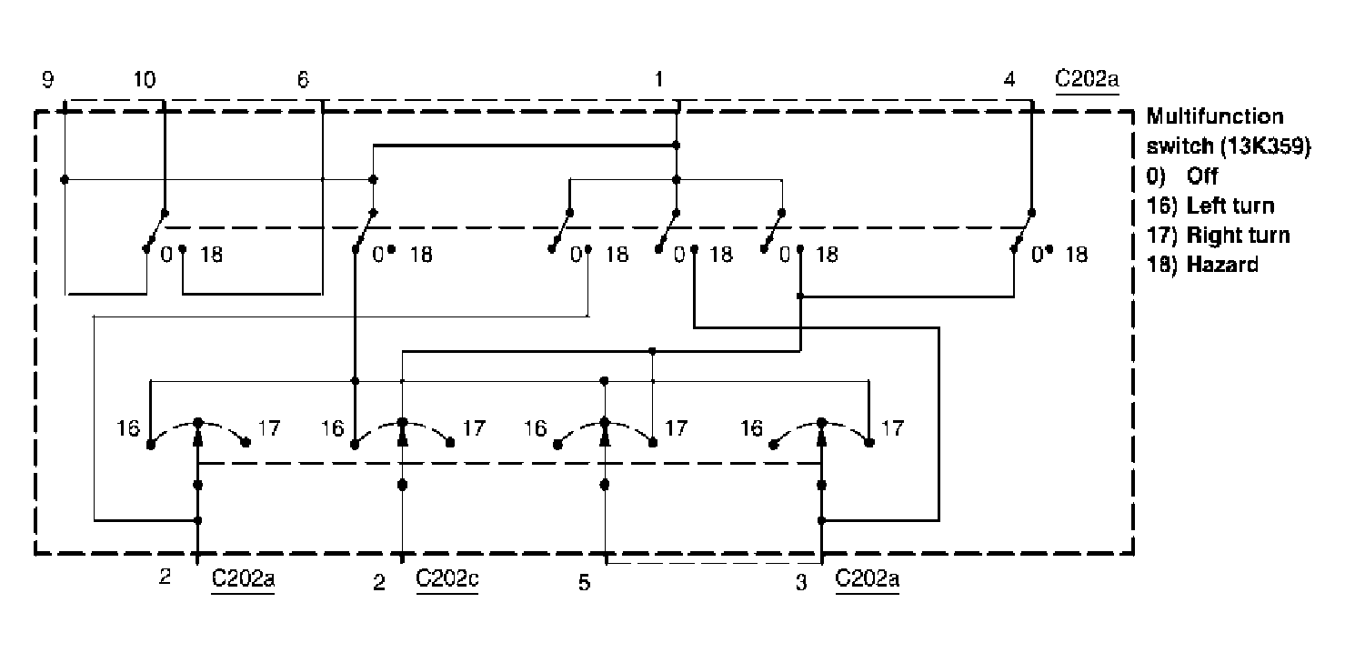
Fig 1: Schematic Diagram - Multifunction Switch, Lamp Portion
G04611094Courtesy of FORD MOTOR CO.