LEMON Manuals: Even more car manuals for everyone: 1960-2025
Home >> Ford >> 2007 >> Crown Victoria Base, 4.6 V >> Repair and Diagnosis (Single Page) >> Accessories & Equipment >> Accessories Control Systems >> Component Testing >> Component Testing >> Multifunction switch (13K359) >> Schematic
April 5, 2026: LEMON Manuals is launched! Read the announcement.

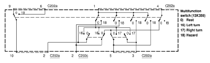
Multifunction switch (13K359): Schematic

Fig 1: Multifunction Switch (13K359) - Schematic
G05177929Courtesy of FORD MOTOR CO.


Fig 1: Multifunction Switch (13K359) - Schematic
G05177931Courtesy of FORD MOTOR CO.


Fig 1: Multifunction Switch (13K359) - Schematic
G05177933Courtesy of FORD MOTOR CO.