LEMON Manuals: Even more car manuals for everyone: 1960-2025
Home >> Ford >> 2007 >> Edge SE, AWD >> Repair and Diagnosis >> Transmission >> Automatic Trans >> Automatic Transmission >> Assembly >> Transaxle
April 5, 2026: LEMON Manuals is launched! Read the announcement.

Automatic Transmission: Assembly: Transaxle

Special Tools

Illustration Tool Name Tool Number
GF0001106
Adapter for 307-224 (Handle) 205-153 (T80T-4000-W)
GF0031895
Installer, Oil Dam Seal 307-583
GF0017616
Draw bar (Heavy Duty Threaded) 204-029 (T77F-1176)
GF0017618
Pilot, Transfer Gear Roller Bearing 307-541
GF0031896
Installer, Differential Bearing Cup 307-576
GF0031699
Installer, Manual Lever Shaft Seal 307-581
GF0031681
Installer, Manual Lever Retaining Pin 307-592
GF0031897
Shim Gauge, Differential/Transfer Gear Bearing 307-591 (includes 307-591/1, 307-591/2 and 307-591/3)
GF0031898
Installer, Converter Seal 307-575
GF0031670
Installer, Halfshaft Seal 307-582
GF0031720
Forward Clutch Spring Compressor 307-574 (includes 307-574/1 and 307-574/2)
GF0031721
Compressor, Forward/Overdrive Spring 307-584 (includes 307-584/1 and 307-584/2)
GF0000024
Dial Indicator Gauge With Holding Fixture 100-002 (TOOL-4201-C)
GF0000965
Depth Micrometer 303-D075 (D92P-4201-A)
Material

Item Specification
MERCON® V Automatic Transmission Fluid
XT-5-QM (or XT-5-QMC) (US); CXT-5-LM12 (Canada)
MERCON® V
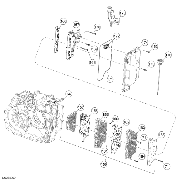
Fig 1: Exploded View Of Transaxle Assembly (1 Of 5)
GF0031899Courtesy of FORD MOTOR CO.
Fig 2: Exploded View Of Transaxle Assembly (2 Of 5)
GF0031900Courtesy of FORD MOTOR CO.
Fig 3: Exploded View Of Transaxle Assembly (3 Of 5)
GF0031901Courtesy of FORD MOTOR CO.
Fig 4: Exploded View Of Transaxle Assembly (4 Of 5)
GF0031902Courtesy of FORD MOTOR CO.
Fig 5: Exploded View Of Transaxle Assembly (5 Of 5)
GF0031903Courtesy of FORD MOTOR CO.
Item Part Number Description
1 7902 Converter assembly
2 7F401 Seal assembly - converter hub
3 7H260 Seal assembly - transaxle differential (front)
4 7J287 Bolt - M8 X 30 (converter housing)
5 W704941 Stud bolt - M8 X 30 (converter housing)
6 7975 Torque converter housing
7 7J260 Plug - transmission orifice cup
8 W711931 Bolt - torque converter housing
9 7G099 Washer - drive sprocket thrust
10 7G273 Washer - driven sprocket support thrust
11 7J263 Sprocket and chain assembly - fluid pump
12 8N243 Seal - support assembly to torque converter
13 7D014 Washer - stator support thrust
14 7J233 Support and gear assembly - stator
15 - Bolt - hex head stator support feed tube
16 - Bolt - Torx® head stator support feed tube
17 - Fluid feed tube assembly - stator support
18 - Gasket - feed tube
19 7F363 Support assembly - torque converter reactor
20 7J246 Seal - stator support assembly
21 7J285 Bolt M8 X 25
22 7048 Seal assembly - input shaft
23 7N281 Ring - input bearing retainer
24 7A452 Bearing assembly - main drive gear front
25 7F342 Gear - final drive input
26 7B364 Nut - bearing retainer
27 7K172 Filter - transmission fluid
28 7Z302 Seal - transmission fluid filter
29 7A103 Pump assembly - transmission fluid
30 7J283 Bolt - M6 X 25
31 7N265 Seal - fluid pump
32 7F409 Baffle - fluid sump
33 7F119 Shim - transaxle differential bearing
34 4527 Cup - differential bearing
35 7F465 Differential and gear assembly
36 4242 Bearing - differential assembly
37 7J286 Bolt M10 X 25
38 7F343 Gear - transaxle final drive output
39 4207 Gear and case - differential assembly
40 4221 Bearing - differential assembly
41 4222 Cup - differential bearing
42 7H345 Fluid dam - transfer shaft tube
43 7A208 Tube - transfer shaft
44 7H367 Shim - transfer shaft roller bearing
45 7H344 Cup - transfer shaft roller bearing
46 7H471 Gear and bearing assembly - transfer shaft
47 7170 Cone and roller assembly - transfer shaft bearing
48 7H106 Ring - transaxle final drive retaining
49 7H348 Gear assembly - transfer shaft
50 7H349 Gear - transfer shaft input
51 7H346 Gear - transfer shaft output
52 7A233 Gear - output shaft parking
53 7D419 Plate - parking rod guide
54 7D071 Shaft - parking pawl
55 7D070 Spring - parking pawl return
56 7A441 Pawl - parking brake
57 7H389 Plug - transaxle case orifice
58 7J387 Reservoir - transmission fluid
59 7N142 Seal - transmission fluid reservoir
60 7D412 Pin - parking pawl abutment
61 7G101 Abutment - parking pawl actuator
62 7010 Plug - transaxle drain
63 7B362 Pin - transaxle case dowel
64 7005 Case
65 7B148 Tag - transaxle service identification
66 W711892-S441 Nut - M10
67 7A257 Lever - manual control
68 7F337 Seal assembly - manual control shaft
69 7H103 Sensor assembly - output shaft speed (OSS)
70 7H366 Seal - valve body
71 7J282 Bolt - M6 X 63
72 7E332 Spring assembly - manual valve detent
73 7H557 Sensor - transmission range (TR)
74 7D410 Rod assembly - park pawl actuator
75 7B210 Pin - manual control lever
76 1177 Seal - transaxle differential
77 7M102 Bearing assembly - thrust
78 7G142 Hub assembly - planetary carrier
79 7G304 Sun gear and shell assembly - planetary carrier
80 7N473 Carrier and gear assembly - planetary
81 7M022 Shell - planetary carrier
82 7N470 Carrier - planetary gear
83 7L487 Ring - planetary carrier guide
84 7C122 Snap ring - planetary carrier
85 7G211 Gear - front planetary ring
86 7H375 Bearing and race assembly - forward planetary carrier thrust
87 7F241 Bearing and race assembly - forward planetary sun gear thrust
88 7G231 Gear - forward planetary sun
89 7L192 Carrier and ring gear assembly - forward planetary
90 7A154 Ring gear - planetary
91 7H318 Retainer - snap ring
92 7D055 Carrier assembly - forward planetary
93 - Clutch assembly - forward
94 7C096 Bearing - forward planetary sun gear thrust (rear)
95 7G177 Bearing - Front planetary carrier thrust
96 7D491 Gear and carrier assembly - front
97 7D392 Ring gear assembly - forward
98 7H361 Snap ring - forward planetary ring gear
99 7G226 Carrier - front planetary gear
100 7A262 Piston assembly - forward clutch
101 7B070 Spring - forward clutch piston return
102 7H365 Ring - forward clutch balance piston snap
103 7E457 Spring - forward clutch cushion
104 7E314 Plate - forward clutch (steel)
105 7E311 Plate - forward clutch (friction)
106 7H253 Clutch - low/one way
107 7G148 Ring - low/one way clutch
108 7D408 Plate - low reverse clutch pressure
109 7E312 Plate - low reverse clutch (friction)
110 7G474 Plate - low reverse clutch (steel)
111 7G486 Plate - low reverse clutch pressure
112 7B437 Plate - intermediate clutch pressure
113 7F219 Plate - intermediate clutch (friction)
114 7F220 Plate - intermediate clutch (steel)
115 7G159 Spring - intermediate clutch cushion
116 7D062 Sun gear and shell assembly - front planetary gear assembly
117 7H351 Hub assembly - direct clutch
118 7G239 Bearing - direct clutch hub thrust
119 7M157 Snap ring - overdrive clutch
120 7B066 Plate - overdrive pressure
121 7B164 Plate - overdrive pressure (friction)
122 7B442 Plate - overdrive pressure (steel)
123 7H233 Snap ring - direct clutch
124 7J029 Plate - direct clutch pressure
125 7H095 Plate - direct clutch (steel)
126 7G475 Plate - direct clutch (friction)
127 7H136 Spring - direct clutch wave
128 7J010 Snap ring - balance piston
129 7J029 Piston - balance
130 7H561 Spring - overdrive clutch piston return
131 7G418 Piston - overdrive clutch
132 7A548 Seal - overdrive clutch piston outer (front)
133 7J008 Seal - overdrive clutch piston outer (rear)
134 7J007 Seal - overdrive clutch piston inner
135 7J251 Hub and shaft assembly - input direct and overdrive clutch
136 7C000 Seal - direct clutch piston outer
137 7F234 Seal - direct clutch piston inner (front)
138 7E056 Seal - direct clutch piston inner (rear)
139 7G298 Return spring assembly - direct clutch
140 7F254 Piston assembly - direct clutch
141 7F281 Cylinder - direct clutch piston
142 7H076 Snap ring - direct clutch piston cylinder
143 7H075 Snap ring - reverse clutch piston return spring
144 7D045 Spring - reverse clutch piston return
145 7D402 Piston - reverse clutch
146 7B421 Snap ring - intermediate clutch return spring
147 7G297 Spring - intermediate clutch piston return
148 7F472 Piston - intermediate clutch
149 7C565 Seal - transaxle cover
150 7H026 Bearing - turbine shaft thrust
151 7B343 Gasket - cover assembly
152 7211 Cover assembly
153 7J289 Bolt - M6 x 30
154 7M101 Sensor assembly - turbine shaft speed (TSS)
155 7J356 Bolt - M6 x 25
156 7A100 Body assembly - main control valve
157 7A099 Body assembly - lower main control valve
158 7J236 Plate assembly - lower valve body separator
159 7A091 Body - main control valve
160 7B431 Pin - transfer plate alignment
161 7E195 Ball - check
162 7Z490 Plate - transfer plate separator
163 7H195 Plate - transfer
164 7J291 Bolt - M6 x 35
165 7J235 Cover assembly - main control valve body
166 7H200 Plate - solenoid filter
167 7Z369 Body assembly - solenoid
168 7J295 Bolt - M6 x 95
169 7J364 Bolt - M6 x 42
170 7J293 Bolt - M6 x 80
171 7F396 Gasket - main control cover
172 7J213 Seal - solenoid body-to-main control cover
173 7A228 Tube - transmission fluid inlet
174 7G004 Cover assembly - main control
175 W708442 Stud - hex flange
176 7A020 Indicator - fluid level
177 N807738-S Pin - 5 mm (0.2 in) x 14 spring coiled
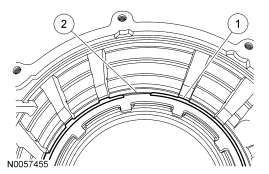
  1. If removed, using the special tools, install the transfer shaft fluid dam in the transaxle case.
  2. Fig 6: Installing Transfer Shaft Fluid Dam In Transaxle Case Using Special Tools (205-153) & (307-583)
    GF0031904Courtesy of FORD MOTOR CO.
  3. If removed, using the special tool, press the transfer shaft bearing cup in the transaxle case.
  4. Fig 7: Pressing Transfer Shaft Bearing Cup In Transaxle Case Using Special Tool (307-576)
    GF0031905Courtesy of FORD MOTOR CO.
  5. If removed, using the special tools, press the differential bearing cup in the transaxle case.
  6. Fig 8: Pressing Differential Bearing Cup In Transaxle Case Using Special Tools (204-029, 307-541, 307-576)
    GF0031906Courtesy of FORD MOTOR CO.
  7. Install the park pawl abutment and the pins.
  8. Fig 9: Locating Park Pawl Abutment & Pins
    GF0031777Courtesy of FORD MOTOR CO.
  9. Install the park pawl and the pin.
  10. Fig 10: Locating Park Pawl & Pin
    GF0031776Courtesy of FORD MOTOR CO.
  11. Install the park pawl spring.
  12. Fig 11: Identifying Park Pawl Spring
    GF0031775Courtesy of FORD MOTOR CO.
  13. Install the park pawl pin retainer and the 2 bolts.
    • Tighten to 12 Nm (9 lb-ft).
  14. Fig 12: Locating Park Pawl Pin Retainer & Bolts
    GF0031774Courtesy of FORD MOTOR CO.
  15. Slide the park pawl over and install the park pawl actuator rod.
  16. Fig 13: Sliding Park Pawl Over & Installing Park Pawl Actuator Rod
    GF0031907Courtesy of FORD MOTOR CO.
  17. Using the special tool, install a new manual lever shaft seal.
  18. Fig 14: Installing New Manual Lever Shaft Seal Using Special Tool (307-581)
    GF0031908Courtesy of FORD MOTOR CO.
  19. Install the transmission range (TR) sensor.
    1. Position the park pawl actuating rod in the TR sensor.
    2. Install the TR sensor in the transaxle case.
  20. Fig 15: Identifying TR Sensor In Transaxle Case
    GF0031687Courtesy of FORD MOTOR CO.
  21. Using the special tool, install a new TR sensor locking pin.
  22. Fig 16: Installing New TR Sensor Locking Pin Using Special Tool (307-592)
    GF0031909Courtesy of FORD MOTOR CO.
  23. Install a new O-ring seal on the reservoir. Lubricate the seal with clean automatic transmission fluid.
  24. Fig 17: Identifying Reservoir O-Ring Seal
    GF0031765Courtesy of FORD MOTOR CO.
  25. Install the fluid reservoir and the 2 bolts.
    • Tighten to 12 Nm (9 lb-ft).
  26. Fig 18: Locating Reservoir Bolts
    GF0031764Courtesy of FORD MOTOR CO.
  27. Install a new pump-to-case seal.
  28. Fig 19: Identifying Pump-To-Case Seal
    GF0031763Courtesy of FORD MOTOR CO.
  29. Install the transfer shaft and gear assembly.
  30. Fig 20: Identifying Transfer Shaft And Gear Assembly
    GF0031762Courtesy of FORD MOTOR CO.
  31. Install the differential and ring gear assembly.
  32. Fig 21: Identifying Differential & Ring Gear Assembly
    GF0031761Courtesy of FORD MOTOR CO.
  33. Install the differential and transfer shaft bearing cups on the bearings.
  34. Fig 22: Locating Differential & Transfer Shaft Bearing Cups On Bearings
    GF0031910Courtesy of FORD MOTOR CO.
  35. Install the special tool on the differential and transfer shaft bearing cups.
  36. Fig 23: Installing Special Tool (307-591/1, 307-591/2) On Differential & Transfer Shaft Bearing Cups
    GF0031911Courtesy of FORD MOTOR CO.
  37. Install the special tools (studs) in the transaxle case to align the torque converter housing.
  38. Fig 24: Installing Special Tool (307-591/3) In Transaxle Case To Align Torque Converter Housing
    GF0031912Courtesy of FORD MOTOR CO.
    NOTE: Make sure that the silicone has been cleaned off of the machined surface of the transaxle case and the torque converter housing before installing the special tools or the preload measurement can be inaccurate.
  39. Install the special tools (4 spacers) on the studs to space the torque converter housing from the transaxle case.
  40. Fig 25: Installing Special Tool (307-591/3) On Studs To Space Torque Converter Housing From Transaxle Case
    GF0031913Courtesy of FORD MOTOR CO.
  41. Place the torque converter housing on the special tools.
  42. Fig 26: Placing Torque Converter Housing On Special Tools
    GF0031914Courtesy of FORD MOTOR CO.
  43. Install the special tools (remaining 4 spacers and the 4 bolts).
    • Tighten to 24 Nm (18 lb-ft).
  44. Fig 27: Installing Special Tool (307-591/3)
    GF0031915Courtesy of FORD MOTOR CO.
  45. Install the special tools (4 nuts) on the studs.
    • Tighten to 24 Nm (18 lb-ft).
  46. Fig 28: Installing Special Tool (307-591/3) On Studs
    GF0031916Courtesy of FORD MOTOR CO.
  47. Rotate the transfer shaft and the differential several times to seat the bearings.
  48. Fig 29: Rotating Transfer Shaft & Differential Several Times To Seat Bearings
    GF0031917Courtesy of FORD MOTOR CO.
  49. Using a feeler gauge, measure and record the smallest and largest preload gap on the special tool placed on the differential assembly. Add the 2 measurements and divide by 2. This is the thickness of the differential bearing preload shim. For additional information, refer to SPECIFICATIONS  for the differential bearing preload shim part number.
  50. Fig 30: Locating Differential Bearing Preload Shim
    GF0031918Courtesy of FORD MOTOR CO.
  51. Using a feeler gauge, measure and record the smallest and largest preload gap on the special tool placed on the transfer shaft assembly. Add the 2 measurements and divide by 2. This is the thickness of the transfer shaft bearing preload shim. For additional information, refer to SPECIFICATIONS  for the transfer gear bearing preload shim part number.
  52. Fig 31: Locating Transfer Shaft Bearing Preload Shim
    GF0031919Courtesy of FORD MOTOR CO.
  53. Remove the torque converter housing and the special tools from the transaxle case.
  54. Fig 32: Removing Torque Converter Housing & Special Tool (307-591/3) From Transaxle Case
    GF0031920Courtesy of FORD MOTOR CO.
  55. Remove the special tools from the transaxle case.
  56. Fig 33: Removing Special Tool (307-591/3) From Transaxle Case
    GF0031913Courtesy of FORD MOTOR CO.
  57. Remove the special tools from the transaxle case.
  58. Fig 34: Removing Special Tool (307-591/3) From Transaxle Case
    GF0031912Courtesy of FORD MOTOR CO.
  59. Remove the special tools from the transfer shaft and differential assemblies.
  60. Fig 35: Removing Special Tool (307-591/1, 307-591/2) From Transaxle shaft & differential assemblies
    GF0031911Courtesy of FORD MOTOR CO.
  61. Remove the differential and transfer shaft bearing cups.
  62. Fig 36: Locating Differential & Transfer Shaft Bearing Cups
    GF0031910Courtesy of FORD MOTOR CO.
    CAUTION: Support the torque converter housing using blocks of wood or damage to the torque converter housing can occur.
  63. Using the special tool and a dead blow hammer, install the torque converter hub seal in the torque converter housing.
  64. Fig 37: Installing Torque Converter Hub Seal In Torque Converter Housing Using Special Tool (307-575)
    GF0031921Courtesy of FORD MOTOR CO.
    CAUTION: Support the torque converter housing using blocks of wood or damage to the torque converter housing can occur.
  65. Using the special tools, install the halfshaft seal in the torque converter housing.
  66. Fig 38: Installing Halfshaft Seal In Torque Converter Housing Using Special Tools (307-582) & (205-153)
    GF0031922Courtesy of FORD MOTOR CO.
    CAUTION: Support the torque converter housing using blocks of wood or damage to the torque converter housing can occur.
  67. Using the special tools, install the fluid dam in the torque converter housing.
  68. Fig 39: Installing Fluid Dam In Torque Converter Housing Using Special Tools (307-583) & (205-153)
    GF0031923Courtesy of FORD MOTOR CO.
  69. Install the transfer shaft preload shim in the torque converter housing.
  70. Fig 40: Identifying Preload Shim
    GF0031784Courtesy of FORD MOTOR CO.
  71. Using the special tool, press the transfer shaft bearing cup in the torque converter housing.
  72. Fig 41: Pressing Transfer Shaft Bearing Cup In Torque Converter Housing Using Special Tool (307-576)
    GF0031924Courtesy of FORD MOTOR CO.
  73. Install the differential bearing preload shim in the torque converter housing.
  74. Fig 42: Locating Differential Bearing Preload Shim In Torque Converter Housing
    GF0031925Courtesy of FORD MOTOR CO.
  75. Using the special tool, install the differential bearing cup in the torque converter housing.
  76. Fig 43: Installing Differential Bearing Cup In Torque Converter Housing Using Special Tool (204-029, 307-576, 307-541)
    GF0031926Courtesy of FORD MOTOR CO.
  77. Install the fluid pump drive sprocket and driven sprocket thrust washers.
  78. Fig 44: Identifying Fluid Pump Drive Sprocket & Driven Sprocket Thrust Washers
    GF0031782Courtesy of FORD MOTOR CO.
    NOTE: The dot on the fluid pump sprocket is installed facing up.
  79. Install the fluid pump sprocket and chain assembly.
  80. Fig 45: Identifying Fluid Pump Sprocket & Chain Assembly
    GF0031927Courtesy of FORD MOTOR CO.
  81. Position the fluid pump and filter assembly in place and install the 3 bolts.
    • Tighten to 12 Nm (9 lb-ft).
  82. Fig 46: Locating Fluid Pump & Filter Assembly Bolts
    GF0031928Courtesy of FORD MOTOR CO.
    NOTE: Be sure that the oil pump drive chain is correctly engaged on both sprockets.
  83. Position the stator support assembly in place and install the 10 bolts. Tighten in the sequence shown.
    • Tighten to 41 Nm (30 lb-ft).
  84. Fig 47: Tightening Stator Support Assembly Bolts In Sequence
    GF0031929Courtesy of FORD MOTOR CO.
  85. Position the differential carrier baffle in place and install the bolt.
    • Tighten to 12 Nm (9 lb-ft).
  86. Fig 48: Identifying Differential Carrier Baffle Bolt
    GF0031778Courtesy of FORD MOTOR CO.
  87. Lubricate the ends of the transaxle fluid tube with petroleum jelly and install it in the transaxle.
  88. Fig 49: Lubricating Ends Of Transaxle Fluid Tube With Petroleum Jelly
    GF0031760Courtesy of FORD MOTOR CO.
  89. Apply a bead of silicone to the machined surface of the transaxle case.
  90. Fig 50: Applying Bead Of Silicone To Machined Surface Of Transaxle Case
    GF0031930Courtesy of FORD MOTOR CO.
    NOTE: Install the stud bolts in the correct location as noted during disassembly. The stud bolts are 1 and 16 in the tightening sequence.
  91. Install the torque converter housing on top of the transaxle case, install the 19 bolts, and tighten in the sequence shown.
    • Tighten to 24 Nm (18 lb-ft).
  92. Fig 51: Tightening Torque Converter Housing On Top Of Transaxle Case Bolts In Sequence
    GF0031931Courtesy of FORD MOTOR CO.
  93. Using the special tools, install the halfshaft seal in the transaxle case.
  94. Fig 52: Installing Halfshaft Seal In Transaxle Case Using Special Tools (205-153) & (307-582)
    GF0031932Courtesy of FORD MOTOR CO.
  95. Lubricate the forward clutch piston seals with petroleum jelly.
  96. Fig 53: Lubricating Forward Clutch Piston Seals With Petroleum Jelly
    GF0031933Courtesy of FORD MOTOR CO.
    NOTE: Install the special tool with the stepped end of the cylinder facing down when pushing the forward clutch piston into the bore.
  97. Position the forward clutch piston in place, using the special tool, push the piston down into the bore.
  98. Fig 54: Pushing Piston Down Into Bore Using Special Tool (307-584/1)
    GF0031934Courtesy of FORD MOTOR CO.
  99. Install the forward clutch piston return spring with the tabs facing down.
  100. Fig 55: Identifying Forward Clutch Piston Return Spring
    GF0031757Courtesy of FORD MOTOR CO.
    NOTE: Install the special tool with the stepped end of the cylinder facing up when compressing the forward clutch piston return spring.
    NOTE: Before compressing the forward clutch piston return spring, make sure the spring is centered.
  101. Install the special tools and compress the forward clutch piston return spring.
  102. Fig 56: Installing Special Tools & Compressing Forward Clutch Piston Return Spring
    GF0031755Courtesy of FORD MOTOR CO.
    NOTE: Special tools not shown for clarity.
  103. Install the forward clutch piston return spring snap ring.
    1. Install the snap ring.
    2. The snap ring gap should be at the top of the transaxle case.
  104. Fig 57: Identifying Forward Clutch Piston Return Spring Snap Ring
    GF0031935Courtesy of FORD MOTOR CO.
  105. Remove the special tools.
  106. Fig 58: Removing Special Tools (307-574/1, 307-574/2, 307-584/1, 307-584/2)
    GF0031755Courtesy of FORD MOTOR CO.
  107. Install the forward clutch wave spring.
  108. Fig 59: Identifying Forward Clutch Wave Spring
    GF0031936Courtesy of FORD MOTOR CO.
  109. Lubricate the forward clutch pack in clean automatic transmission fluid.
  110. Fig 60: Identifying Forward Clutch Pack
    GF0031937Courtesy of FORD MOTOR CO.
  111. Install the forward clutch pack assembly.
  112. Fig 61: Identifying Forward Clutch Assembly
    GF0031754Courtesy of FORD MOTOR CO.
  113. Install the low/one-way clutch.
  114. Fig 62: Identifying Low/One-Way Clutch
    GF0031753Courtesy of FORD MOTOR CO.
    NOTE: The low/one-way clutch snap ring gap must be positioned as shown so that the low/reverse clutch pressure plate tab fits into the gap when it is installed later in this procedure.
  115. Install the low/one-way clutch snap ring.
  116. Fig 63: Identifying Low/One-Way Clutch Snap Ring
    GF0031938Courtesy of FORD MOTOR CO.
  117. Install a dial indicator on the transaxle case and position the plunger on a top friction disc tab.
  118. Fig 64: Installing Dial Indicator On Transaxle Case & Positioning Plunger On Top Friction Disc Tab
    GF0031939Courtesy of FORD MOTOR CO.
  119. Using a suitable tool, install the forward clutch feed seal.
  120. Fig 65: Identifying Forward Clutch Feed Seal
    GF0031940Courtesy of FORD MOTOR CO.
  121. Apply 483 kPa (70 psi) of air pressure to the forward clutch piston port while recording the clutch pack clearance on the dial indicator. The clearance should be between 0.85 mm (0.03 in) and 2.41 mm (0.09 in). If the clearance is out of range, check the forward clutch pack and one/way clutch for correct installation. If the forward clutch pack and one/way clutch is correctly installed, install a new forward clutch pack.
  122. Remove the dial indicator from the transaxle case.
  123. Install the No. 11 stator support thrust bearing.
  124. Fig 66: Identifying No. 11 Support Assembly Thrust Bearing
    GF0031751Courtesy of FORD MOTOR CO.
  125. Install the front planetary carrier hub.
  126. Fig 67: Identifying Front Planetary Carrier Hub Assembly
    GF0031750Courtesy of FORD MOTOR CO.
  127. Install the No. 10 front sun gear thrust bearing.
  128. Fig 68: Identifying No. 10 Front Sun Gear Thrust Bearing
    GF0031749Courtesy of FORD MOTOR CO.
  129. Install the planetary sun gear and shell assembly.
  130. Fig 69: Identifying Front Planetary Sun Gear & Shell Assembly
    GF0031748Courtesy of FORD MOTOR CO.
  131. Install the front planetary gear and carrier assembly.
  132. Fig 70: Identifying Front Planetary Gear & Carrier Assembly
    GF0031747Courtesy of FORD MOTOR CO.
  133. Install the No. 7 center sun gear and the No. 8 front/center planetary gear assembly thrust bearings.
  134. Fig 71: Identifying No. 7 Center Sun Gear & No. 8 Front/Center Planetary Gear Assembly Thrust Bearings
    GF0031746Courtesy of FORD MOTOR CO.
  135. Install the center planetary gear and carrier assembly.
  136. Fig 72: Identifying Center Planetary Gear & Carrier Assembly
    GF0031745Courtesy of FORD MOTOR CO.
  137. Install the center planetary sun gear.
  138. Fig 73: Identifying Center Planetary Sun Gear
    GF0031744Courtesy of FORD MOTOR CO.
  139. Install the No. 5 center/rear planetary and the No. 6 center sun gear thrust bearings.
  140. Fig 74: Identifying No. 5 Center/Rear Planetary & No. 6 Center Sun Gear Thrust Bearings
    GF0031743Courtesy of FORD MOTOR CO.
  141. Install the rear planetary gear carrier assembly.
  142. Fig 75: Identifying Rear Planetary Gear Assembly
    GF0031742Courtesy of FORD MOTOR CO.
    CAUTION: Failure to align the tab on the bottom of the low/reverse pressure plate with the gap in the low/one-way clutch snap ring can result in damage to the transaxle.
  143. Install the low/reverse clutch pressure plate.
    1. Make sure the tab on the bottom of the pressure plate fits in the gap of the low/one-way clutch snap ring.
    2. Install the low/reverse clutch pressure plate.
  144. Fig 76: Identifying Low/One-Way Clutch Snap Ring & Low/Reverse Clutch Pressure Plate
    GF0031941Courtesy of FORD MOTOR CO.
  145. Measure the depth of the low/reverse clutch pressure plate where the tab fits into the gap of the low/one-way clutch snap ring and directly across from it. If the pressure plate is seated correctly, the depth should be the same. If the depths are different, rotate the snap ring so that the gap fits around the tab on the pressure plate.
  146. Fig 77: Measuring Depth Of Low/Reverse Clutch Pressure Plate Where Tab Fits Into Gap Of Low/One-Way Clutch Snap Ring
    GF0031942Courtesy of FORD MOTOR CO.
  147. Lubricate the low/reverse clutch pack in clean automatic transmission fluid.
  148. Fig 78: Identifying Low/Reverse Clutch Pack
    GF0031943Courtesy of FORD MOTOR CO.
  149. Install the low/reverse clutch pack.
  150. Fig 79: Installing Low/Reverse Clutch Pack
    GF0031944Courtesy of FORD MOTOR CO.
  151. Install the low/reverse pressure plate.
  152. Fig 80: Identifying Low/Reverse Pressure Plate
    GF0031741Courtesy of FORD MOTOR CO.
  153. Using a suitable straight edge and a depth gauge, measure and record as measurement A, the distance from the transaxle case deck surface to the top low/reverse clutch plate.
  154. Fig 81: Measuring Distance From Transaxle Case Deck Surface To Top Low/Reverse Clutch Plate Using Suitable Straight Edge & Depth Gauge
    GF0031945Courtesy of FORD MOTOR CO.
  155. Using the same straight edge and a suitable depth gauge, measure and record as measurement B, the distance from the low/reverse clutch piston to the cover assembly deck surface.
  156. Fig 82: Measuring Distance From Low/Reverse Clutch Piston To Cover Assembly Deck Surface Using Same Straight Edge & Suitable Depth Gauge
    GF0031946Courtesy of FORD MOTOR CO.
  157. Subtract measurement B from measurement A to get the low/reverse clutch clearance. The clearance should be between 1.01 mm (0.03 in) and 2.47 mm (0.09 in). If the clearance is out of range, check the low/reverse clutch pack for correct installation. If the low/reverse clutch pack is correctly installed, install a new low/reverse clutch pack.
    Description Reading
    Measurement A  
    Measurement B  
    Subtract measurement B from measurement A to get the low/reverse clutch clearance.  
  158. Install the intermediate clutch pressure plate.
  159. Fig 83: Identifying Intermediate Clutch Pressure Plat
    GF0031947Courtesy of FORD MOTOR CO.
  160. Lubricate the intermediate clutch pack assembly in clean automatic transmission fluid.
  161. Fig 84: Identifying Intermediate Clutch Pack Assembly
    GF0031948Courtesy of FORD MOTOR CO.
  162. Install the intermediate clutch pack assembly.
  163. Fig 85: Identifying Intermediate Clutch Pack Assembly
    GF0031949Courtesy of FORD MOTOR CO.
  164. Install the intermediate clutch pack wave spring.
  165. Fig 86: Identifying Intermediate Clutch Pack Wave Spring.
    GF0031949Courtesy of FORD MOTOR CO.
  166. Using a suitable straight edge and a depth gauge, measure and record as measurement A, the distance from the transaxle case deck surface to a low point on the intermediate clutch wave spring.
  167. Fig 87: Measuring Distance From Transaxle Case Deck Surface To A Low Point On Intermediate Clutch Wave Spring
    GF0031950Courtesy of FORD MOTOR CO.
  168. Using the same straight edge and a suitable depth gauge, measure and record as measurement B, the distance from the intermediate clutch piston to the cover assembly deck surface.
  169. Fig 88: Measuring Distance From Intermediate Clutch Piston To Cover Assembly Deck Surface
    GF0031951Courtesy of FORD MOTOR CO.
  170. Subtract measurement B from measurement A to get the intermediate clutch clearance. The clearance should be between 0.90 mm (0.03 in) and 2.24 mm (0.08 in). If the clearance is out of range, check the intermediate clutch pack for correct installation. If the intermediate clutch pack is correctly installed, install a new intermediate clutch pack.
    Description Reading
    Measurement A  
    Measurement B  
    Subtract measurement B from measurement A to get the intermediate clutch clearance.  
  171. Install the intermediate clutch shell and gear assembly.
  172. Fig 89: Identifying Intermediate Clutch Shell & Sun Gear Assembly
    GF0031739Courtesy of FORD MOTOR CO.
  173. Install the No. 3 rear sun gear thrust bearing.
  174. Fig 90: Identifying No. 3 Rear Sun Gear Thrust Bearing
    GF0031738Courtesy of FORD MOTOR CO.
  175. Install the overdrive/direct clutch hub and turbine shaft assembly.
  176. Fig 91: Identifying Overdrive/Direct Clutch Hub & Turbine Shaft Assembly
    GF0031737Courtesy of FORD MOTOR CO.
  177. Install the No. 1 cover assembly thrust bearing.
  178. Fig 92: Identifying No. 1 Cover Assembly Thrust Bearing
    GF0031736Courtesy of FORD MOTOR CO.
  179. Install the cover assembly gasket.
  180. Fig 93: Identifying Cover Assembly Gasket
    GF0031735Courtesy of FORD MOTOR CO.
  181. Route the turbine shaft speed (TSS) sensor harness through the transaxle case to the valve body area and install the cover assembly. Tighten the bolts in the sequence shown.
    • Tighten to 12 Nm (9 lb-ft).
  182. Fig 94: Identifying Turbine Shaft Speed (TSS) Sensor Harness & Tightening Cover Assembly Bolts In Sequence
    GF0031952Courtesy of FORD MOTOR CO.
  183. Install the output shaft speed (OSS) sensor and the bolt.
    • Tighten to 12 Nm (9 lb-ft).
  184. Fig 95: Identifying Output Shaft Speed (OSS) Sensor Bolt
    GF0031953Courtesy of FORD MOTOR CO.
    NOTE: Make sure that the manual pin (part of the TR sensor) is correctly installed in the manual valve.
  185. Position the TSS, OSS and TR sensor wiring harnesses aside and install the main control valve body.
  186. Fig 96: Identifying TSS, OSS & TR Sensor Wiring Harnesses
    GF0031954Courtesy of FORD MOTOR CO.
  187. Inspect the manual pin to make sure it is correctly installed in the manual valve. If it is not, pull the valve body off the transaxle case. Correctly install the manual pin in the manual valve and position the valve body in place.
  188. Fig 97: Identifying Manual Pin
    GF0031955Courtesy of FORD MOTOR CO.
  189. Install the main control valve body and the 10 bolts. Tighten the bolts in the sequence shown.
    • Tighten to 12 Nm (9 lb-ft).
  190. Fig 98: Tightening Main Control Valve Body Bolts In Sequence
    GF0031956Courtesy of FORD MOTOR CO.
    CAUTION: Make sure not to pinch the TSS, OSS, or TR sensor wiring harnesses behind the solenoid body when positioning the solenoid body in place.
    NOTE: Install the different length bolts in the locations noted during disassembly.
  191. Install the 11 solenoid body bolts hand tight.
    1. 42 mm (1.65 in) bolt
    2. 63 mm (2.48 in) bolts
    3. 80 mm (3.14 in) bolts
    4. 95 mm (3.74 in) bolts
  192. Fig 99: Identifying Solenoid Body Bolts
    GF0031957Courtesy of FORD MOTOR CO.
  193. Tighten the solenoid body bolts in the sequence shown.
    • Tighten to 12 Nm (9 lb-ft).
  194. Fig 100: Tightening Solenoid Body Bolts In Sequence
    GF0031958Courtesy of FORD MOTOR CO.
  195. Route the OSS sensor wiring harness and connect the electrical connector.
  196. Fig 101: Routing OSS Sensor Wiring Harness & Connecting Electrical Connector
    GF0031959Courtesy of FORD MOTOR CO.
  197. Connect the TR sensor electrical connector.
    1. Connect the electrical connector.
    2. Slide the locking tab over.
  198. Fig 102: Identifying TR Sensor Electrical Connector
    GF0031960Courtesy of FORD MOTOR CO.
  199. Connect the TSS sensor electrical connector.
  200. Fig 103: Identifying TSS Sensor Electrical Connector
    GF0031961Courtesy of FORD MOTOR CO.
  201. Inspect the transaxle main control cover seal for damage and replace it if necessary.
  202. Fig 104: Inspecting Transaxle Main Control Cover Seal For Damage
    GF0031662Courtesy of FORD MOTOR CO.
    NOTE: Install the stud bolts in the locations noted during disassembly.
  203. Install the main control cover and loosely install the 14 bolts.
    1. Bolt location
    2. Stud bolt location
  204. Fig 105: Locating Main Control Cover Bolts
    GF0031962Courtesy of FORD MOTOR CO.
  205. Tighten the main control cover bolts in the sequence shown.
    • Tighten to 12 Nm (9 lb-ft).
  206. Fig 106: Tightening Main Control Cover Bolts In Sequence
    GF0031963Courtesy of FORD MOTOR CO.
  207. Install the manual lever and the nut.
    • Tighten to 18 Nm (13 lb-ft).
  208. Fig 107: Identifying Manual Control Lever & Nut
    GF0031683Courtesy of FORD MOTOR CO.
    CAUTION: The torque converter is heavy. Be careful not to drop it or damage will result.
  209. Install two 10 mm x 1.50 bolts into the torque converter to assist in handling the torque converter and install the torque converter in the transaxle.
  210. Fig 108: Installing Two 10 mm x 1.50 Bolts Into Torque Converter
    GF0031724Courtesy of FORD MOTOR CO.
  211. Remove the bolts from the torque converter.