LEMON Manuals: Even more car manuals for everyone: 1960-2025
Home >> Ford >> 2007 >> Edge SEL Plus, AWD >> Repair and Diagnosis >> External Pages >> Different car >> Section 1639 (Component Testing (Hybrid)) >> Introduction >> Window control switch, passenger front - MKZ >> Schematic
April 5, 2026: LEMON Manuals is launched! Read the announcement.

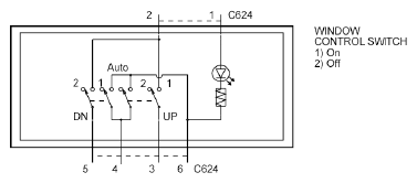
Window control switch, passenger front - MKZ: Schematic

WARNING: This page is about a different car, the 2011 Mercury Milan, 2011 Lincoln MKZ, and 2011 Ford Fusion. However, it is still accessible from the selected car via links, so may be relevant.
Fig 1: Window Control Switch, Passenger Front (MKZ) - Schematic
G07329303Courtesy of FORD MOTOR CO.