LEMON Manuals: Even more car manuals for everyone: 1960-2025
Home >> Ford >> 2007 >> Edge SEL, AWD >> Repair and Diagnosis >> Accessories & Equipment >> Accessories Control Systems >> Component Testing >> Component Testing >> Ignition switch >> Schematic
April 5, 2026: LEMON Manuals is launched! Read the announcement.

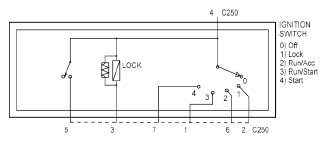
Ignition switch: Schematic

Fig 1: Ignition Switch - Schematic
G05178956Courtesy of FORD MOTOR CO.