LEMON Manuals: Even more car manuals for everyone: 1960-2025
Home >> Ford >> 2007 >> Escape Base, 2.3 Z, 4WD, Automatic >> Repair and Diagnosis (Single Page) >> Engine Performance >> System >> Engine Controls - Pinpoint Test JE: Integrated Ignition Coil Pack A, B, Or C Failure Through Pinpoint Test Kn: Variable Speed Electric Cooling Fan - (Except Diesel & Hybrid) >> PINPOINT TEST KB: Fuel Pump Driver Module >> Introduction
April 5, 2026: LEMON Manuals is launched! Read the announcement.

PINPOINT TEST KB: Fuel Pump Driver Module: Introduction

WARNING: Crown Victoria Police Interceptor vehicles equipped with fire suppression system, refer to FIRE SUPPRESSION SYSTEM article for Important Safety Warnings. Failure to follow these instructions may result in personal injury.

This pinpoint test is intended to diagnose the following:

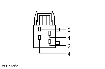
Fig 1: Fuel Pump Driver Module (FPDM) Connector - A
GF0001518Courtesy of FORD MOTOR CO.
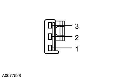
Fig 2: Fuel Pump Driver Module 2 (FPDM2) Connector
G04587251Courtesy of FORD MOTOR CO.
Vehicle Connector Pin Circuit
Focus,
Taurus
A 3
10
1
7
2
9
FPRTN
FPPWR
FPC
FPM
PWRGND
VPWR Fuel
All other vehicles B 2
4
6
1
3
5
FPRTN
FPPWR
FPC
FPM
PWRGND
VPWR Fuel
Fig 3: Fuel Pump Driver Module 2 (FPDM2) Connector
G04587251
Pin Circuit
2 FP2RTN (Fuel Pump 2 Return)
4 FP2PWR (Fuel Pump 2 Power)
6 FPC (Fuel Pump Control)
1 FPM2 (Fuel Pump Monitor 2 - Rear\Secondary Pump)
3 PWRGND (Power Ground)
5 VPWR Fuel 2

Refer to the appropriate SYSTEM WIRING DIAGRAMS article for schematic and connector information. For F-150, F-Super Duty, and Mark LT, the FPDM PWR relay is integral to the PDJB.

Fig 4: Fuel Pump Driver Module Power (FPDM PWR) Relay Connector
GF0001546
Vehicle Connector Pin Circuit
Crown Victoria,
Grand Marquis,
Town Car
A 5
1
2
3
VPWR Fuel
GND
VPWR
B+
All other vehicles A 5
2
1
3
VPWR Fuel
GND
VPWR
B+

Refer to the appropriate SYSTEM WIRING DIAGRAMS article for schematic and connector information.

Fig 5: Fuel Pump Driver Module 2 Power (FPDM2 PWR) Relay Connector
GF0001546
Pin Circuit
5 VPWR Fuel 2
2 GND (Ground)
1 VPWR (Vehicle Power)
3 B+ (Battery Positive Voltage)
Fig 6: Inertia Fuel Shutoff (IFS) Switch Connector - A
GF0001519Courtesy of FORD MOTOR CO.
Fig 7: Inertia Fuel Shutoff (IFS) Switch Connector - B
GF0001578Courtesy of FORD MOTOR CO.
Vehicle Connector Pin Circuit
Focus A 3
1
VPWR Fuel - A
VPWR Fuel - B
All other vehicles B 2
1
VPWR Fuel - A
VPWR Fuel - B

This applies to applications with an FPDM PWR relay integral to the PDJB.

Fig 8: Power Distribution Junction Box (PDJB) Connector - A
GF0001579Courtesy of FORD MOTOR CO.
Fig 9: Power Distribution Junction Box (PDJB) Connector - B
GF0001580Courtesy of FORD MOTOR CO.
Vehicle Connector Pin Circuit
F-Super Duty A 22 VPWR Fuel
All other vehicles B 3 VPWR Fuel

Powertrain Control Module (PCM) Connector 

For PCM connector views or reference values, refer to the REFERENCE VALUES article.

Vehicle Connector Pin Circuit
Escape,
Five Hundred,
Focus,
Freestyle,
Mariner,
Montego
150 (50-50-50) Pin B12
B21
FPC
FPM
F-150,
Mark LT
190 Pin B62
B30
FPC
FPM
Mustang 5.4L 170 Pin T18
B12
B21
FPM2
FPC
FPM
Taurus 104 Pin 80
40
FPC
FPM
All other vehicles 170 Pin B12
B21
FPC
FPM