LEMON Manuals: Even more car manuals for everyone: 1960-2025
Home >> Ford >> 2007 >> Escape Base, 2.3 Z, FWD, Standard >> Repair and Diagnosis >> External Pages >> Different car >> Section 1042 (Electronic Compass System) >> Diagnostic Tests >> Electronic Compass >> Pinpoint Tests >> Pinpoint Test B: The Outside Air Temperature Is Inaccurate/Inoperative >> Pinpoint Test B: The Outside Air Temperature Is Inaccurate/Inoperative
April 5, 2026: LEMON Manuals is launched! Read the announcement.

Pinpoint Test B: The Outside Air Temperature Is Inaccurate/Inoperative

WARNING: This page is about a different car, the 2008 Ford RV Cutaway, 2008 Ford Econoline, 2008 Ford E450 Super Duty, and 2008 Ford Cutaway. However, it is still accessible from the selected car via links, so may be relevant.
NOTE: After installing a new compass display, always set the zone and calibrate.
  1. B1 CHECK FOR A CORRECTLY INSTALLED SENSOR 
    • Key in OFF position.
    • Verify the ambient air temperature sensor is correctly installed and fully connected.
    • Is the ambient air temperature sensor correctly installed and fully connected? 
    1. YES  : Go to  B2.
    2. NO  : REINSTALL or RECONNECT the ambient air temperature sensor. TEST the system for normal operation.
  2. B2 CHECK THE AMBIENT AIR TEMPERATURE SENSOR FUNCTION 
    • Disconnect: Ambient Air Temperature Sensor C132
    • Remove the ambient air temperature sensor.
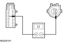
    • Fig 1: Checking Ambient Air Temperature Sensor
      GF0012979Courtesy of FORD MOTOR CO.
    • Measure the resistance between the ambient air temperature sensor pins, component side, at an ambient temperature of 18-29.5°C (65-85°F).
    • Is the resistance between 8,000 and 14,000 ohms? 
    1. YES  : Go to  B3.
    2. NO  : INSTALL a new ambient air temperature sensor. TEST the system for normal operation.
  3. B3 CHECK THE SENSOR CIRCUIT FEED FOR AN OPEN 
    • Disconnect: Overhead Console C930
    • Fig 2: Checking Sensor Circuit Feed For An Open
      GF0012980Courtesy of FORD MOTOR CO.
    • Measure the resistance between the overhead console C930-5, circuit 767 (LB/OG), harness side and the ambient air temperature sensor C132-1, circuit 767 (LB/OG), harness side.
    • Is the resistance less than 5 ohms? 
    1. YES  : Go to  B4.
    2. NO  : REPAIR the circuit. TEST the system for normal operation.
  4. B4 CHECK THE SENSOR CIRCUIT RETURN FOR AN OPEN 
      Fig 3: Checking Sensor Circuit Return For An Open
      GF0012981Courtesy of FORD MOTOR CO.
    • Measure the resistance between the overhead console C930-6, circuit 470 (PK/BK), harness side and the ambient air temperature sensor C132-2, circuit 470 (PK/BK), harness side.
    • Is the resistance less than 5 ohms? 
    1. YES  : Go to  B5.
    2. NO  : REPAIR the circuit. TEST the system for normal operation.
  5. B5 CHECK THE SENSOR CIRCUITS FOR A SHORT TOGETHER 
      Fig 4: Checking Sensor Circuits For A Short Together
      GF0012982Courtesy of FORD MOTOR CO.
    • Measure the resistance between the ambient air temperature sensor C132-1, circuit 767 (LB/OG), harness side and the ambient air temperature sensor C132-2, circuit 470 (PK/BK), harness side.
    • Is the resistance greater than 10,000 ohms? 
    1. YES  : Go to  B6.
    2. NO  : REPAIR the circuit in question. TEST the system for normal operation.
  6. B6 CHECK THE SENSOR CIRCUITS FOR A SHORT TO GROUND 
      Fig 5: Checking Sensor Circuits For A Short To Ground
      GF0012983Courtesy of FORD MOTOR CO.
    • Measure the resistance between the ambient air temperature sensor C132-1, circuit 767 (LB/OG), harness side and ground and between the ambient air temperature sensor C132-2, circuit 470 (PK/BK), harness side and ground.
    • Are the resistances greater than 10,000 ohms? 
    1. YES  : Go to  B7.
    2. NO  : REPAIR the circuit in question. TEST the system for normal operation.
  7. B7 CHECK THE SENSOR CIRCUITS FOR A SHORT TO VOLTAGE 
      Fig 6: Checking Sensor Circuits For A Short To Voltage
      GF0044919Courtesy of FORD MOTOR CO.
    • Measure the voltage between the ambient air temperature sensor C132-1, circuit 767 (LB/OG), harness side and ground and between the ambient air temperature sensor C132-2, circuit 470 (PK/BK), harness side and ground.
    • Is any voltage present? 
    1. YES  : REPAIR the circuit in question. TEST the system for normal operation.
    2. NO  : INSTALL the original ambient air temperature sensor. CONNECT the ambient air temperature sensor. Go to  B8.
  8. B8 CHECK THE TEMPERATURE ACCURACY 
    • Connect: Overhead Console C930
    • Drive the vehicle for 3 minutes above 56 km/h (35 mph) (sustained).
    • Does the display show the correct ambient air temperature? 
    1. YES  : The ambient air temperature function is OK. REVIEW the operation of the ambient air temperature display with the customer.
    2. NO  : INSTALL a new compass display. REFER to Compass Display . TEST the system for normal operation.