LEMON Manuals: Even more car manuals for everyone: 1960-2025
Home >> Ford >> 2007 >> F 150 2WD V6-4.2L VIN 2 >> Repair and Diagnosis >> Powertrain Management >> Computers and Control Systems >> Relays and Modules - Computers and Control Systems >> Engine Control Module >> Diagrams >> Diagram Information and Instructions >> Introduction
April 5, 2026: LEMON Manuals is launched! Read the announcement.

Introduction

Note
All wiring connections between components are shown exactly as they exist in the vehicles. It is important to realize, however, that no attempt has been made on the diagrams to represent components and wiring as they physically appear on the vehicle. For example, a 4-foot length of wire is treated no differently in a diagram from one that is only a few inches long. Furthermore, to aid in understanding electrical (electronic) operation, wiring inside complicated components has been simplified.

Complete Circuit Operation
Each circuit is shown completely and independently in one set. Other components that are connected to the circuits may not be shown unless they influence the circuit operation.







Current Flow (1)
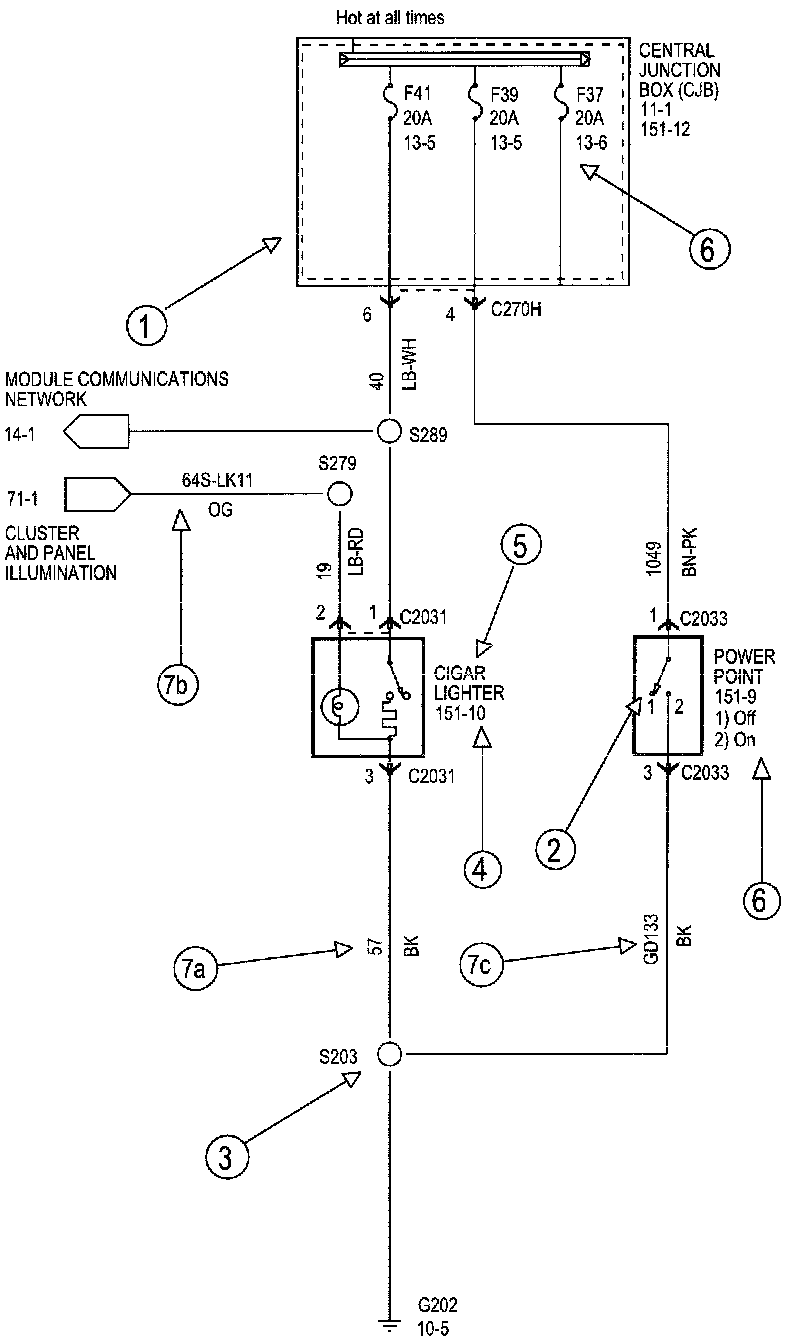
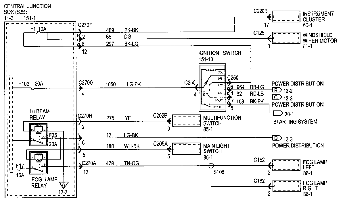
Each set normally starts with the component that powers the circuit, such as a fuse or the ignition switch. Current flow is shown from the power source at the top of the diagram to ground at the bottom of the diagram. A full representation of the power supply of a fuse or the power distribution from a fuse to various components is given in Power and Ground Distribution Diagrams. Full representation of the ground connections are shown in Power and Distribution Diagrams.

Switch Positions (2)
Within a diagram, all switches, sensors and relays are shown "at rest" (ignition switch OFF).

Splices (3)
Splices directly connecting to the power distribution are best represented on the power distribution diagrams in Power and Ground Distribution Diagrams. Splices connected to grounds can be seen completely in Power and Ground Distribution Diagrams. For all other splices, a reference is given to each off diagram where that particular splice can be best viewed.

Component Referencing (4)
Components on a diagram have a reference to a component location view or the diagram where it is shown completely. The reference is located to the right of each component.

Component Names (5)
Component names are placed on the right hand side of each component when possible. Descriptions of the internals of the component are also included when available. The diagram where the component appears in full is listed in the Index. The base part number for a component is listed in Vehicle/Diagrams.

Internal Name and Function Identification Numbers (6)
Some components on each diagram have internal symbols with an identification number located within it. You can identify the internal symbol or function by finding the corresponding number under the component name.

Circuit Numbering and Wire Identification (7)







Ford Motor Company uses three different circuit numbering conventions: Standard Circuit Numbering System, Global Circuit Numbering System; and New Global Circuit Numbering System (NGCN S). With each, the circuit number (which identifies a specific circuit function) is followed by the wire color.

The wire identification consists of a basic color and possibly a stripe, and is determined directly from the wire's circuit number. In the diagrams, the wire colors are indicated next to the wires. The colors are abbreviated using the international norm IEC 757. The abbreviations are listed in Symbols.







Fuse and Relay Information
Fuse and Relay Information contains a view of the fuse/relay box in which fuses and relays are identified, numbered and named. Fuse and relay numbering and naming follow the indication of the fuse panel cover. In addition, for all removable relays, pin positions are added to illustrate proper orientation.







Power Distribution
Power and Ground Distribution Diagrams shows the current feed circuits. The current path is shown from the battery to the ignition switch and to all fuses. It also shows the circuits protected by each fuse. The circuit is traced from the fuse to the component. All details (wires, splices, connectors) between the fuse and the first component are shown.







Ground Distribution
Power and Ground Distribution Diagrams contains the diagrams that shows the complete details for each ground connection or main ground splice. This is useful in diagnosing a problem affecting several components at once (poor ground connection or ground splice). All details (wires, splices, connectors) between the ground point and the component are shown. These ground connection details are shown here in order to keep the individual set of diagrams as uncluttered as possible.


C904:






Component and Connector Information
Connector Views show the views of the pins and/or cavities of all connectors. The pin and cavity sides are shown separately as if the connector were disconnected. The color of the connector housing is indicated next to the connector number when available. The harness causal number is located above the connector view and below the connector number. The circuit function charts are located below each connector. The wiring harness designations are listed in set Component Location Charts.

Component Location Views shows the components and their connecting wires as they can be found on the vehicle.

Location information that can be found at the vehicle level will helps the user find where the various items depicted on the diagram can physically be found on the vehicle. A brief written description of the location is given, along with a reference to the component location views.

WARNINGS
- Always wear safety glasses for eye protection.
- Use safety stands whenever a procedure requires being under a vehicle.
- Be sure that the IGNITION SWITCH is always in the OFF position, unless otherwise required by the procedure.
- Set the parking brake when working on any vehicle. An automatic transmission should be in PARK. A manual transmission should be in NEUTRAL.
- Operate the engine only in a well-ventilated area to avoid danger of carbon monoxide.
- Keep away from moving parts, especially the fan and belts, when the engine is running.
- To prevent serious burns, avoid contact with hot metal parts such as the radiator, exhaust manifold, tail pipe,catalytic converter and muffler.
- Do not allow flame or sparks near the battery. Gases are always present in and around the battery cell. An explosion could occur.
- Do not smoke when working on a vehicle.
- To avoid injury, always remove rings, watches, loose hanging jewelry and avoid wearing loose clothing.