LEMON Manuals: Even more car manuals for everyone: 1960-2025
Home >> Ford >> 2007 >> Freestar Base, 4.2 2 >> Repair and Diagnosis >> External Pages >> Different car >> Section 187 (Component Testing) >> Component Testing >> Door lock switch >> Schematic
April 5, 2026: LEMON Manuals is launched! Read the announcement.

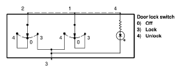
Door lock switch: Schematic

WARNING: This page is about a different car, the 2007 Mercury Montego and 2007 Ford Five Hundred. However, it is still accessible from the selected car via links, so may be relevant.
Fig 1: Door Lock Switch - Schematic
G05177804Courtesy of FORD MOTOR CO.