LEMON Manuals: Even more car manuals for everyone: 1960-2025
Home >> Ford >> 2007 >> Freestar Limited >> Repair and Diagnosis >> External Pages >> Different car >> Section 187 (Component Testing) >> Component Testing >> Ignition switch (11572) >> Schematic
April 5, 2026: LEMON Manuals is launched! Read the announcement.

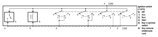
Ignition switch (11572): Schematic

WARNING: This page is about a different car, the 2007 Mercury Montego and 2007 Ford Five Hundred. However, it is still accessible from the selected car via links, so may be relevant.
Fig 1: Ignition Switch (11572) - Schematic
G05177792Courtesy of FORD MOTOR CO.