LEMON Manuals: Even more car manuals for everyone: 1960-2025
Home >> Ford >> 2007 >> Freestar SE, 4.2 2 >> Repair and Diagnosis (Single Page) >> Accessories & Equipment >> Accessories Control Systems >> Component Testing >> Component Testing >> Main light switch (11654) >> Schematic
April 5, 2026: LEMON Manuals is launched! Read the announcement.

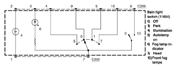
Main light switch (11654): Schematic

Fig 1: Main Light Switch (11654) - Schematic
G05182477Courtesy of FORD MOTOR CO.