LEMON Manuals: Even more car manuals for everyone: 1960-2025
Home >> Ford >> 2007 >> Freestyle Limited, AWD >> Repair and Diagnosis >> Engine Mechanical >> Mechanical >> Engine >> Disassembly And Assembly Of Subassemblies >> Cylinder Head >> Notes
April 5, 2026: LEMON Manuals is launched! Read the announcement.

Cylinder Head: Notes

Special Tools

Illustration Tool Name Tool Number
GF0008941
Compressor, Valve Spring 303-300 (T87C-6565-A)
GF0008942
Compressor, Valve Spring 303-350 (T89P-6565-A)
GF0008944
Installer, Valve Stem Oil Seal 303-470 (T94P-6510-CH)
Material

Item Specification
Motorcraft SAE 5W-20 Premium Synthetic Blend Motor Oil
XO-5W20-QSP (US); Motorcraft SAE 5W-20 Super Premium Motor Oil CXO-5W20-LSP12 (Canada); or equivalent
WSS-M2C930-A
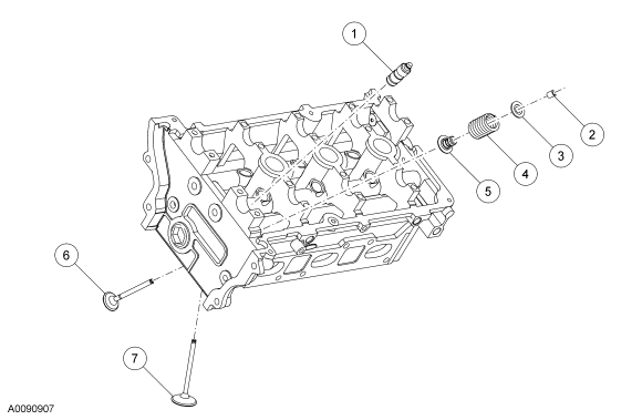
Fig 1: Exploded View Of Cylinder Head Components
GF0017191Courtesy of FORD MOTOR CO.
Item Part Number Description
1 6C501 Hydraulic lash adjuster (12 required)
2 6518 Valve spring retainer key (12 required)
3 6514 Valve spring retainer (12 required)
4 6513 Valve spring (12 required)
5 6A517 Valve stem seal (12 required)
6 6505 Intake valve
7 6507 Exhaust valve