LEMON Manuals: Even more car manuals for everyone: 1960-2025
Home >> Ford >> 2007 >> Freestyle SEL, FWD >> Repair and Diagnosis >> Accessories & Equipment >> Accessories Control Systems >> Component Testing >> Component testing >> Headlamp switch (11654) >> Schematic
April 5, 2026: LEMON Manuals is launched! Read the announcement.

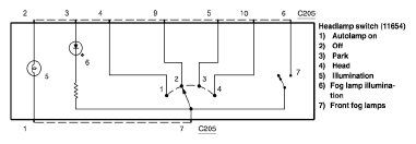
Headlamp switch (11654): Schematic

Fig 1: Headlamp Switch (11654) - Schematic
G05178925Courtesy of FORD MOTOR CO.