LEMON Manuals: Even more car manuals for everyone: 1960-2025
Home >> Ford >> 2007 >> Freestyle SEL, FWD >> Repair and Diagnosis >> Accessories & Equipment >> Accessories Control Systems >> Component Testing >> Component testing >> Ignition switch (11572) >> Schematic
April 5, 2026: LEMON Manuals is launched! Read the announcement.

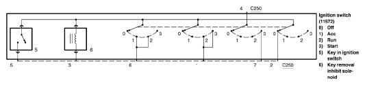
Ignition switch (11572): Schematic

Fig 1: Ignition Switch (11572) - Schematic
G05178923Courtesy of FORD MOTOR CO.