LEMON Manuals: Even more car manuals for everyone: 1960-2025
Home >> Ford >> 2007 >> Mustang Base, 2D Convertible, Standard >> Repair and Diagnosis >> External Pages >> Different variant/trim >> Section 5 (Automatic Transmission External Controls) >> Diagnostic Tests >> External Controls >> Pinpoint Tests >> Pinpoint Test C: The Transmission Control (TC) Switch Is Inoperative
April 5, 2026: LEMON Manuals is launched! Read the announcement.

Pinpoint Test C: The Transmission Control (TC) Switch Is Inoperative

WARNING: This page is about a different variant/trim than selected.
  1. C1 CHECK THE VOLTAGE TO THE TRANSMISSION CONTROL (TC) SWITCH 
    • Key in OFF position.
    • Disconnect: Selector Lever C307
    • Key in ON position.
    • Fig 1: Measuring Voltage Between Selector Lever C307-5, Circuit 911 (WH/LG), Harness Side & Ground
      GF0000988Courtesy of FORD MOTOR CO.
    • Measure the voltage between selector lever C307-5, circuit 911 (WH/LG), harness side, and ground.
    • Is the voltage greater than 10 volts? 
    1. YES  : Go to  C2.
    2. NO  : REPAIR the circuit. TEST the system for normal operation.
  2. C2 CHECK THE TC SWITCH 
      Fig 2: Measuring Resistance Between Selector Lever C307-5 & C307-6, Component Side
      GF0000989Courtesy of FORD MOTOR CO.
    • Measure the resistance between selector lever C307-5 and C307-6, component side, while depressing and releasing the TC switch.
    • Is the resistance less than 5 ohms with the TC switch depressed and greater than 10,000 ohms with the TC switch released? 
    1. YES  : Go to  C3.
    2. NO  : INSTALL a new TC switch. Test the system for normal operation.
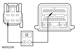
  3. C3 CHECK CIRCUIT 224 (TN/WH) FOR AN OPEN 
    • Key in OFF position.
    • Disconnect: Powertrain Control Module (PCM) C175T
    • Fig 3: Measuring Resistance Between Selector Lever C307-4, Circuit 224 (TN/WH) & PCM C175T-18
      GF0000990Courtesy of FORD MOTOR CO.
    • Measure the resistance between selector lever C307-4, circuit 224 (TN/WH), harness side and PCM C175T-18, circuit 224 (TN/WH), harness side.
    • Is the resistance less than 5 ohms? 
    1. YES  : REFER to Introduction - Gasoline Engines .
    2. NO  : REPAIR the circuit. TEST the system for normal operation.