LEMON Manuals: Even more car manuals for everyone: 1960-2025
Home >> Ford >> 2007 >> RV Cutaway 5.4 L >> Repair and Diagnosis (Single Page) >> Accessories & Equipment >> Accessories Control Systems >> Component Testing >> Component Testing >> Master window/door lock/unlock switch >> Schematic
April 5, 2026: LEMON Manuals is launched! Read the announcement.

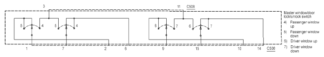
Master window/door lock/unlock switch: Schematic

Fig 1: Master Window/Door Lock/Unlock Switch - Schematic
G05181096Courtesy of FORD MOTOR CO.