LEMON Manuals: Even more car manuals for everyone: 1960-2025
Home >> Ford >> 2007 >> Taurus SEL >> Repair and Diagnosis >> Steering >> Steering Column >> Disassembly And Assembly >> Steering Column - Console Shift >> Notes
April 5, 2026: LEMON Manuals is launched! Read the announcement.

Steering Column - Console Shift: Notes

Special Tools

Illustration Tool Name Tool Number
GF0007804
Steering Column Locking Lever Tool (Shop Fabricated)
Material

Item Specification
Premium Long-Life Grease
XG-1-C
ESA- M1C75-B
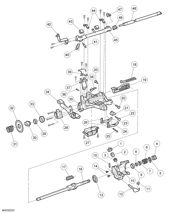
Fig 1: Exploded View Of Steering Column Components - Console Shift With Torque Specifications
GF0020659Courtesy of FORD MOTOR CO.
Item Part Number Description
1 3F579 Steering column upper bearing retainer
2 3E700 Steering column lock housing bearing
3 3E717 Steering column lock gear
4 13318 Turn indicator cancel cam
5 3C610 Snap ring
6 3520 Steering column upper bearing spring
7 3518 Steering column bearing sleeve
8 3L539 Steering column upper bearing tolerance ring
9 3517 Upper steering column bearing (small)
10 3F642 Lock cylinder housing
11 3D678 Steering column release lever spring
12 3D544 Steering column release lever
13 3517 Upper steering column bearing (large)
14 3D656 Lock cylinder housing bumper
15 N805857 Tilt release lever pivot pin
16 3D657 Steering shaft assembly
17 3D655 Steering column position spring
18 3E723 Upper lock actuator assembly
19 3E715 Lower lock actuator assembly
20 N806582 Tilt pivot screws (2 required)
21 3E695 Steering column lock cam
22 N808114 Steering column lock cam pivot pin
23 3B662 Steering column lock lever (RH)
24 3D653 Steering column lock lever (LH)
25 N808136 Steering column lock lever actuator pin
26 3B768 Steering column locking lever spring
27 11572 Ignition switch
28 3D681 Steering column lower bearing retainer
29 3517 Steering column bearing
30 3L539 Lower steering column bearing tolerance ring
31 3C674 Steering column bearing spring
32 3C131 Suspension height sensor control ring
33 3A649 Steering column bearing sleeve
34 3676 Steering column lower mounting bracket
35 3F723 Steering actuator housing
36 3B663 Steering column lock lever pin (shifter)
37 3F752 Brake shift interlock solenoid
38 3E691 Steering column lock pawl (shifter)
39 7A216 Transmission shift selector position insert
40 7D282 Transmission gearshift lever
41 7W441 Transmission gearshift lever pin
42 7302 Shift arm assembly
43 7335 Gearshift lever socket bushing
44 7E400 Gearshift tube bushing clamp
45 7215 Transmission column shift selector tube
46 7B071 Gearshift selector tube spring
47 7C464 Transmission control selector lever spring clip
48 7361 Column shift selector lever plunger