LEMON Manuals: Even more car manuals for everyone: 1960-2025
Home >> Ford >> 2008 >> Edge Limited, FWD >> Repair and Diagnosis >> Accessories & Equipment >> Accessories Control Systems >> Component Testing >> Component Testing >> Ignition switch >> Schematic
April 5, 2026: LEMON Manuals is launched! Read the announcement.

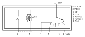
Ignition switch: Schematic

Fig 1: Ignition Switch - Schematic
G05598737Courtesy of FORD MOTOR CO.