LEMON Manuals: Even more car manuals for everyone: 1960-2025
Home >> Ford >> 2008 >> Expedition 2WD V8-5.4L >> Repair and Diagnosis >> Relays and Modules >> Relays and Modules - Body and Frame >> Auxiliary Step / Running Board Module >> Service and Repair
April 5, 2026: LEMON Manuals is launched! Read the announcement.

Auxiliary Step / Running Board Module: Service and Repair

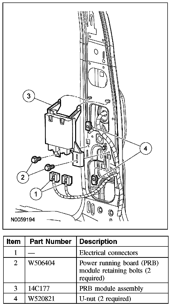
POWER RUNNING BOARD (PRB) MODULE







Removal and Installation
1. Remove the LH B-pillar trim panel.
2. Disconnect the power running board (PRB) module electrical connectors.
3. Remove the 2 bolts and the PRB module assembly.
4. To install, reverse the removal procedure.